lemon-mirror:
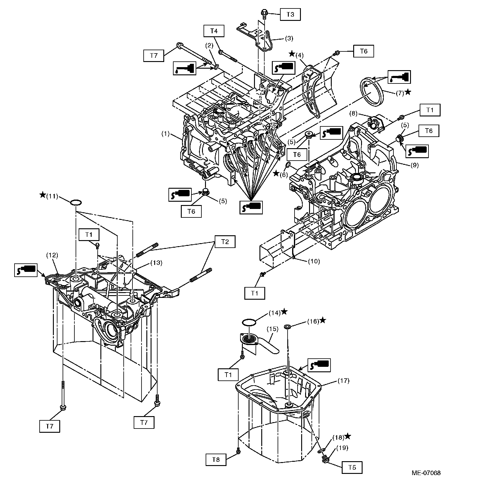
Home >> Subaru >> 2013 >> Forester F4-2.5L DOHC >> Repair and Diagnosis >> Diagrams >> Exploded Views >> Cylinder Block Assembly >> System Diagram

System Diagram

CYLINDER BLOCK