lemon-mirror:
Home >> Subaru >> 2012 >> Outback F6-3.6L DOHC >> Repair and Diagnosis >> Powertrain Management >> Computers and Control Systems >> Engine Control Module >> Testing and Inspection >> Pinout Values and Diagnostic Parameters

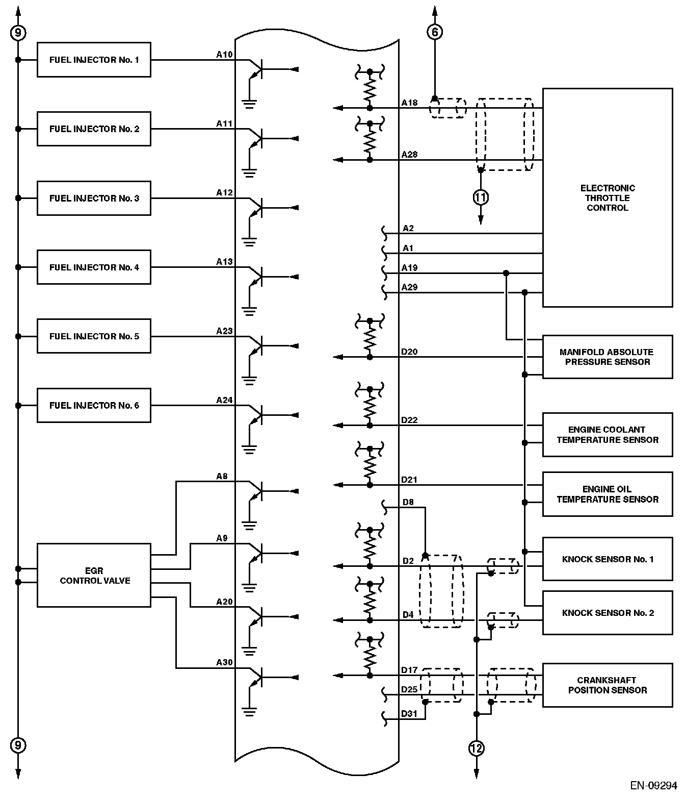
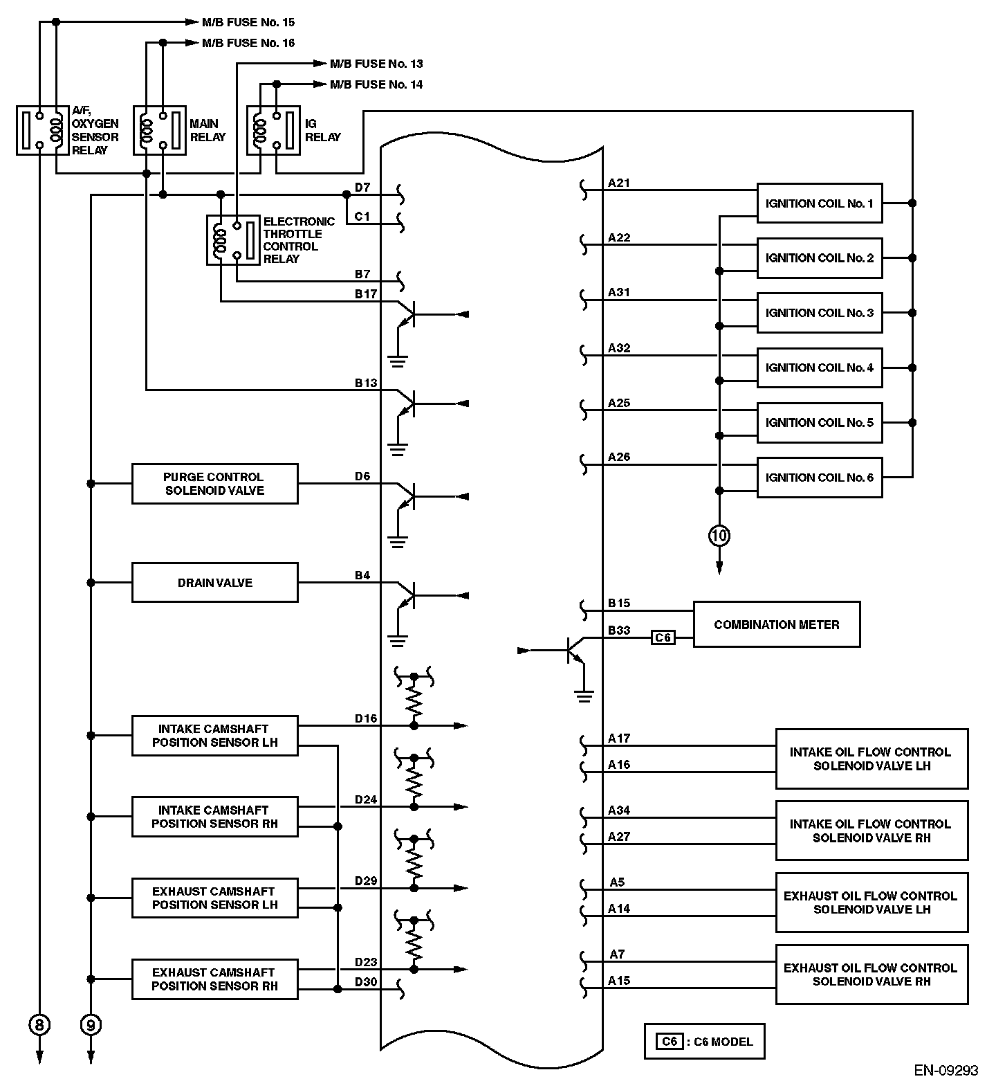
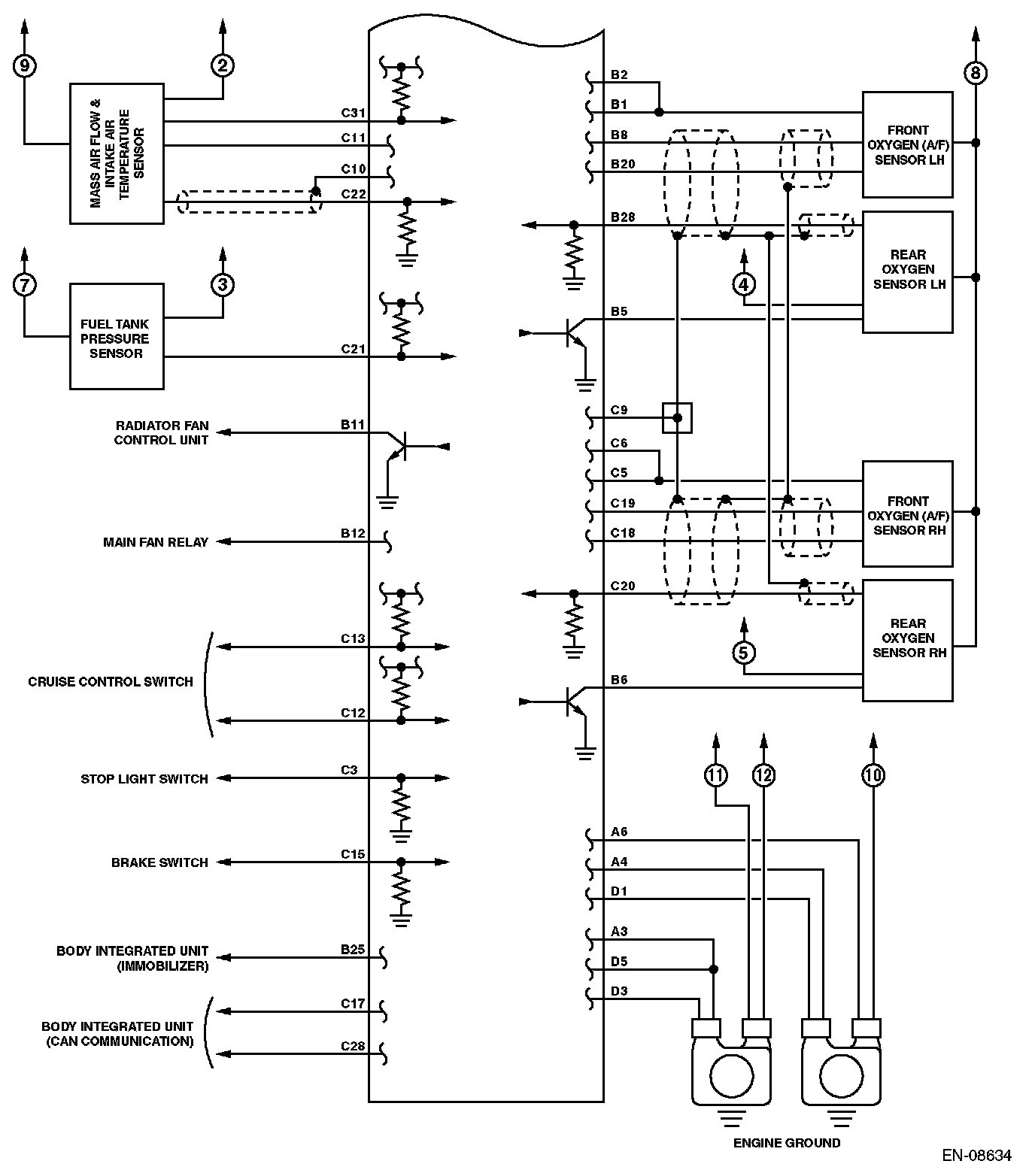
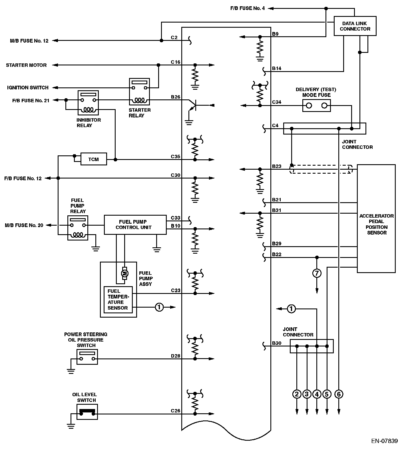
Pinout Values and Diagnostic Parameters

Engine Control Module (ECM) I/O Signal

ELECTRICAL SPECIFICATION



















Input/output name:
- Crankshaft position sensor
- Intake camshaft position sensor RH
- Intake camshaft position sensor LH
- Exhaust camshaft position sensor RH
- Exhaust camshaft position sensor LH

Measuring condition:
- After warming-up
- At idling