lemon-mirror:
Home >> Subaru >> 2012 >> Outback F4-2.5L SOHC >> Repair and Diagnosis >> Diagrams >> Exploded Views >> Heating and Air Conditioning

Heating and Air Conditioning

Compartment

1. HEATER COOLING UNIT









2. BLOWER MOTOR UNIT






3. CONTROL MODULE

- AUTO A/C MODEL






- MANUAL A/C MODEL






4. AIR CONDITIONING UNIT






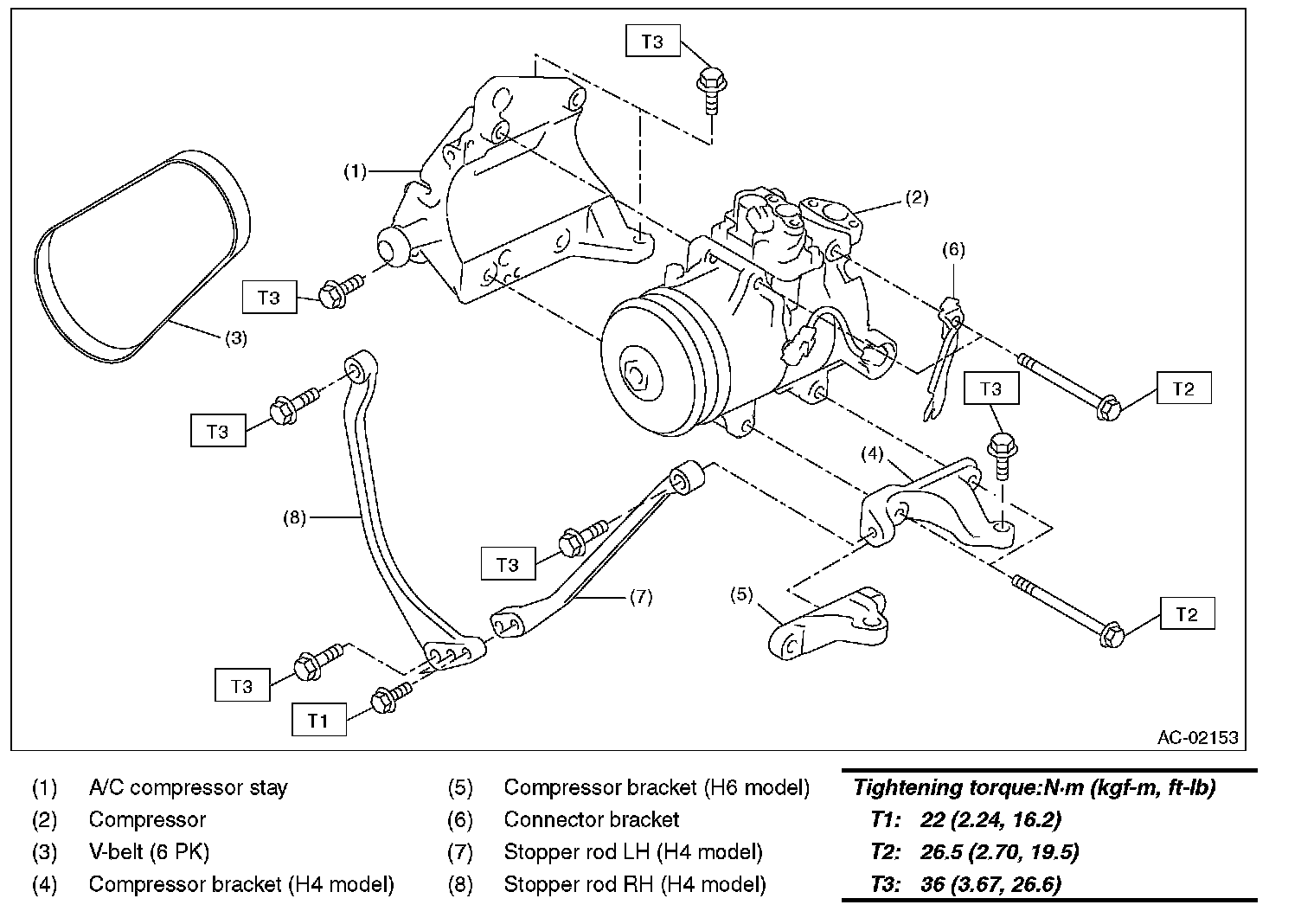
5. COMPRESSOR






6. HEATER DUCT