lemon-mirror:
Home >> Subaru >> 2012 >> Outback F4-2.5L SOHC >> Repair and Diagnosis >> Diagrams >> Exploded Views >> Differential Assembly >> Rear Differential Mounting System

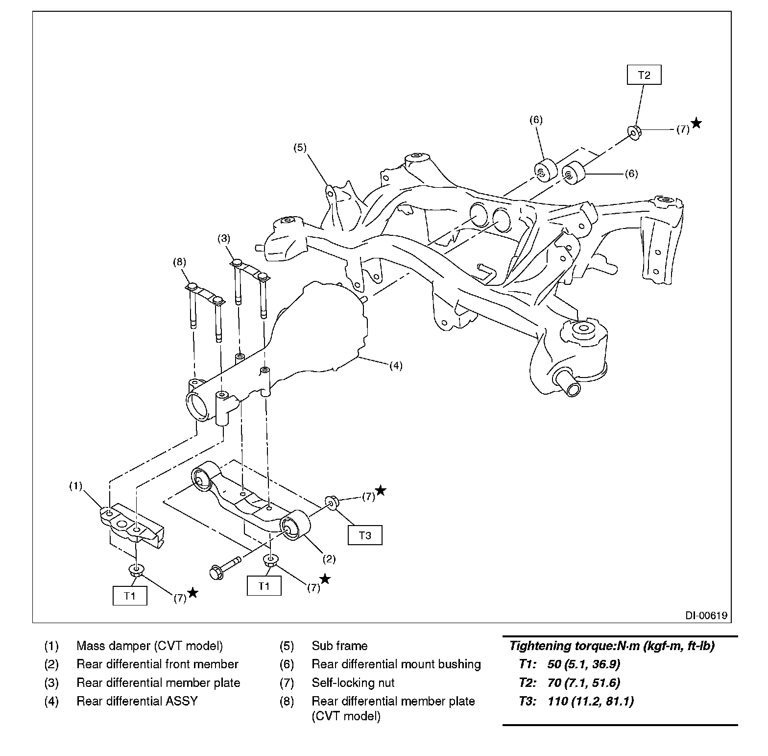
Rear Differential Mounting System

REAR DIFFERENTIAL MOUNTING SYSTEM