lemon-mirror:
Home >> Subaru >> 2012 >> Legacy F4-2.5L DOHC Turbo >> Repair and Diagnosis >> Powertrain Management >> Ignition System >> Testing and Inspection

Ignition System: Testing and Inspection

Diagnostics for Engine Starting Failure

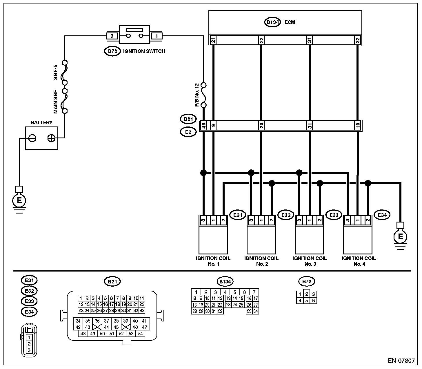
IGNITION CONTROL SYSTEM


CAUTION: After servicing or replacing faulty parts, perform Clear Memory Mode, and Inspection Mode. Clear Memory Mode Inspection Mode

WIRING DIAGRAM: