lemon-mirror:
Home >> Subaru >> 2012 >> Legacy F4-2.5L DOHC Turbo >> Repair and Diagnosis >> Diagrams >> Exploded Views >> Ignition System

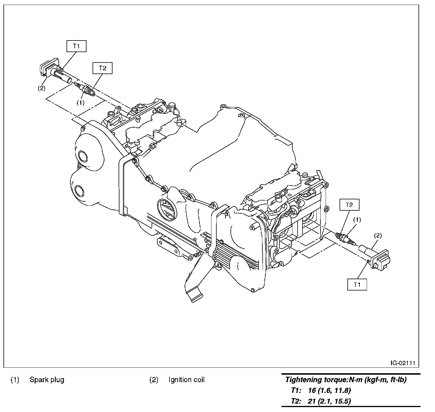
Ignition System

General Description

COMPONENT