lemon-mirror:
Home >> Subaru >> 2012 >> Forester F4-2.5L DOHC >> Repair and Diagnosis >> Heating and Air Conditioning >> Diagrams >> Exploded Views

Exploded Views

GENERAL DESCRIPTION

COMPONENT

1. HEATER COOLING UNIT
- Auto A/C model






- Manual A/C model






2. BLOWER MOTOR UNIT






3. CONTROL MODULE
- Single auto A/C model






- Dual auto A/C model






- Manual A/C model






4. AIR CONDITIONING UNIT
- Non-turbo model






- Turbo model






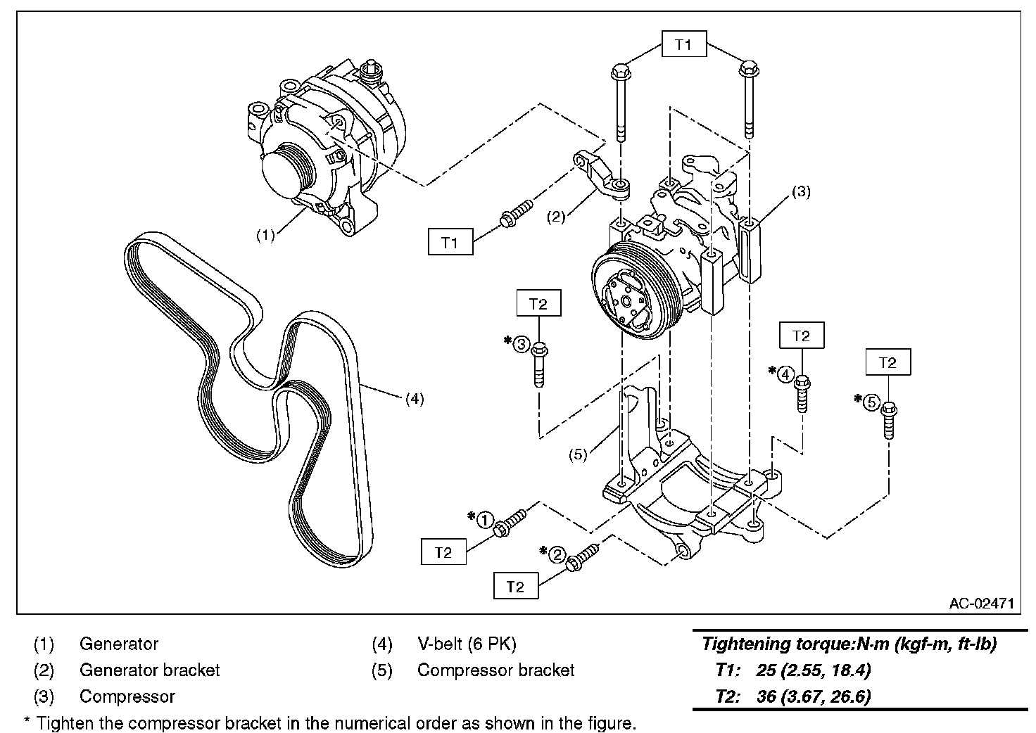
5. COMPRESSOR
- Non-turbo model






- Turbo model






6. HEATER DUCT