lemon-mirror:
Home >> Subaru >> 2012 >> Forester F4-2.5L DOHC >> Repair and Diagnosis >> Diagrams >> Exploded Views >> Engine >> Intake Manifold

Intake Manifold

COMPONENT

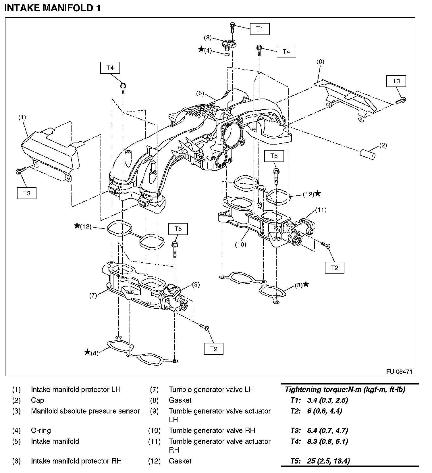
INTAKE MANIFOLD 1






INTAKE MANIFOLD 2