lemon-mirror:
Home >> Subaru >> 2012 >> Forester F4-2.5L DOHC Turbo >> Repair and Diagnosis >> Powertrain Management >> Ignition System >> Testing and Inspection

Ignition System: Testing and Inspection

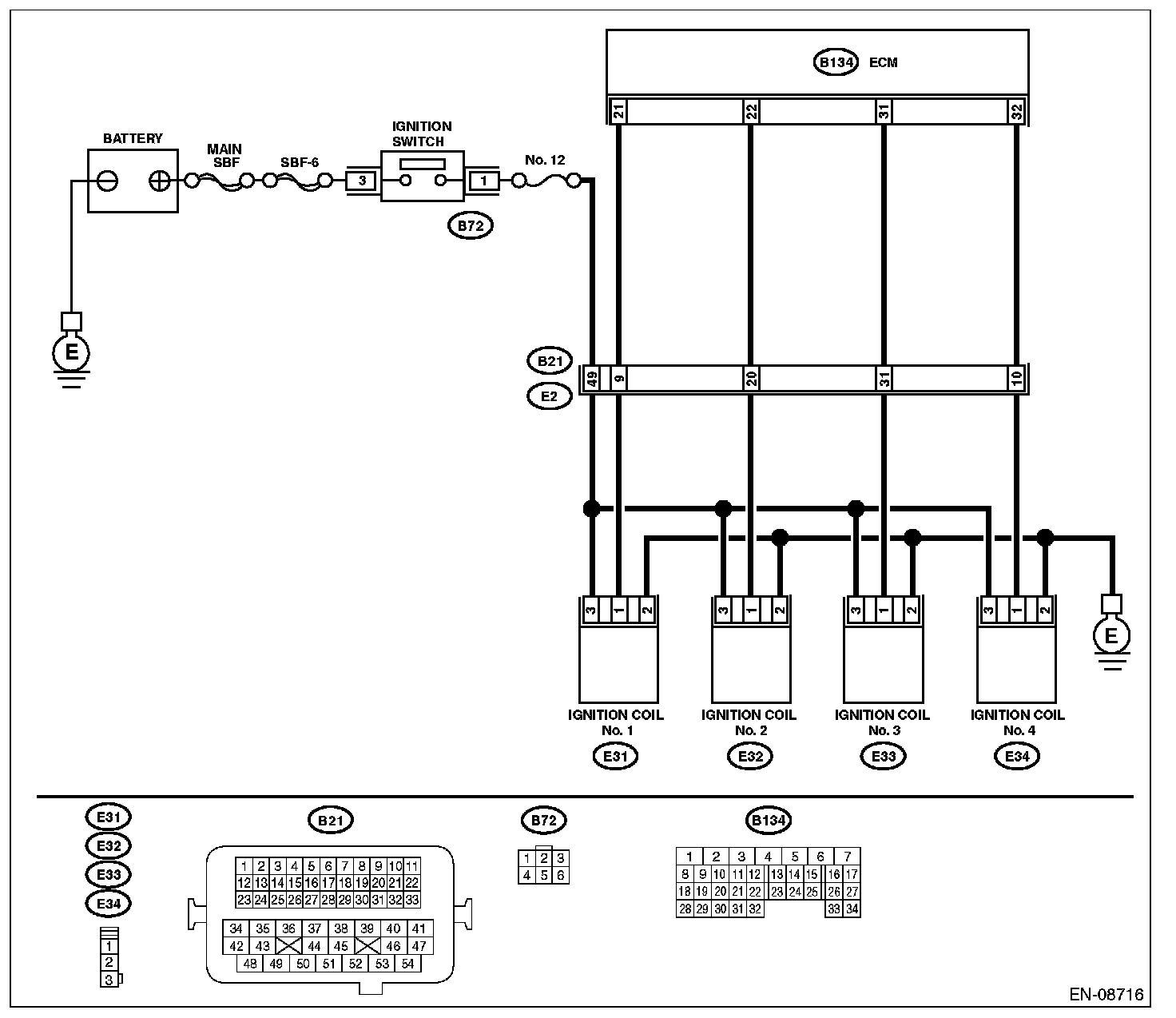
IGNITION CONTROL SYSTEM

CAUTION: After servicing or replacing faulty parts, perform Clear Memory Mode Clear Memory Mode and Inspection Mode. Inspection Mode

WIRING DIAGRAM: