lemon-mirror:
Home >> Subaru >> 2011 >> Outback Sport F4-2.5L SOHC >> Repair and Diagnosis >> Powertrain Management >> Ignition System >> Testing and Inspection

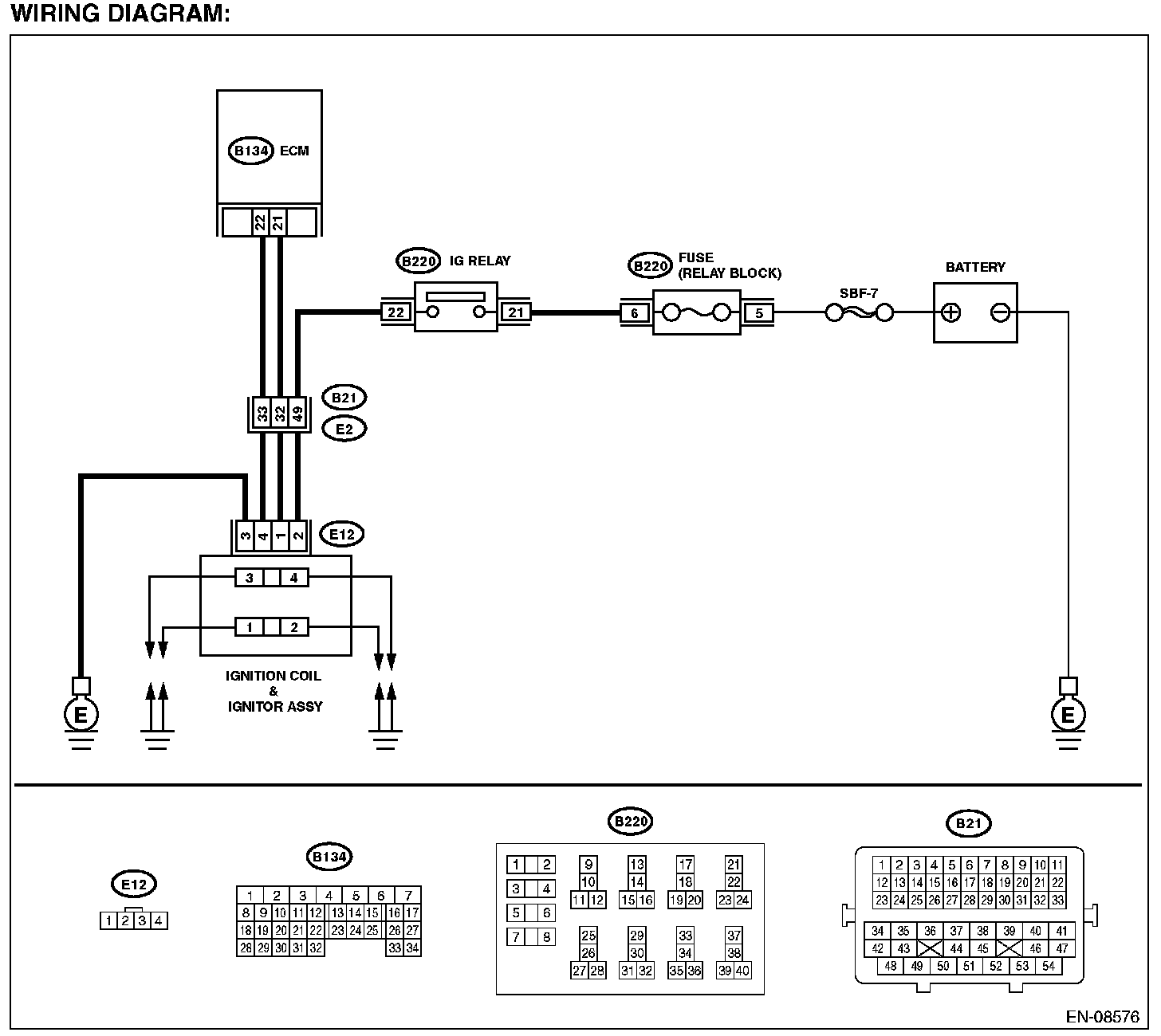
Ignition System: Testing and Inspection

IGNITION CONTROL SYSTEM

CAUTION: After servicing or replacing faulty parts, perform Clear Memory Mode. and Inspection Mode.

WIRING DIAGRAM: