lemon-mirror:
Home >> Subaru >> 2011 >> Outback Sport F4-2.5L SOHC >> Repair and Diagnosis >> Powertrain Management >> Computers and Control Systems >> Engine Control Module >> Testing and Inspection >> Pinout Values and Diagnostic Parameters

Pinout Values and Diagnostic Parameters

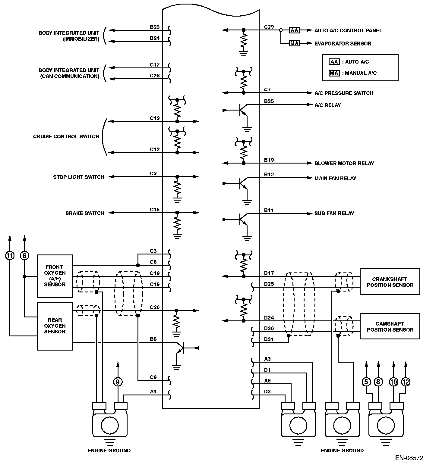
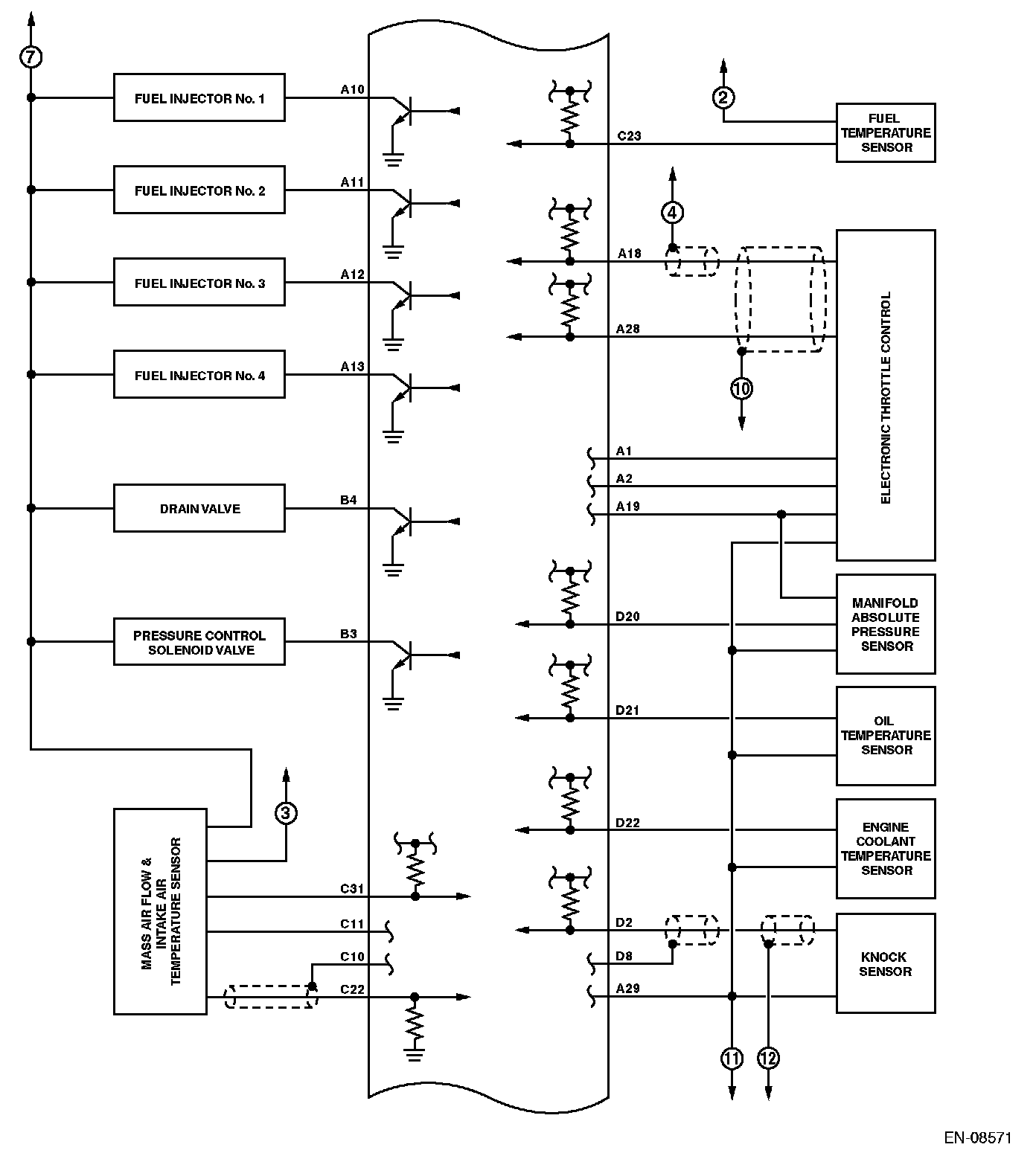
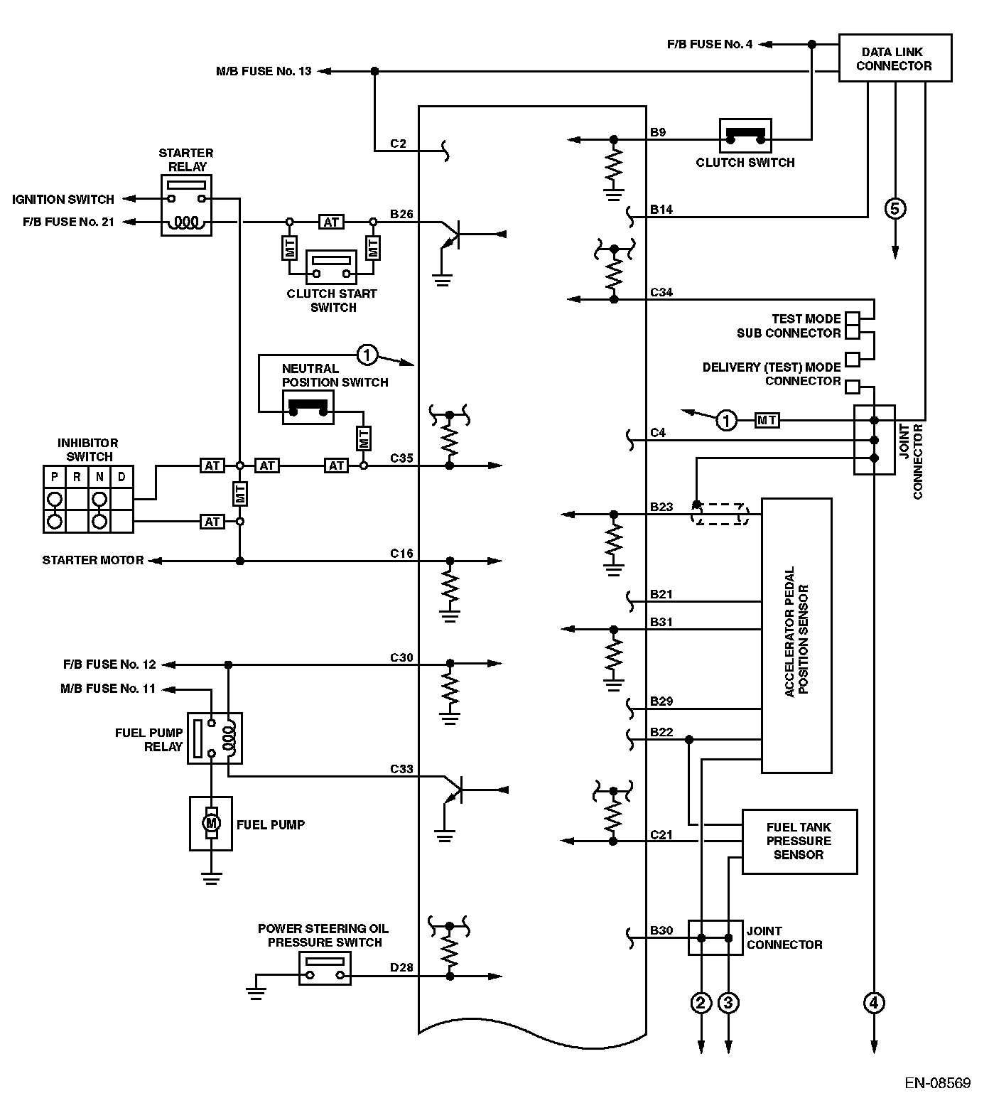
Engine Control Module (ECM) I/O Signal

ELECTRICAL SPECIFICATION















Input/output name:
- Crankshaft position sensor
- Camshaft position sensor

Measuring condition:
- After warming-up
- At idling