lemon-mirror:
Home >> Subaru >> 2011 >> Outback Sport F4-2.5L SOHC >> Repair and Diagnosis >> Diagrams >> Exploded Views >> Radiator

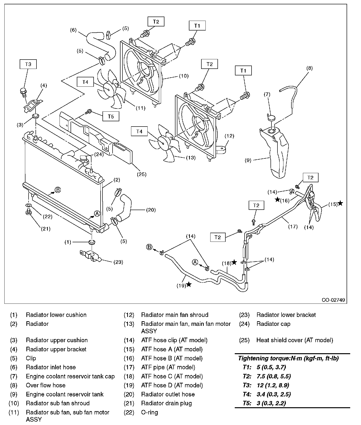
Radiator

RADIATOR & RADIATOR FAN