lemon-mirror:
Home >> Subaru >> 2011 >> Outback F6-3.6L DOHC >> Repair and Diagnosis >> Diagrams >> Exploded Views >> Water Pump

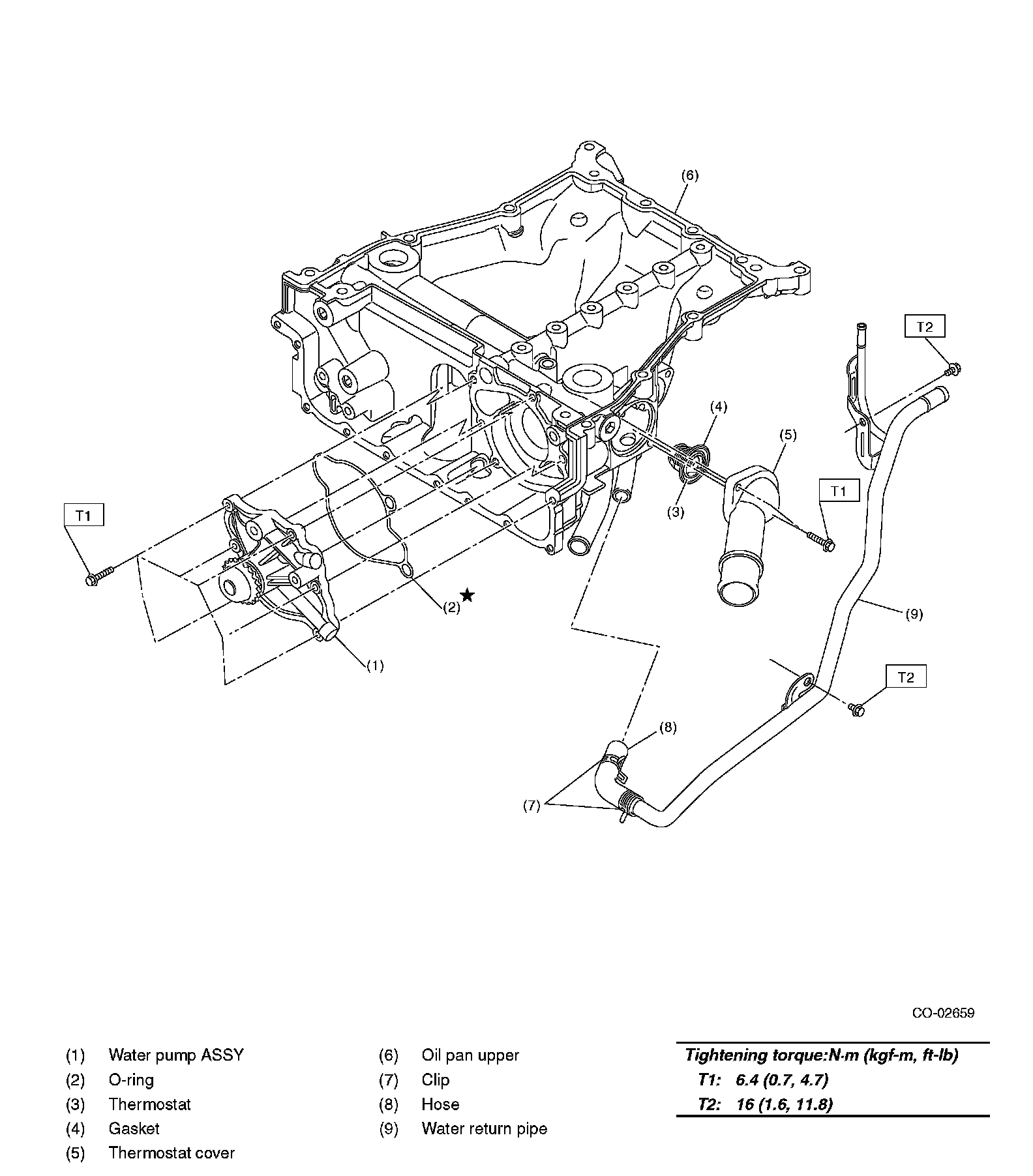
Water Pump

WATER PUMP AND WATER PIPE