lemon-mirror:
Home >> Subaru >> 2011 >> Outback F6-3.6L DOHC >> Repair and Diagnosis >> Diagrams >> Exploded Views >> Ignition System

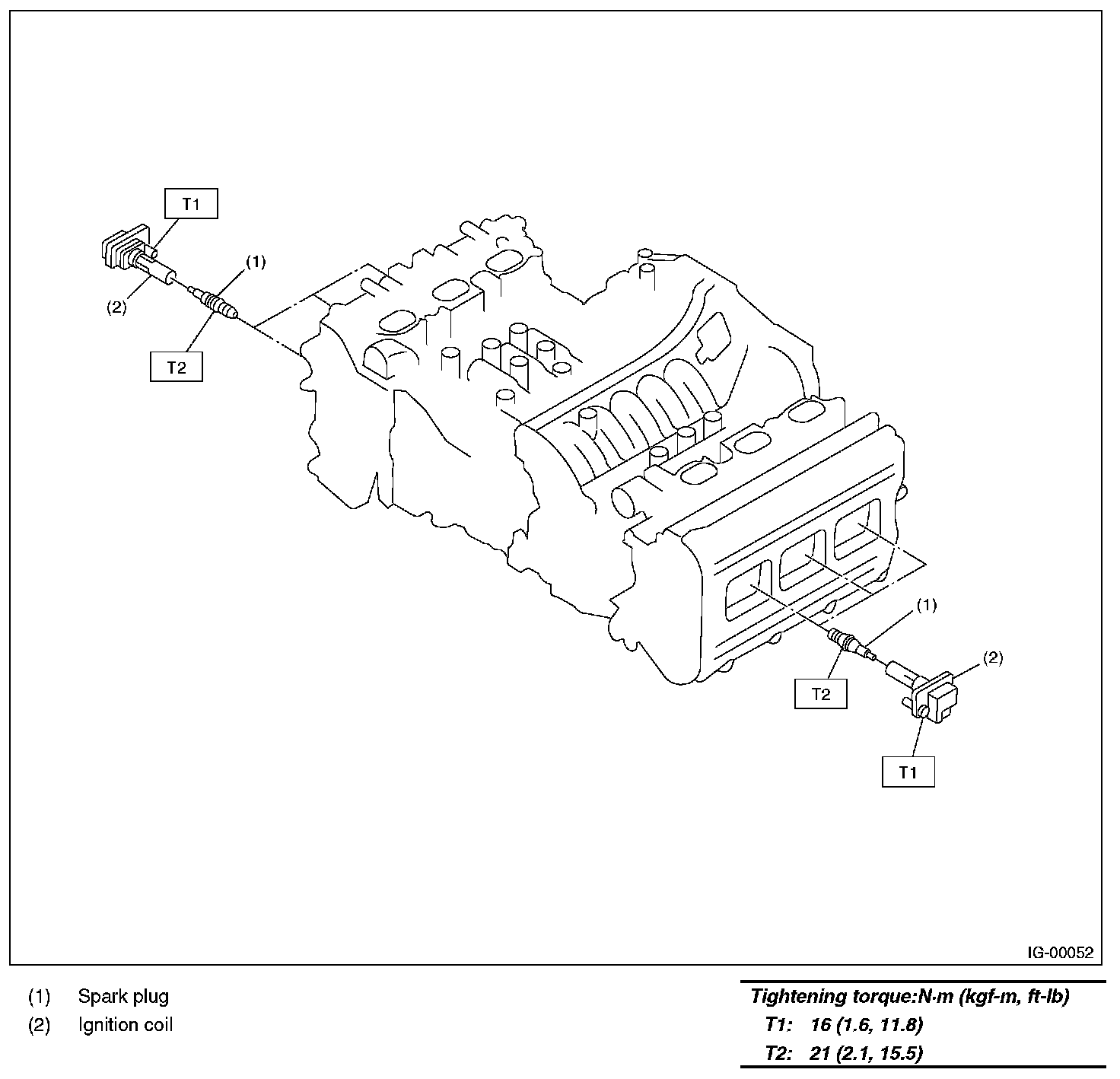
Ignition System

General Description

COMPONENT