lemon-mirror:
Home >> Subaru >> 2011 >> Outback F6-3.6L DOHC >> Repair and Diagnosis >> Diagrams >> Exploded Views >> Engine >> System Diagram

System Diagram

COMPONENT

V-BELT





CHAIN COVER





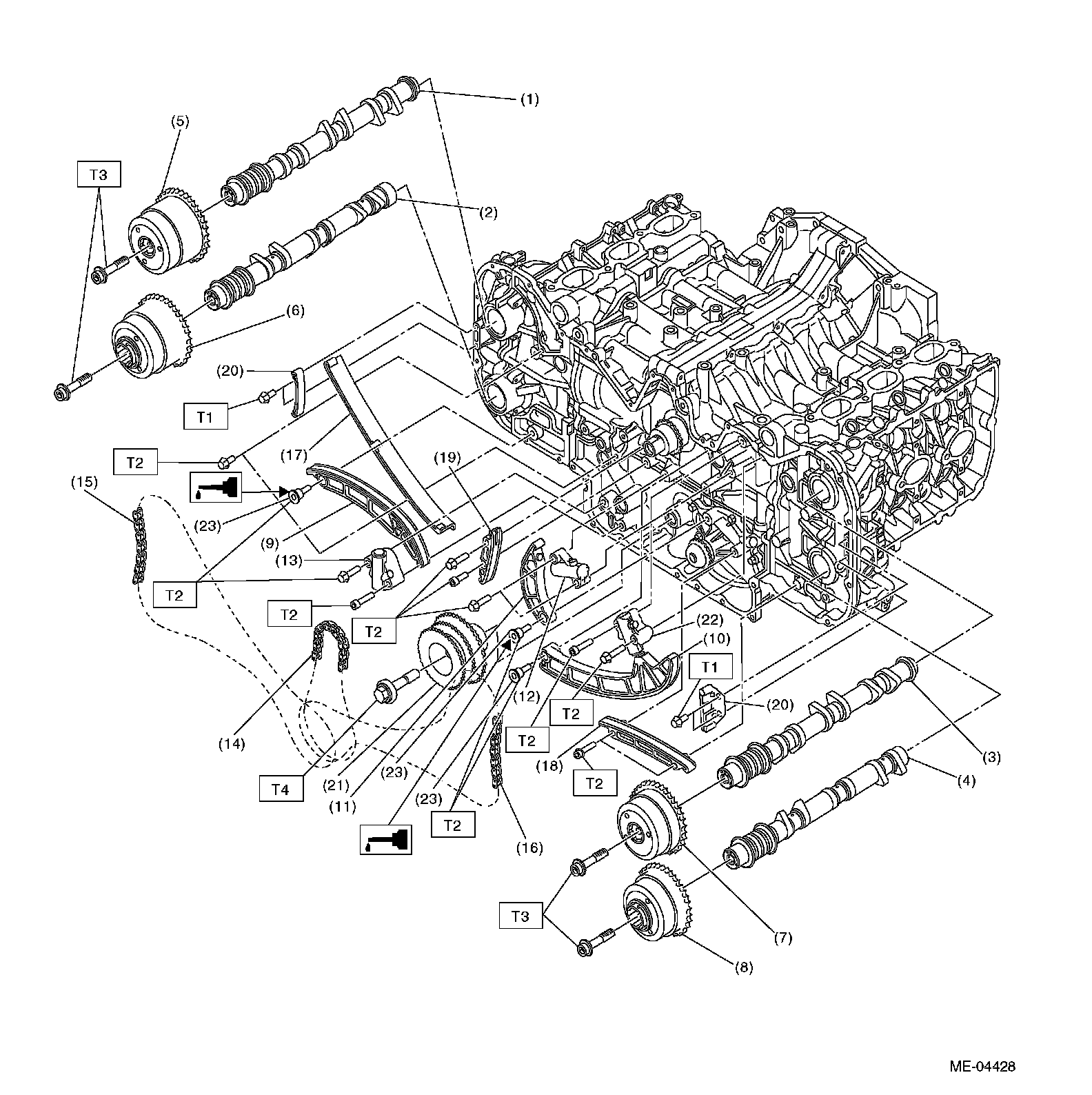
TIMING CHAIN








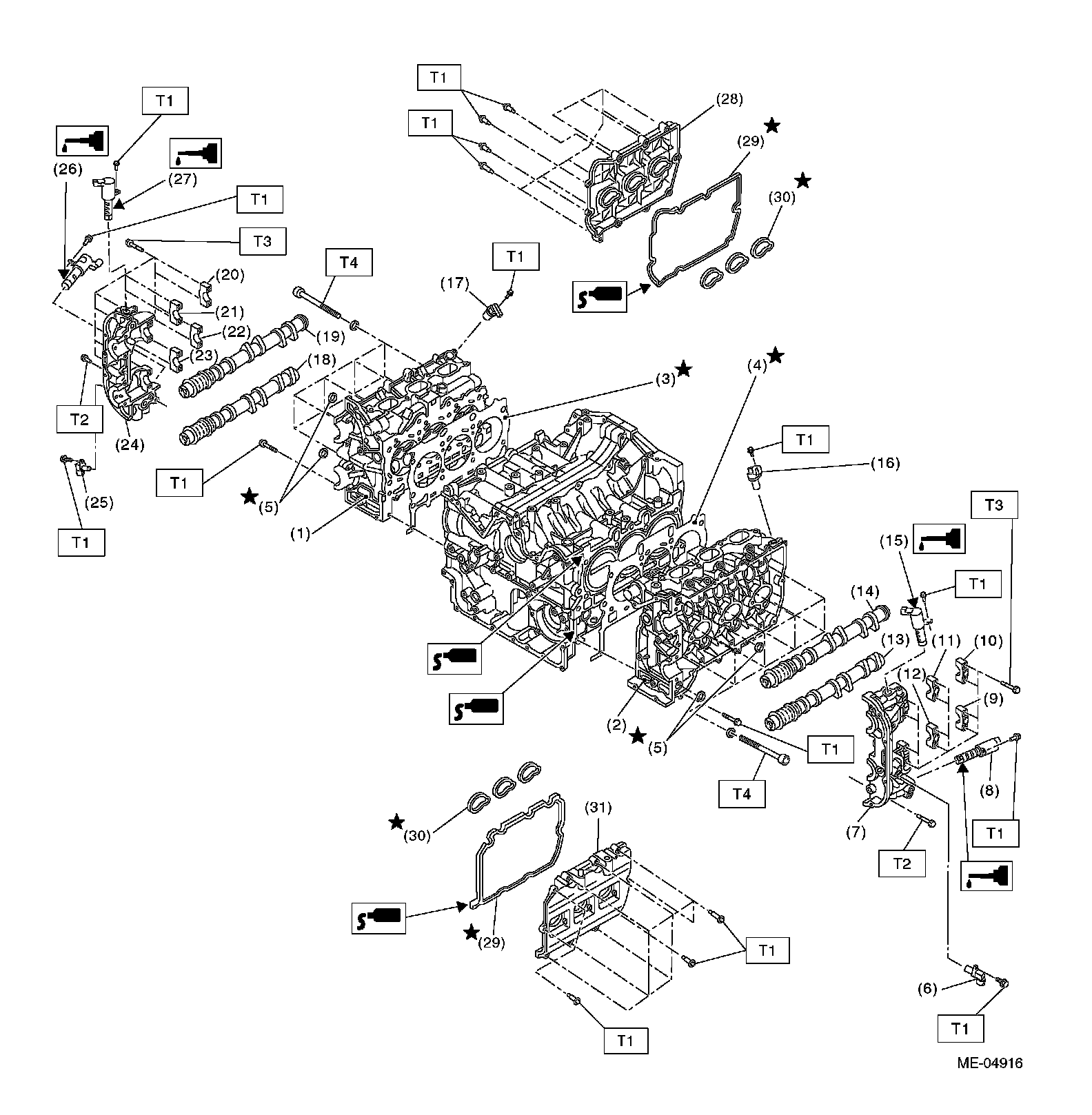
CYLINDER HEAD AND CAMSHAFT








CYLINDER HEAD AND VALVE ASSEMBLY





CYLINDER BLOCK








CRANKSHAFT AND PISTON





ENGINE HARNESS

Engine harness assembly diagram 1








Engine harness assembly diagram 2





ENGINE MOUNTING