lemon-mirror:
Home >> Subaru >> 2011 >> Outback F4-2.5L SOHC >> Repair and Diagnosis >> Windows and Glass >> Windows >> Power Window Switch >> Testing and Inspection

Power Window Switch: Testing and Inspection

INSPECTION

1. MAIN SWITCH

- Driver's side

CAUTION: Since the driver's side power window switch is controlled by CPU, do not check continuity for switch alone with the circuit tester. Performing continuity check with circuit tester may damage the driver's side power window switch circuit.

Check output from the power window main switch to driver's side motor using the oscilloscope function in the Subaru Select Monitor.

1. Remove the power window main switch.
2. Connect the battery and the Subaru Select Monitor to the power window main switch terminal.

CAUTION: Never mix up the terminals when connecting the power window main switch connector and battery. If connected to a wrong terminal, the power window main switch may be damaged.

NOTE:
- When the battery is connected to the power window main switch terminal, the letters "AUTO" on the driver's side knob illuminates.
- For detailed procedures, refer to "Subaru Select Monitor Operation Manual".







3. Operate the main switch and check the output.

NOTE: Since output time during window UP operation is extremely short, it cannot be checked without using a measuring instrument such as oscilloscope. Output is constantly produced while the switch is operated for window DOWN operation.







4. Replace the power window main switch if the inspection result is not within the standard value.

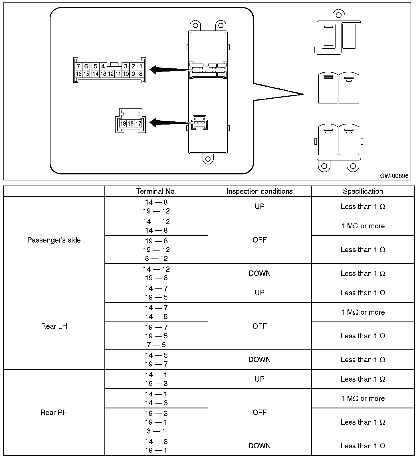
- Except for driver's seat

1. Check the resistance between main switch terminals.







2. Replace the main switch if the inspection result is not within the standard value.

2. SUB-SWITCH

1. Remove the sub switch.
2. Check the resistance between sub switch terminals.







3. Replace the sub switch if the inspection result is not within the standard value.