lemon-mirror:
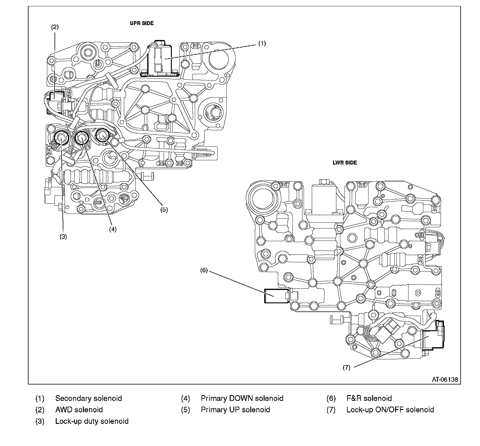
Home >> Subaru >> 2011 >> Outback F4-2.5L SOHC >> Repair and Diagnosis >> Powertrain Management >> Transmission Control Systems >> Locations >> Solenoid

Solenoid

SOLENOID