lemon-mirror:
Home >> Subaru >> 2011 >> Outback F4-2.5L SOHC >> Repair and Diagnosis >> Powertrain Management >> Transmission Control Systems >> Diagrams >> Electrical Diagrams >> AT Control System

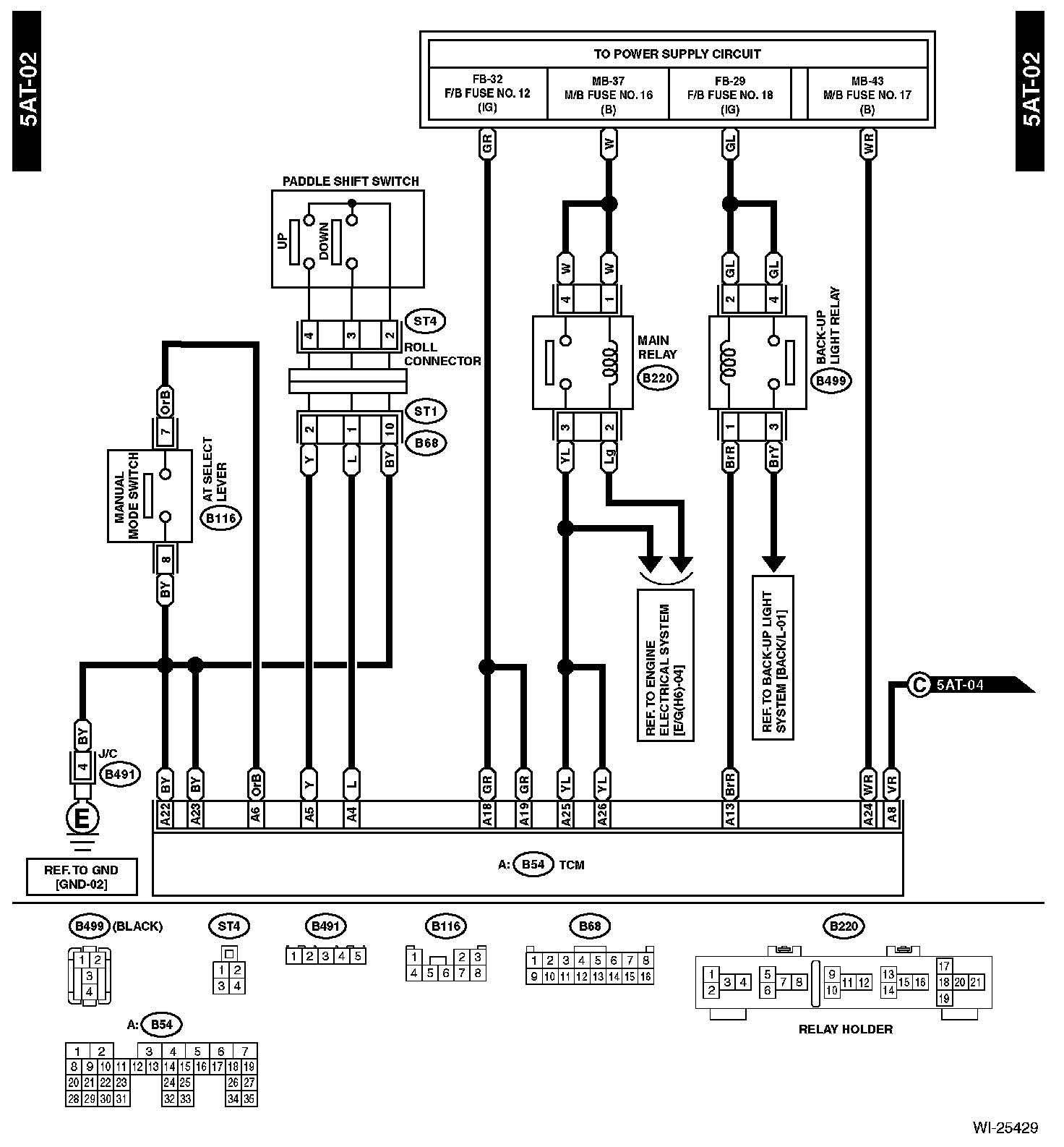
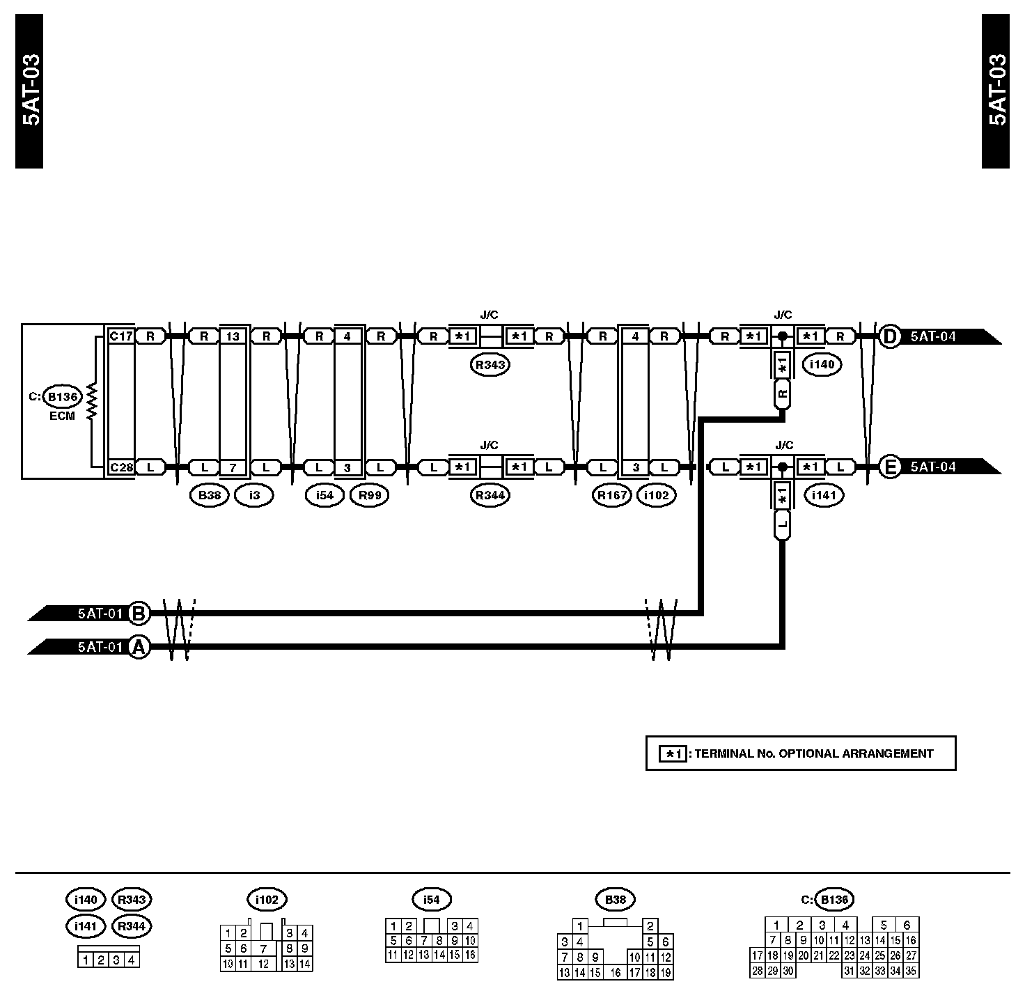
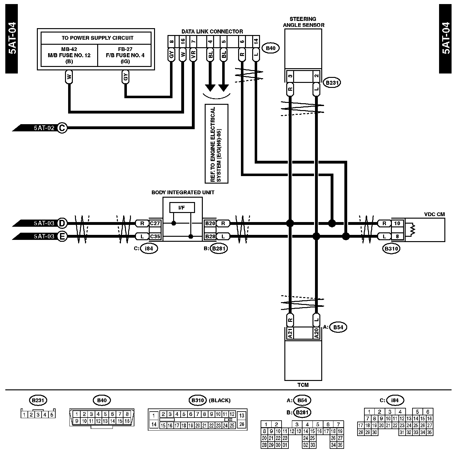
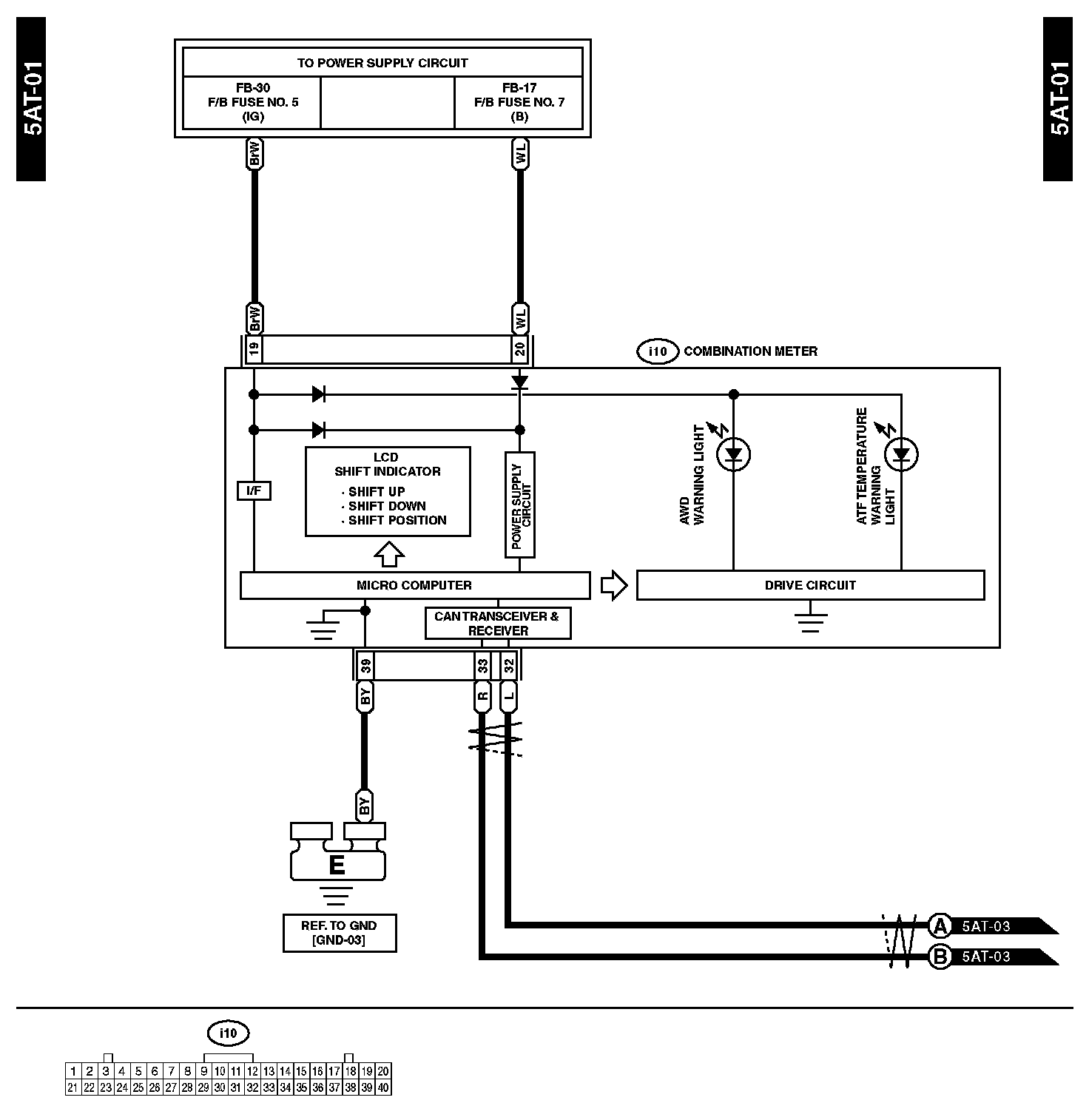
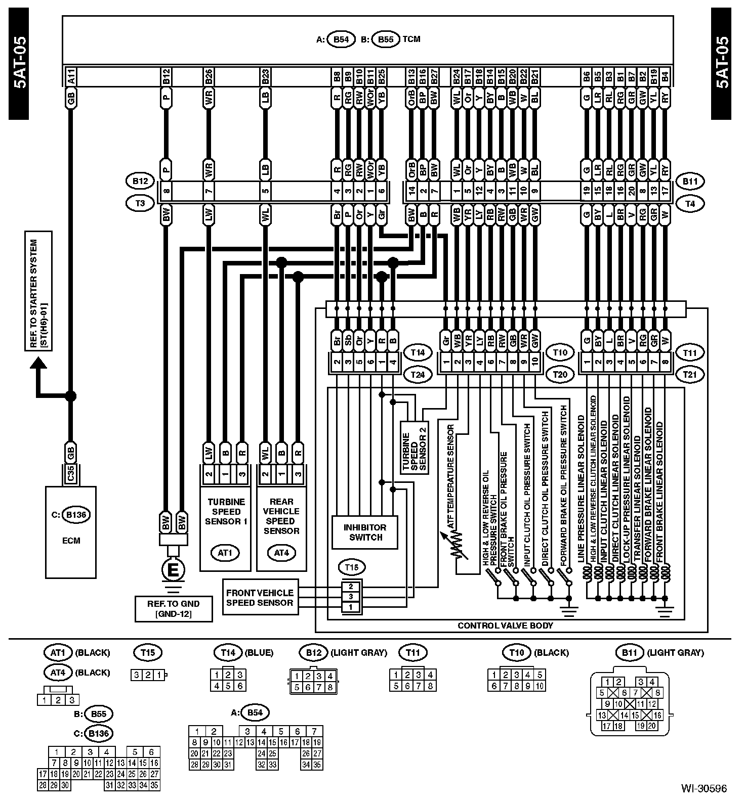
AT Control System

AT Control System


















Connector And Ground Locations: The Locations of the connectors or Grounds Shown within these diagrams can be found via the connector or ground number at Vehicle Locations. Locations