lemon-mirror:
Home >> Subaru >> 2011 >> Outback F4-2.5L SOHC >> Repair and Diagnosis >> Powertrain Management >> Computers and Control Systems >> Air Flow Meter/Sensor >> Testing and Inspection

Air Flow Meter/Sensor: Testing and Inspection

Mass Air Flow and Intake Air Temperature Sensor

INSPECTION

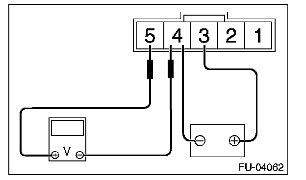
1. CHECK MASS AIR FLOW SENSOR UNIT

1. Connect the terminal No. 3 to the battery positive terminal and the terminal No. 4 to the battery ground terminal, the circuit tester positive terminal to terminal No. 5 and the circuit tester ground terminal to terminal No. 4.






2. Check the voltage changes when air is blown to the mass air flow sensor unit in arrow direction.






2. CHECK INTAKE AIR TEMPERATURE SENSOR UNIT

Measure the resistance between intake air temperature sensor terminals.






3. OTHER INSPECTIONS

1. Check that the mass air flow and intake air temperature sensor has no deformation, cracks or other damages.
2. Check that the mass air flow and intake air temperature sensor has no dirt.