lemon-mirror:
Home >> Subaru >> 2011 >> Outback F4-2.5L SOHC >> Repair and Diagnosis >> Diagrams >> Exploded Views >> Brake Pedal Assy

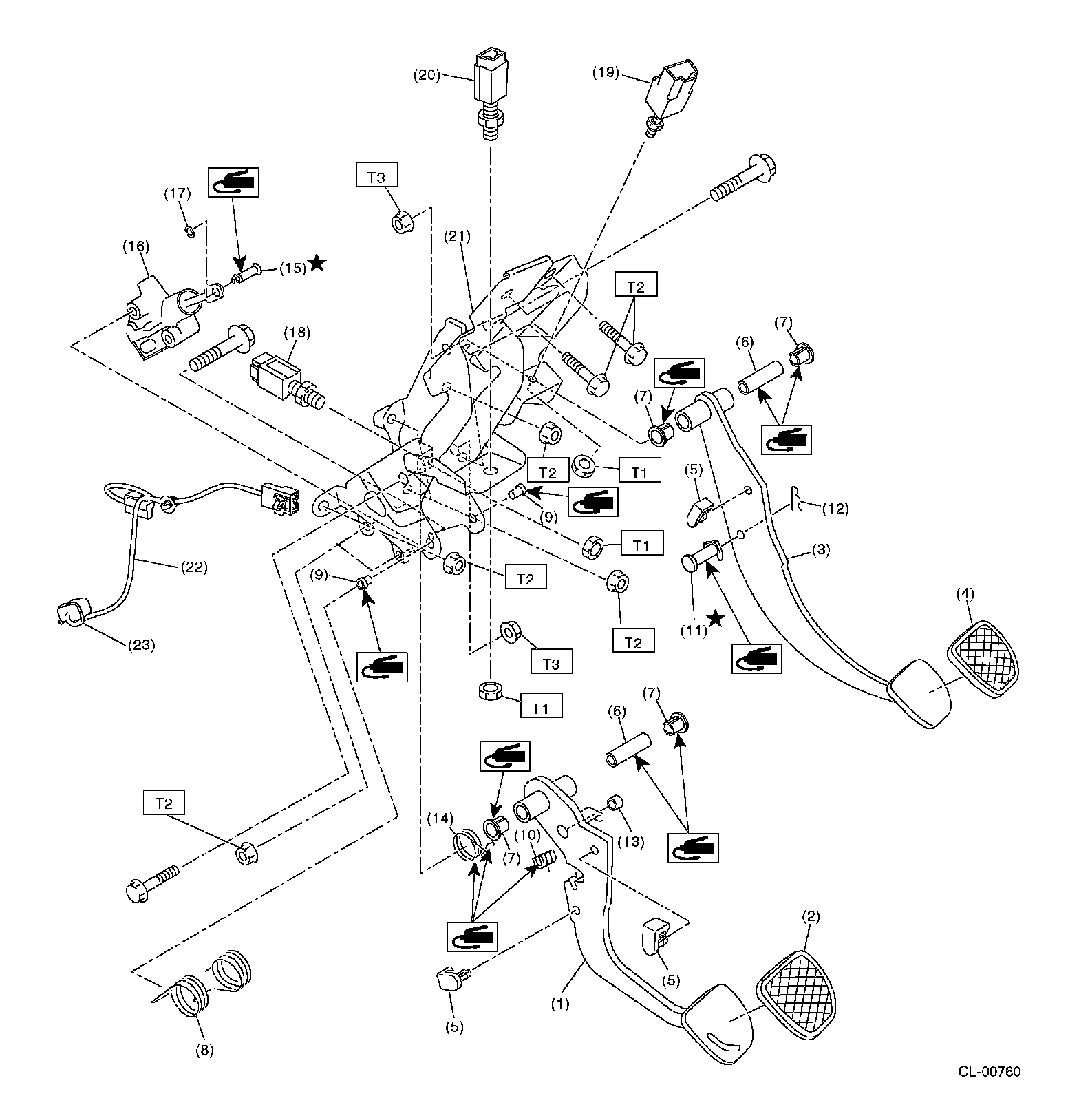
Brake Pedal Assy

BRAKE PEDAL

^ AT model





^ MT model