lemon-mirror:
Home >> Subaru >> 2011 >> Outback F4-2.5L SOHC >> Repair and Diagnosis >> Diagrams >> Exploded Views >> Alternator >> Generator Bracket

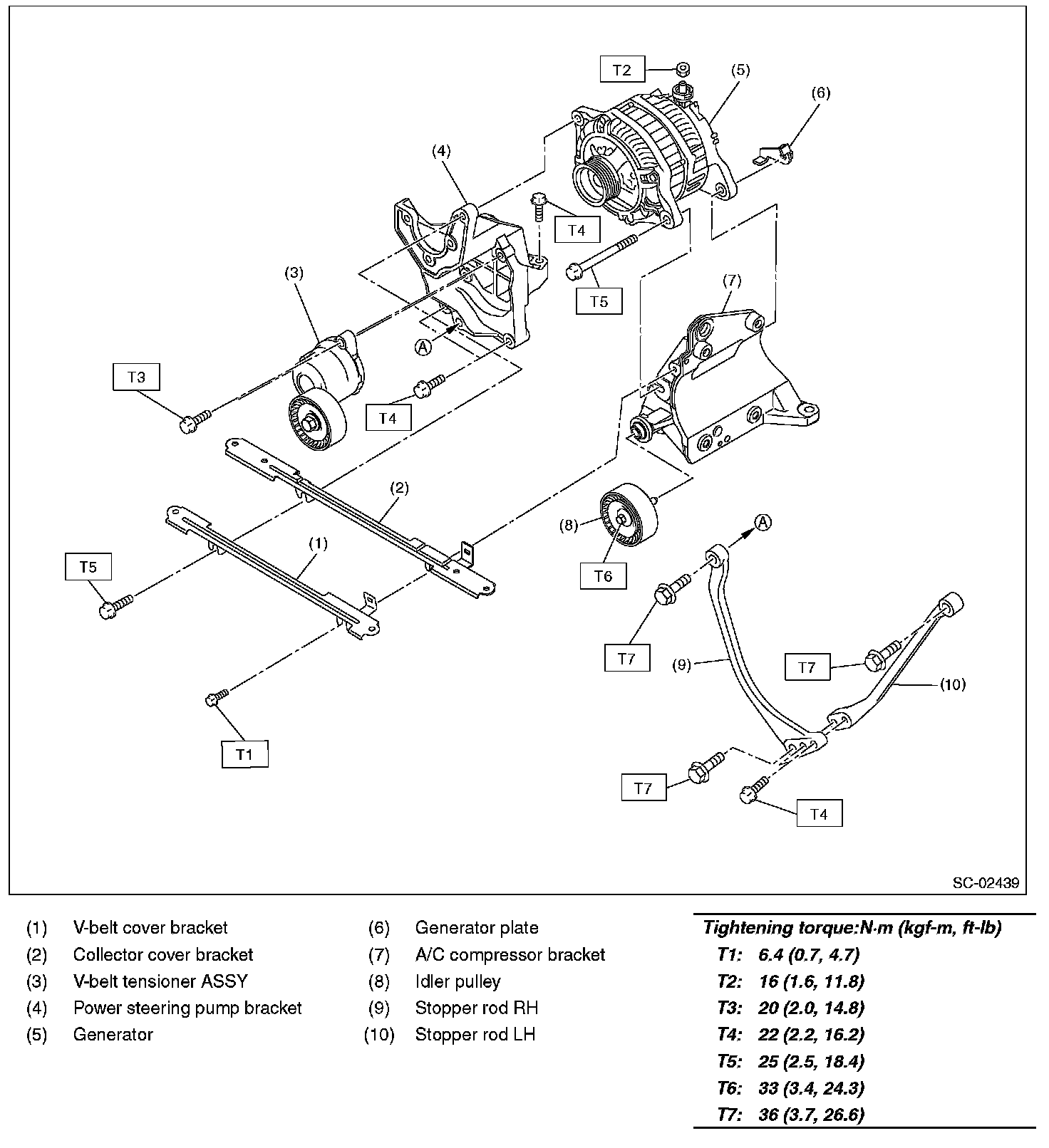
Generator Bracket

General Description

GENERATOR BRACKET

- 2.5 L model