lemon-mirror:
Home >> Subaru >> 2011 >> Legacy F4-2.5L DOHC Turbo >> Repair and Diagnosis >> Diagrams >> Exploded Views >> Engine >> System Diagram

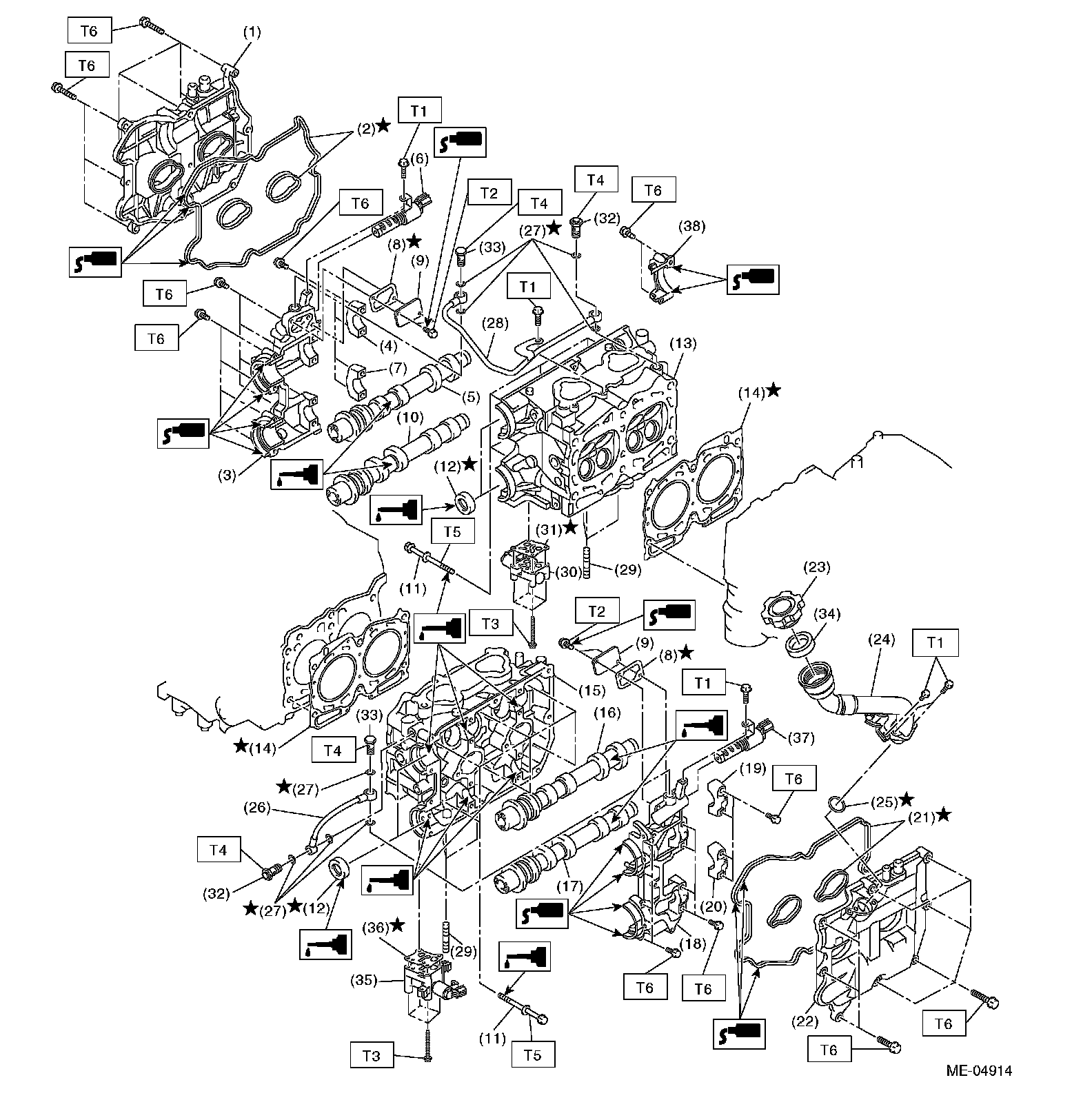
System Diagram

COMPONENT

V-BELT





TIMING BELT





CYLINDER HEAD AND CAMSHAFT








CYLINDER HEAD AND VALVE ASSEMBLY





CYLINDER BLOCK








CRANKSHAFT AND PISTON





ENGINE MOUNTING