lemon-mirror:
Home >> Subaru >> 2011 >> Forester F4-2.5L DOHC >> Repair and Diagnosis >> Powertrain Management >> Computers and Control Systems >> Main Relay (Computer/Fuel System) >> Testing and Inspection

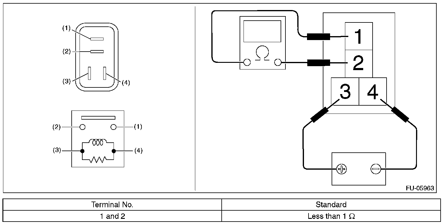
Main Relay (Computer/Fuel System): Testing and Inspection

Main Relay

INSPECTION

1. Check that the main relay has no deformation, cracks or other damages.
2. Measure the resistance between main relay terminals.






3. Connect battery positive terminal to terminal No. 3 and battery ground terminal to terminal No. 4, and measure the resistance between the main relay terminals.