lemon-mirror:
Home >> Subaru >> 2011 >> Forester F4-2.5L DOHC >> Repair and Diagnosis >> Diagrams >> Exploded Views >> Automatic Transmission/Transaxle >> System Diagram

System Diagram

TORQUE CONVERTER AND CASE








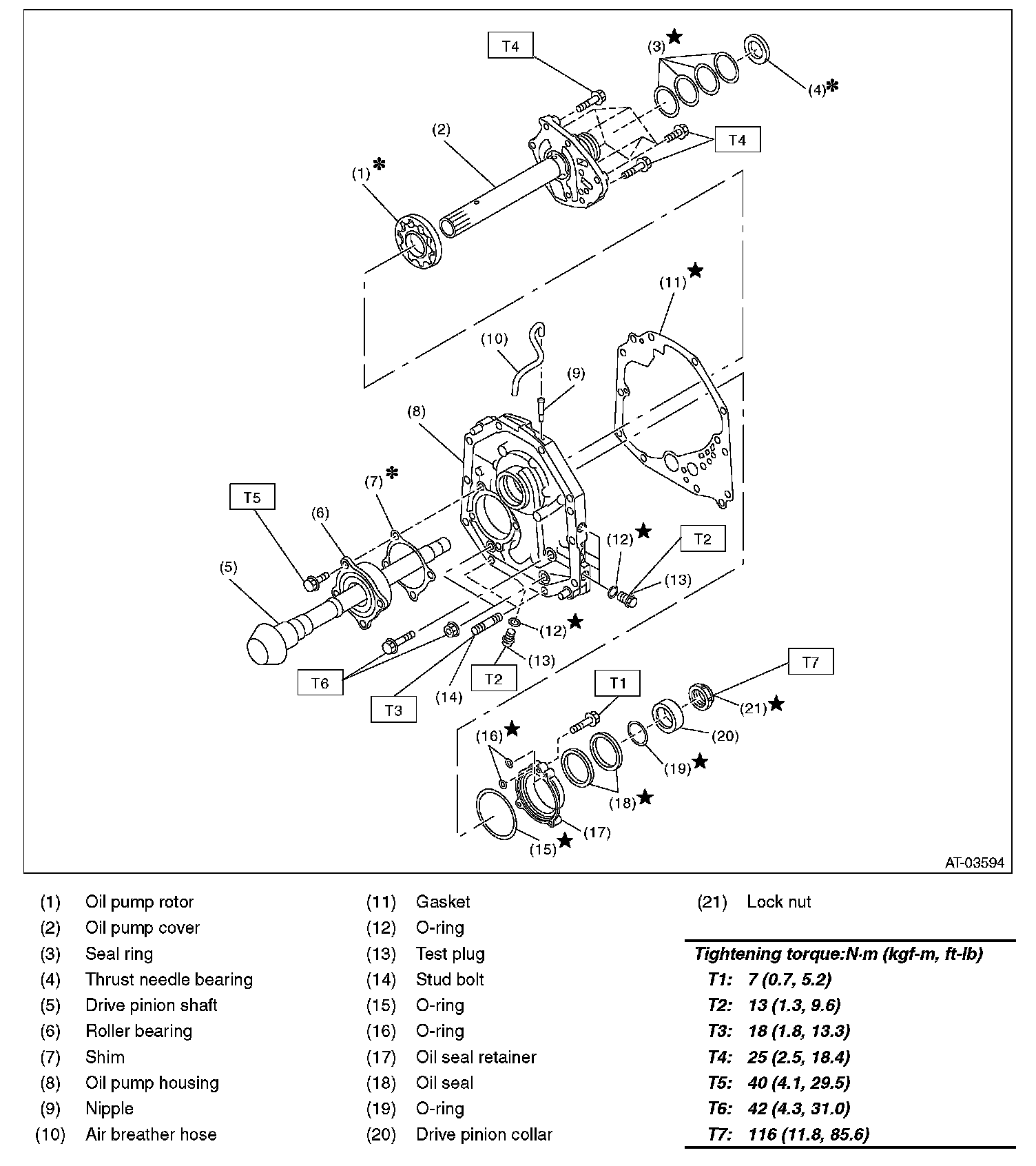
OIL PUMP





TRANSMISSION CASE AND CONTROL DEVICE





CONTROL VALVE AND HARNESS ROUTING





HIGH CLUTCH AND REVERSE CLUTCH





PLANETARY GEAR AND 2-4 BRAKE





LOW CLUTCH AND LOW & REVERSE BRAKE





REDUCTION GEAR





DIFFERENTIAL GEAR





TRANSFER AND EXTENSION CASE





TRANSMISSION MOUNTING