lemon-mirror:
Home >> Subaru >> 2011 >> Forester F4-2.5L DOHC Turbo >> Repair and Diagnosis >> Powertrain Management >> Computers and Control Systems >> Engine Control Module >> Testing and Inspection >> Pinout Values and Diagnostic Parameters

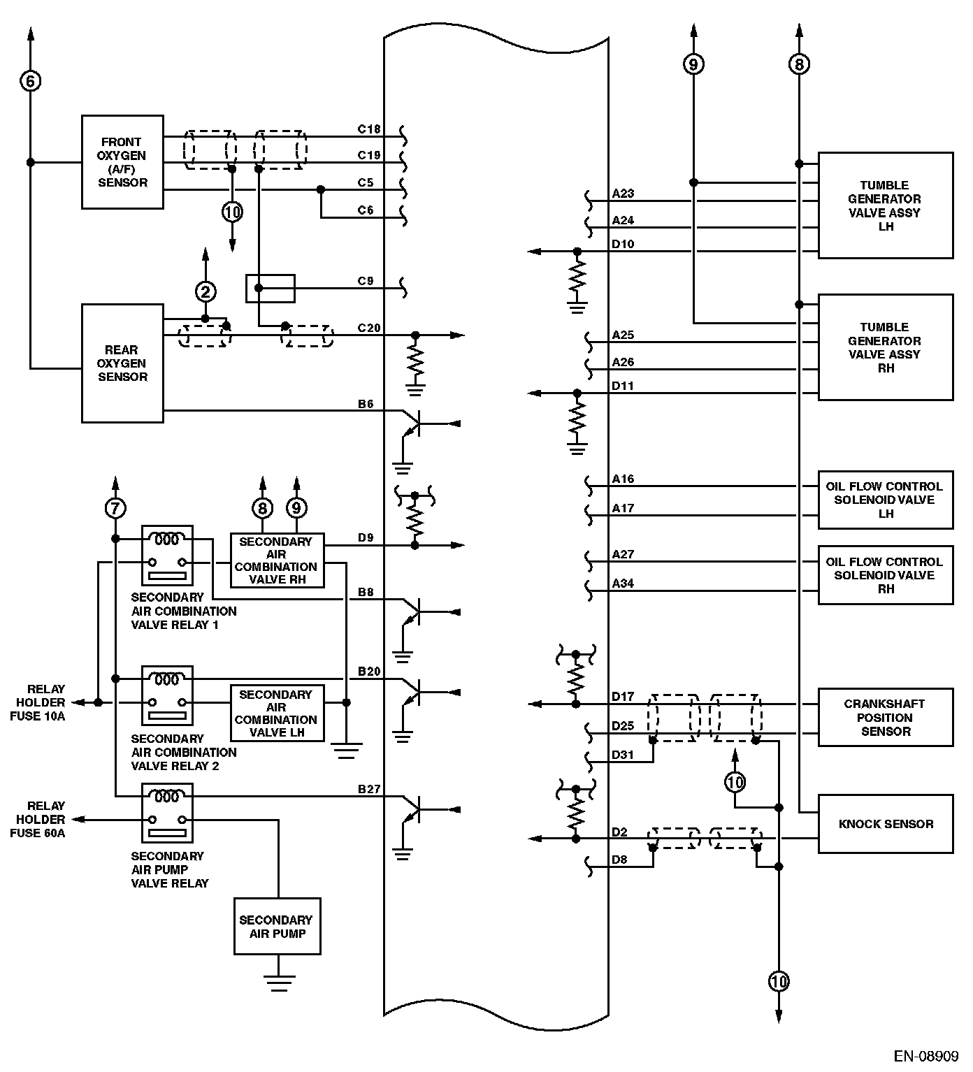
Pinout Values and Diagnostic Parameters

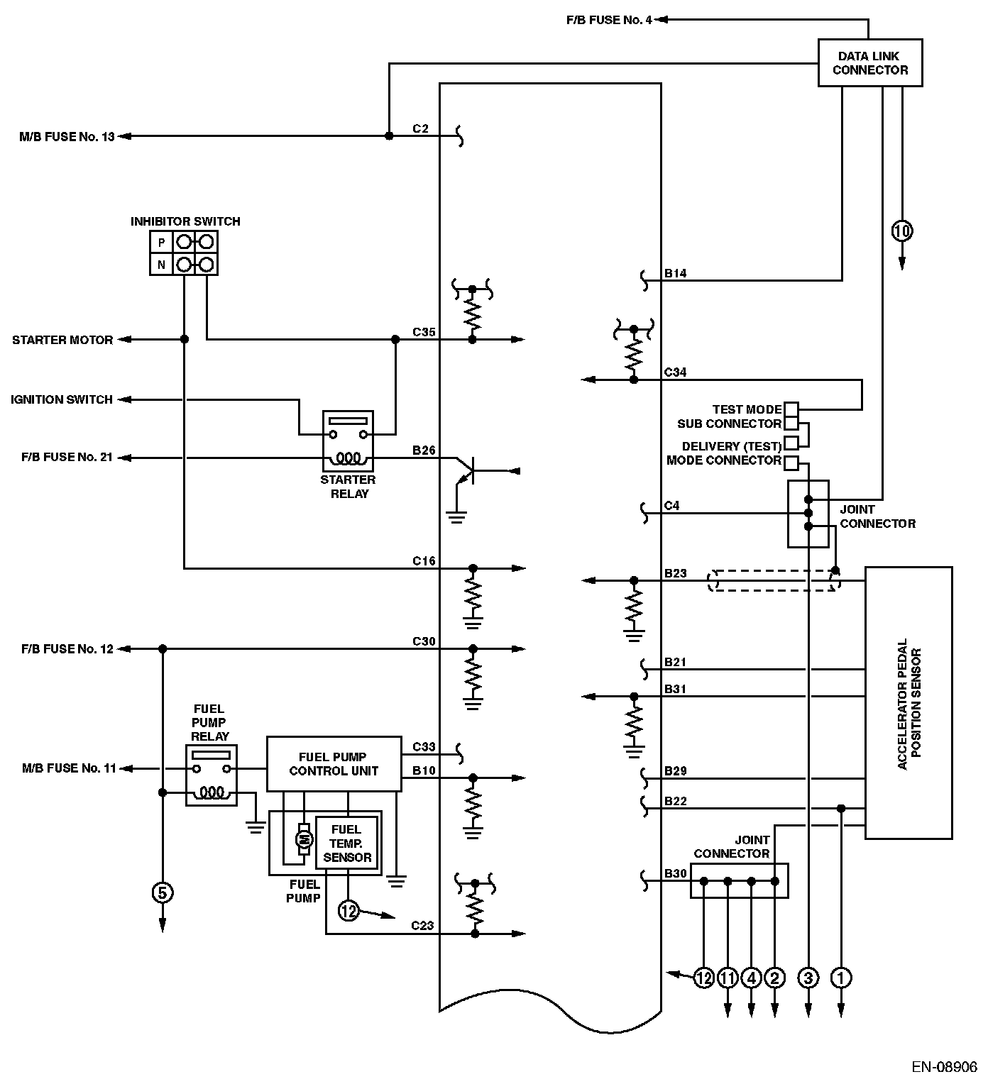
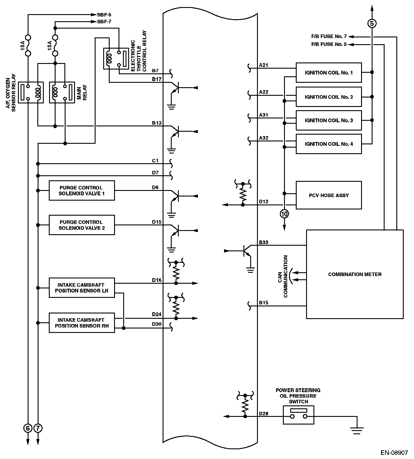
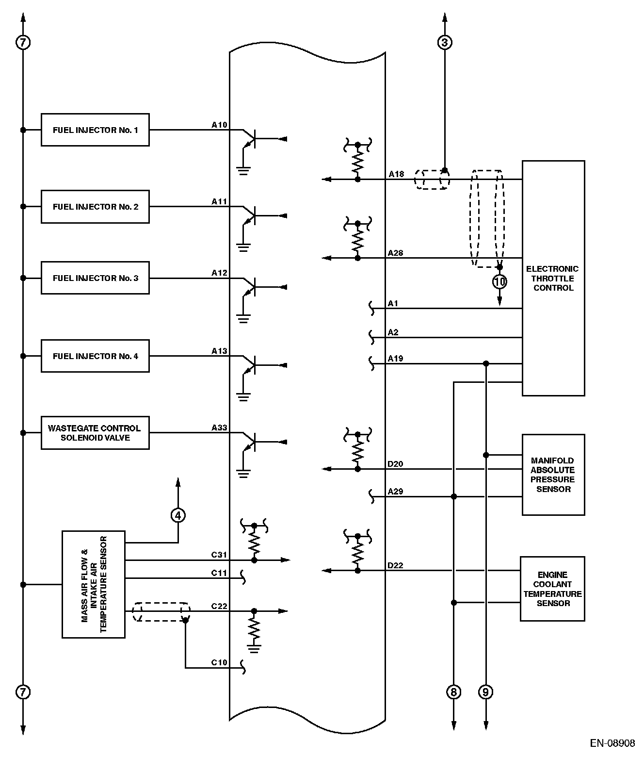
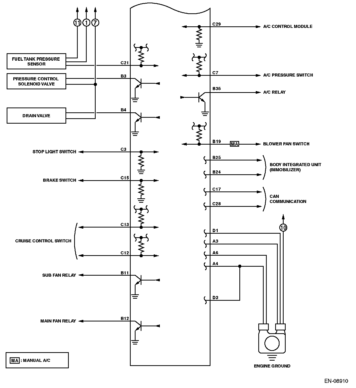
Engine Control Module (ECM) I/O Signal

ELECTRICAL SPECIFICATION


















Input/output name:
- Crankshaft position sensor
- Intake camshaft position sensor RH
- Intake camshaft position sensor LH

Measuring condition:
- After warming-up
- At idling