lemon-mirror:
Home >> Subaru >> 2011 >> Forester F4-2.5L DOHC Turbo >> Repair and Diagnosis >> Diagrams >> Exploded Views >> Engine >> Intake Manifold >> Fuel Injection

Fuel Injection

COMPONENT

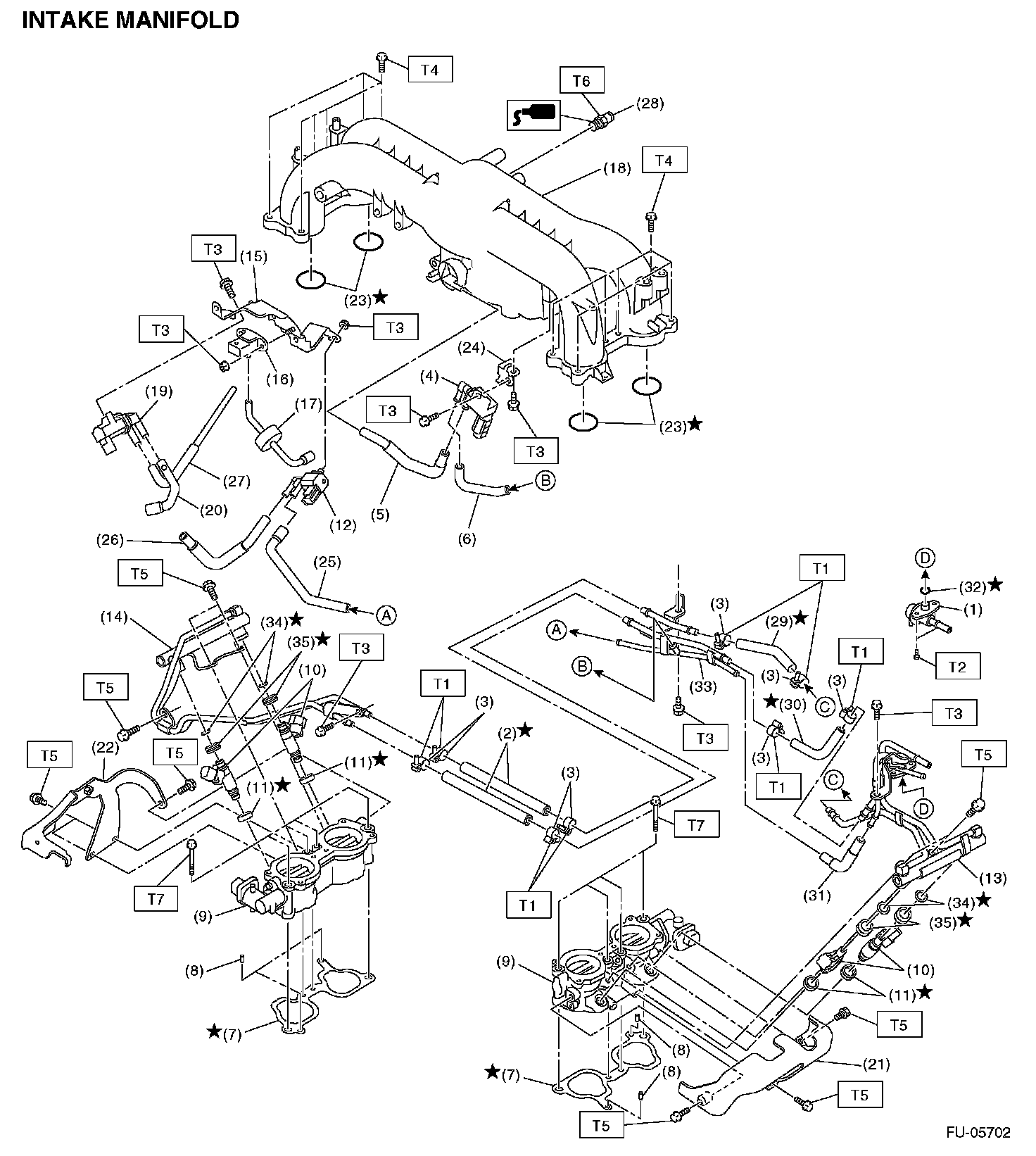
INTAKE MANIFOLD