lemon-mirror:
Home >> Subaru >> 2010 >> Tribeca F6-3.6L DOHC >> Repair and Diagnosis >> Powertrain Management >> Ignition System >> Diagrams >> Exploded Views

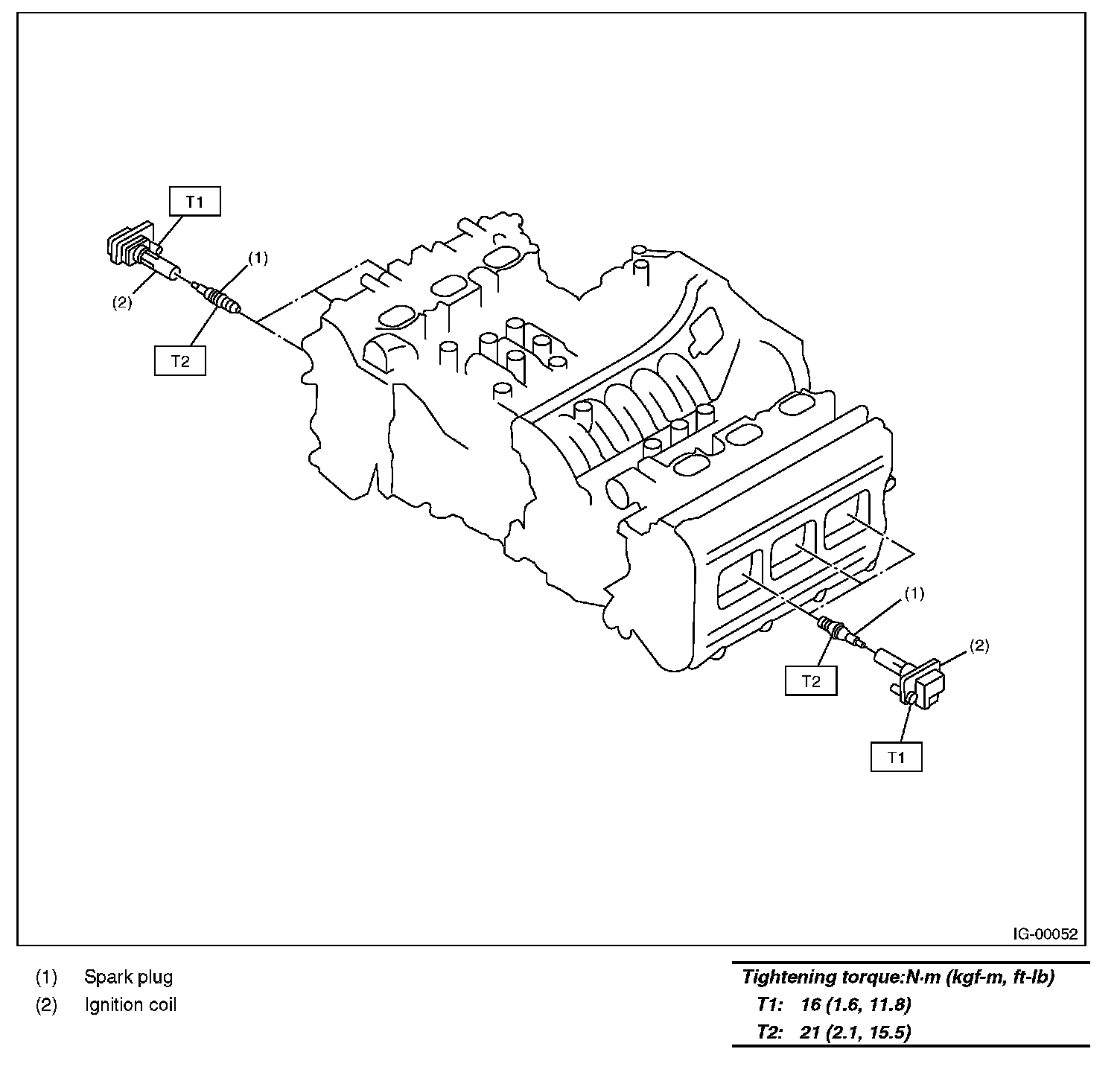
Exploded Views

COMPONENT

Component: