lemon-mirror:
Home >> Subaru >> 2010 >> Outback F6-3.6L DOHC >> Repair and Diagnosis >> Powertrain Management >> Ignition System >> Testing and Inspection

Ignition System: Testing and Inspection

IGNITION CONTROL SYSTEM

CAUTION: After servicing or replacing faulty parts, perform Clear Memory Mode Clear Memory Mode, and Inspection Mode Preparation For the Inspection Mode

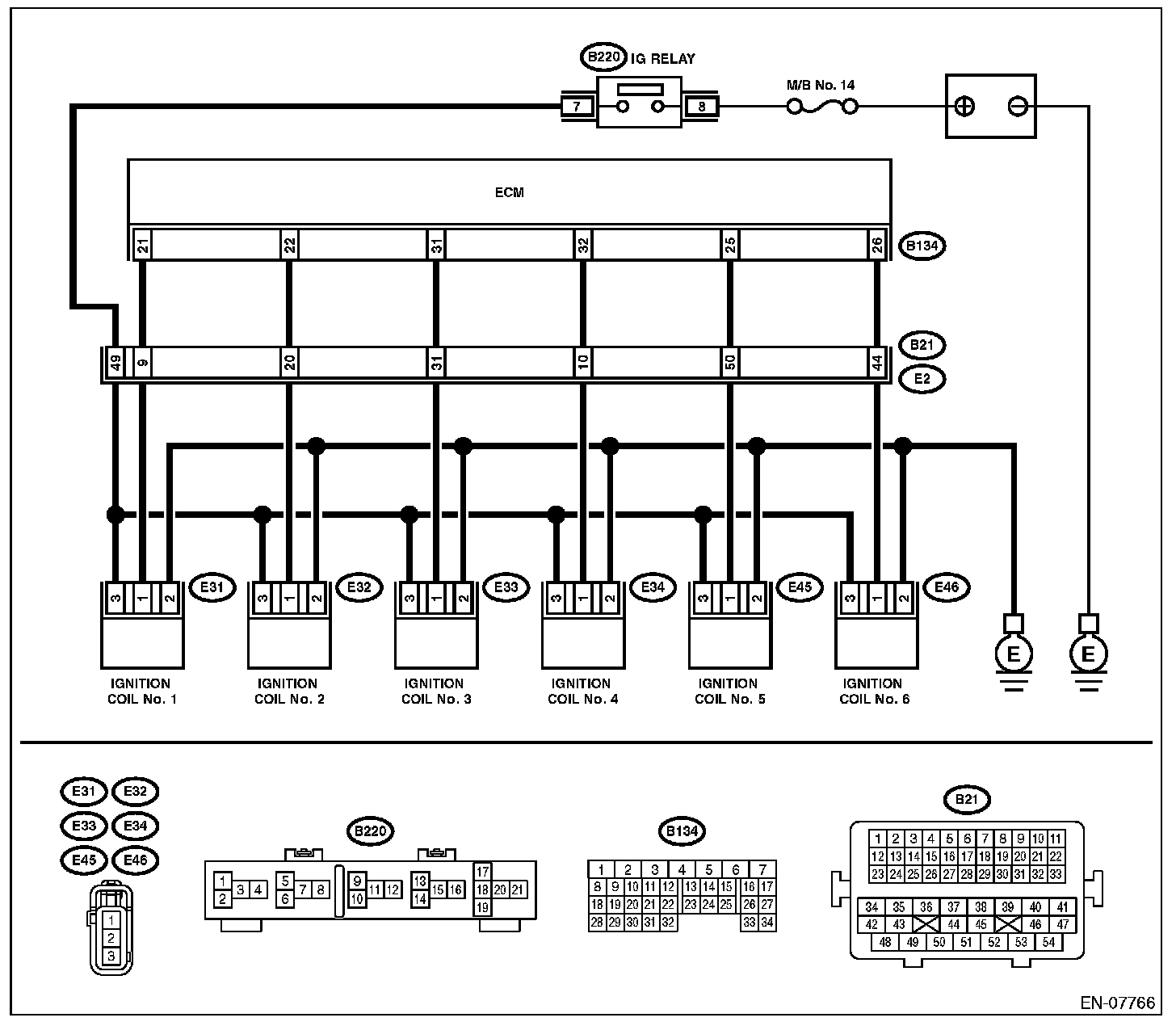
WIRING DIAGRAM






Step 1:




Step 2-6:




Step 7: