lemon-mirror:
Home >> Subaru >> 2010 >> Outback F6-3.6L DOHC >> Repair and Diagnosis >> Powertrain Management >> Computers and Control Systems >> Engine Control Module >> Testing and Inspection >> Pinout Values and Diagnostic Parameters

Pinout Values and Diagnostic Parameters

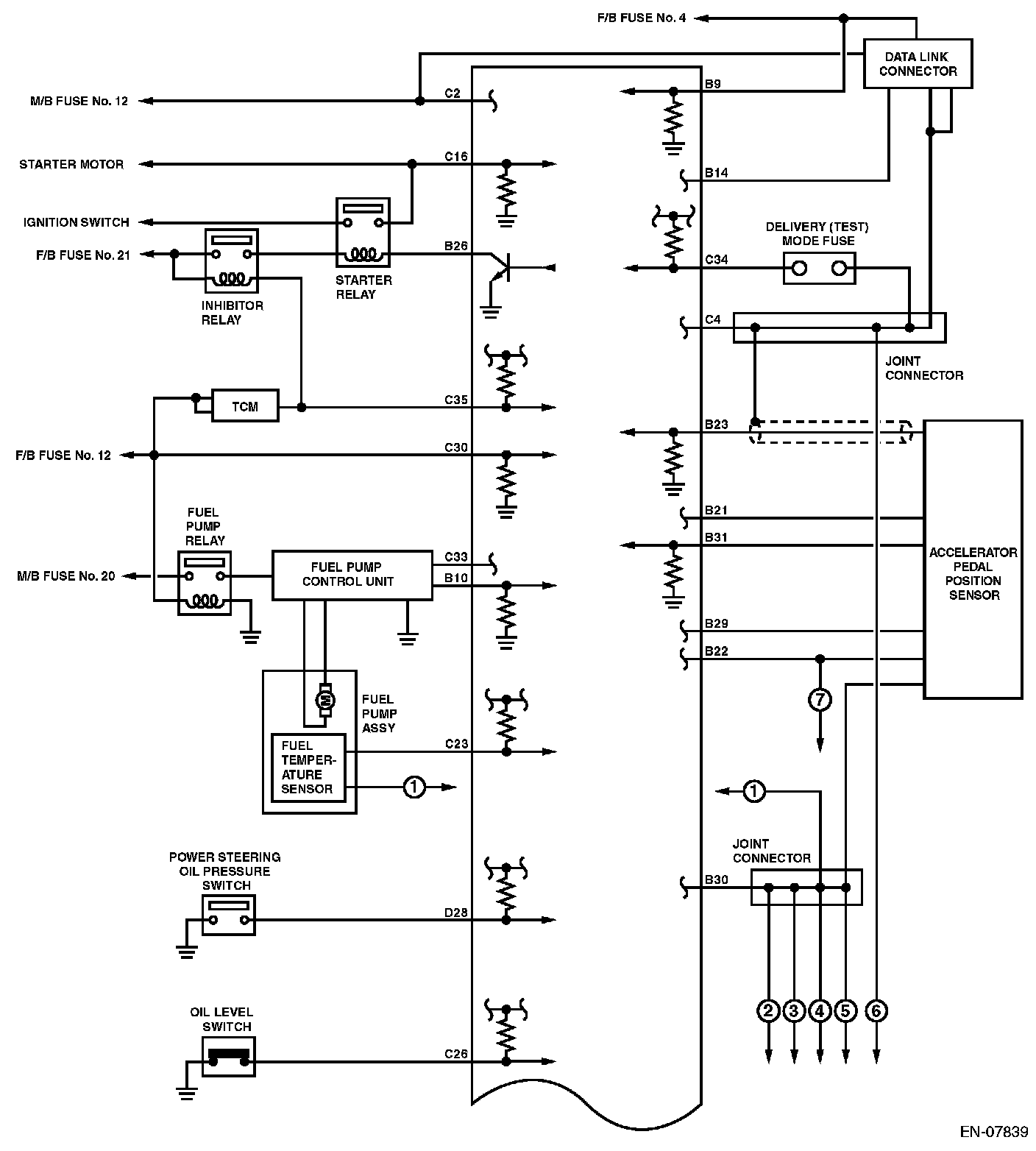
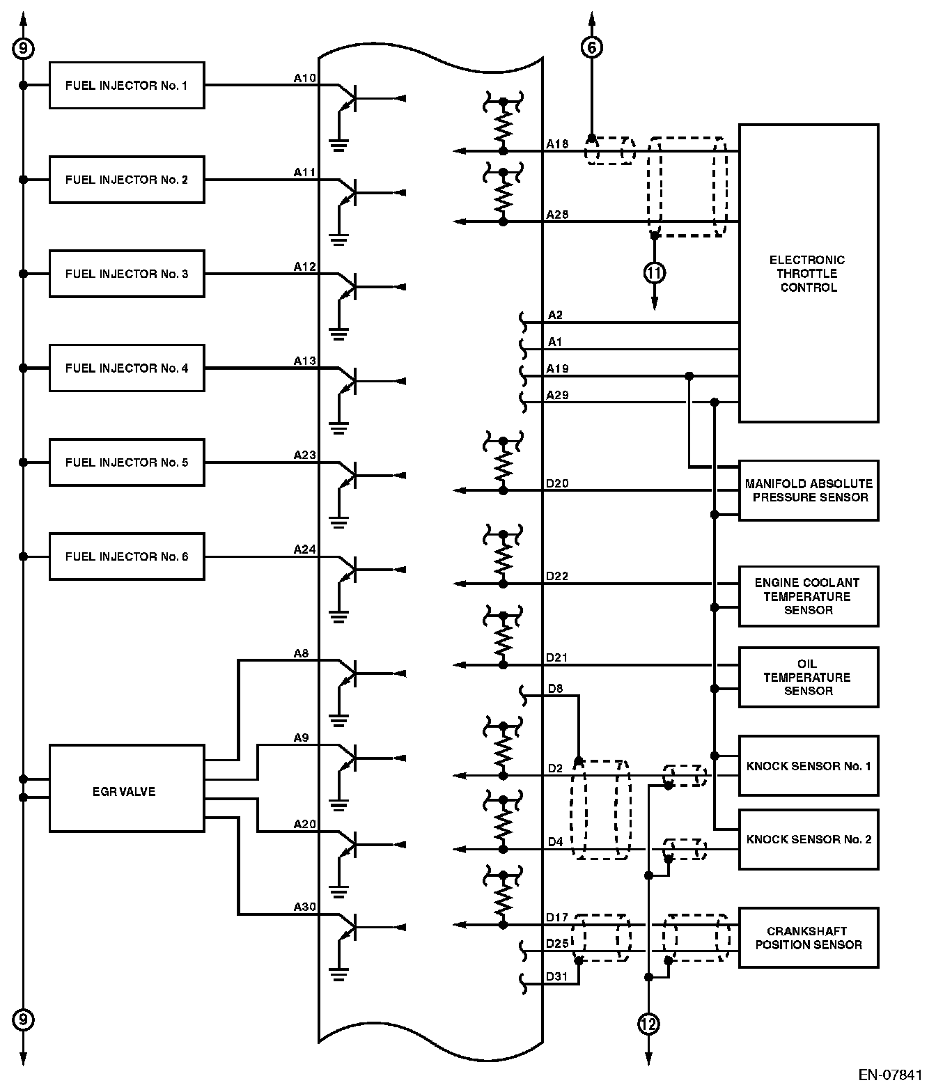
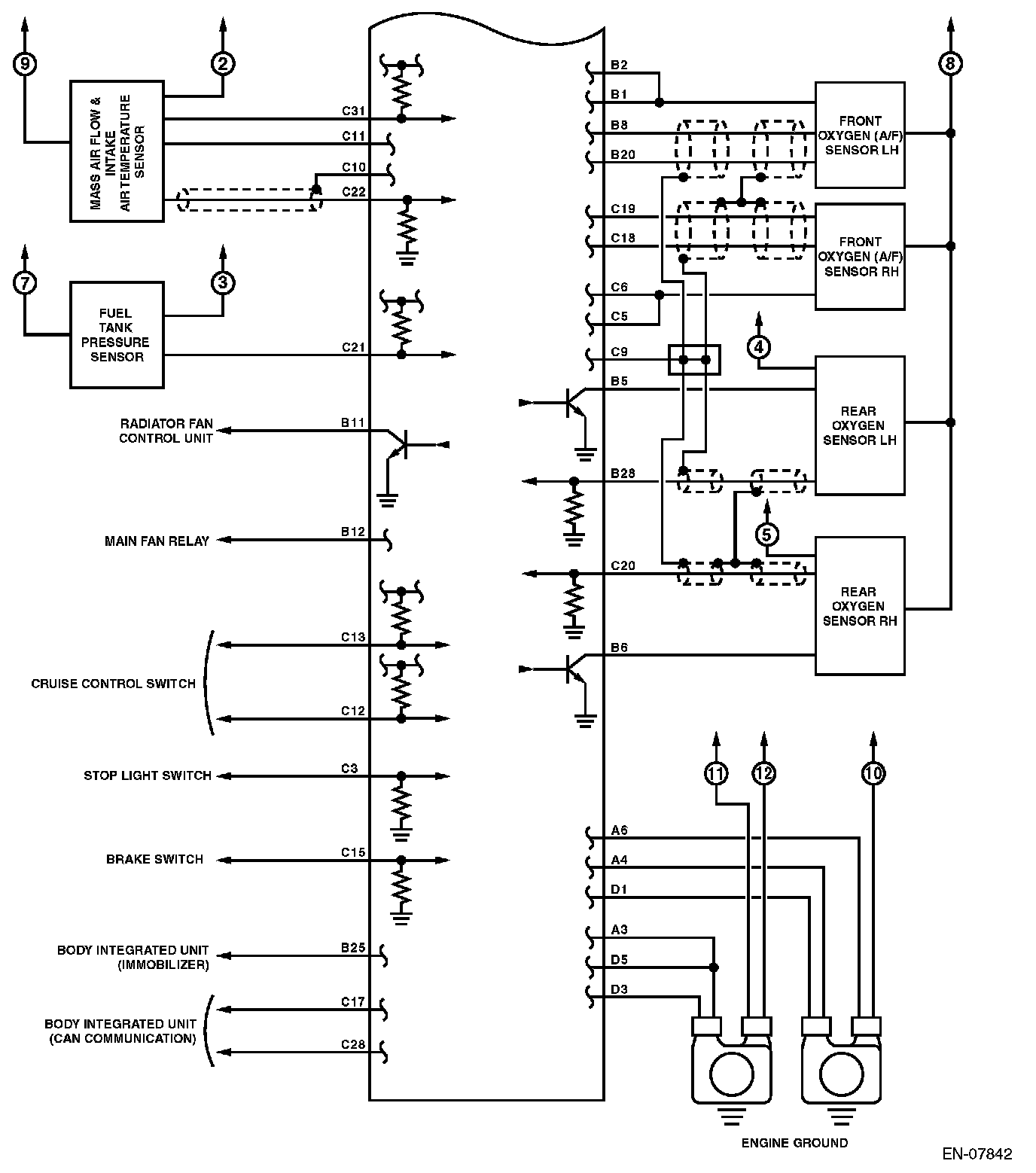
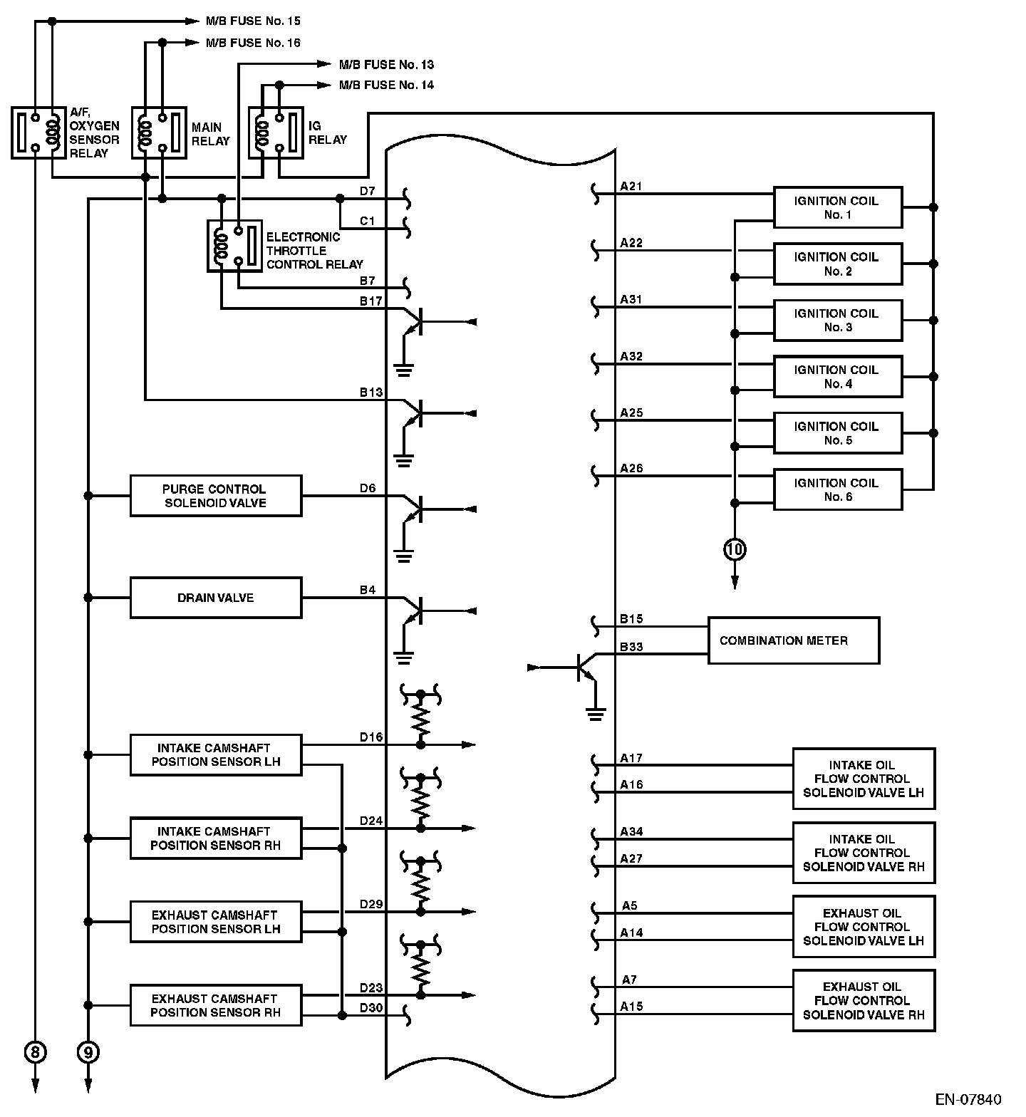
Engine Control Module (ECM) I/O Signal

ELECTRICAL SPECIFICATION

Engine Control Module (ECM) I/O Signal (Part 1):




Engine Control Module (ECM) I/O Signal (Part 2):




Engine Control Module (ECM) I/O Signal (Part 3):




Engine Control Module (ECM) I/O Signal (Part 4):




Engine Control Module (ECM) I/O Signal (Part 5):






Input/output name:
- Crankshaft position sensor
- Intake camshaft position sensor RH
- Intake camshaft position sensor LH
- Exhaust camshaft position sensor RH
- Exhaust camshaft position sensor LH

Measuring condition:
- After warming-up
- At idling

Engine Control Module (ECM) I/O Signal (Part 6):




Engine Control Module (ECM) I/O Signal (Part 7):




Engine Control Module (ECM) I/O Signal (Part 8):




Engine Control Module (ECM) I/O Signal (Part 9):




Engine Control Module (ECM) I/O Signal (Part 10):