lemon-mirror:
Home >> Subaru >> 2010 >> Outback F6-3.6L DOHC >> Repair and Diagnosis >> Diagrams >> Exploded Views >> Shifter M/T

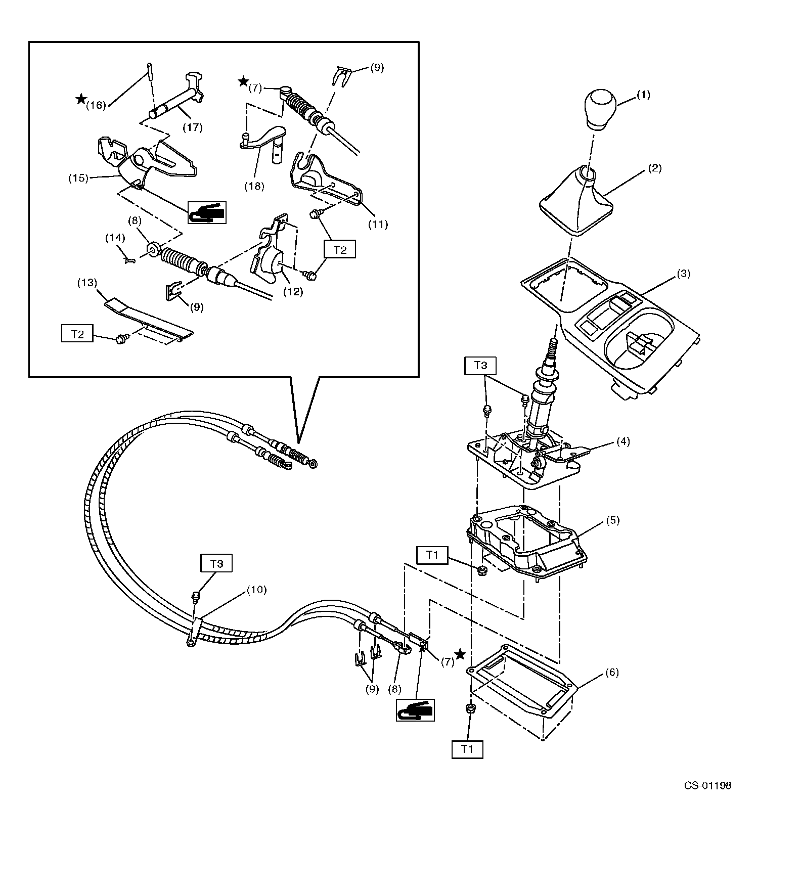
Shifter M/T

6MT GEAR SHIFT LEVER

6MT Gear Shift Lever Components (Part 1):




6MT Gear Shift Lever Components (Part 2):