lemon-mirror:
Home >> Subaru >> 2010 >> Outback F4-2.5L SOHC >> Repair and Diagnosis >> Diagrams >> Exploded Views >> Water Pump

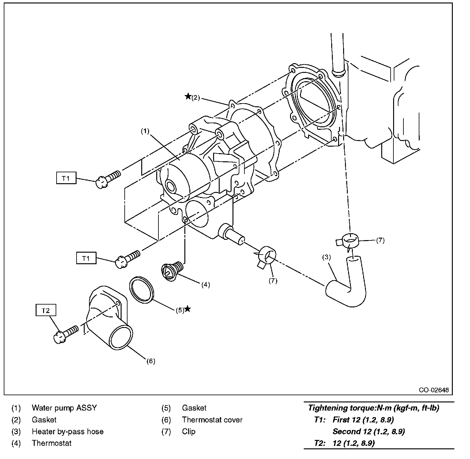
Water Pump

WATER PUMP