lemon-mirror:
Home >> Subaru >> 2010 >> Outback F4-2.5L SOHC >> Repair and Diagnosis >> Diagrams >> Exploded Views >> Engine >> System Diagram >> Valve Rocker Assy

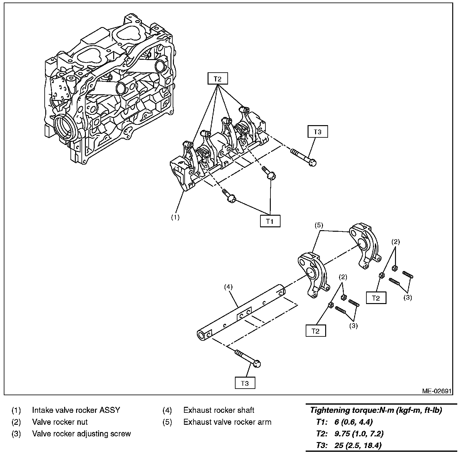
Valve Rocker Assy

VALVE ROCKER ASSY