lemon-mirror:
Home >> Subaru >> 2010 >> Forester F4-2.5L SOHC >> Repair and Diagnosis >> Powertrain Management >> Computers and Control Systems >> Locations >> Engine

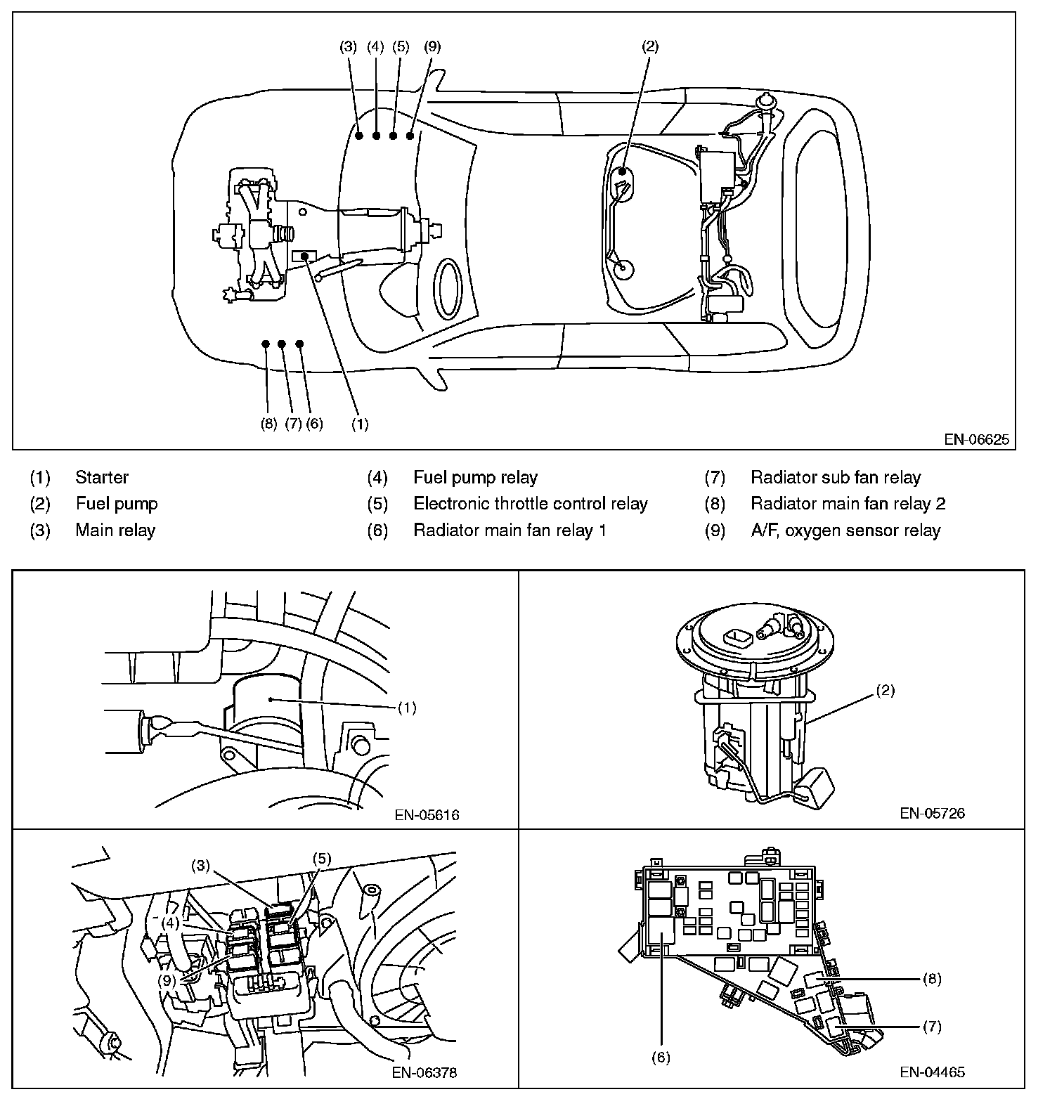
Engine

Electrical Component Location

LOCATION

CONTROL MODULE






SENSOR


















SOLENOID VALVE, ACTUATOR, EMISSION CONTROL SYSTEM PARTS AND IGNITION SYSTEM PARTS