lemon-mirror:
Home >> Subaru >> 2010 >> Forester F4-2.5L SOHC >> Repair and Diagnosis >> Powertrain Management >> Computers and Control Systems >> Air Flow Meter/Sensor >> Testing and Inspection

Air Flow Meter/Sensor: Testing and Inspection

Mass Air Flow and Intake Air Temperature Sensor

INSPECTION

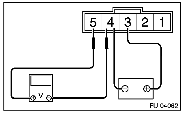
1. CHECK MASS AIR FLOW SENSOR UNIT
1. Connect battery positive terminal to terminal No. 3 and battery ground terminal to terminal No. 4, and circuit tester positive terminal to terminal No. 5 and circuit tester negative terminal to terminal No. 4.






2. Check that the voltage changes when air is blown to the mass air flow sensor unit from arrow direction.






2. CHECK INTAKE AIR TEMPERATURE SENSOR UNIT
Measure the resistance between intake air temperature sensor terminals.






3. OTHER INSPECTIONS
1. Check that the mass air flow and intake air temperature sensor has no deformation, cracks or other damages.
2. Check that the mass air flow and intake air temperature sensor has no dirt.