lemon-mirror:
Home >> Subaru >> 2010 >> Forester F4-2.5L SOHC >> Repair and Diagnosis >> Diagrams >> Exploded Views >> Engine >> System Diagram

System Diagram

COMPONENT

TIMING BELT





CYLINDER HEAD AND CAMSHAFT








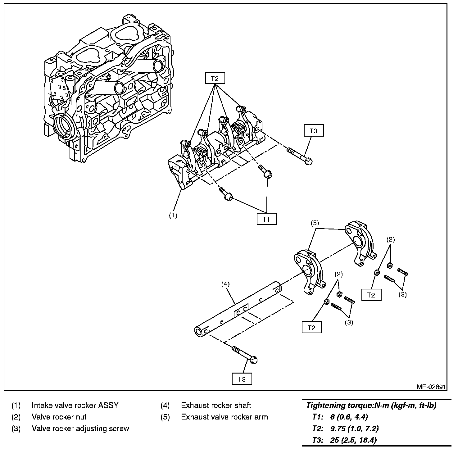
VALVE ROCKER ASSEMBLY





CYLINDER HEAD AND VALVE ASSEMBLY





CYLINDER BLOCK








CRANKSHAFT AND PISTON





ENGINE MOUNTING