lemon-mirror:
Home >> Subaru >> 2009 >> Tribeca F6-3.6L DOHC >> Repair and Diagnosis >> Powertrain Management >> Computers and Control Systems >> Engine Control Module >> Testing and Inspection

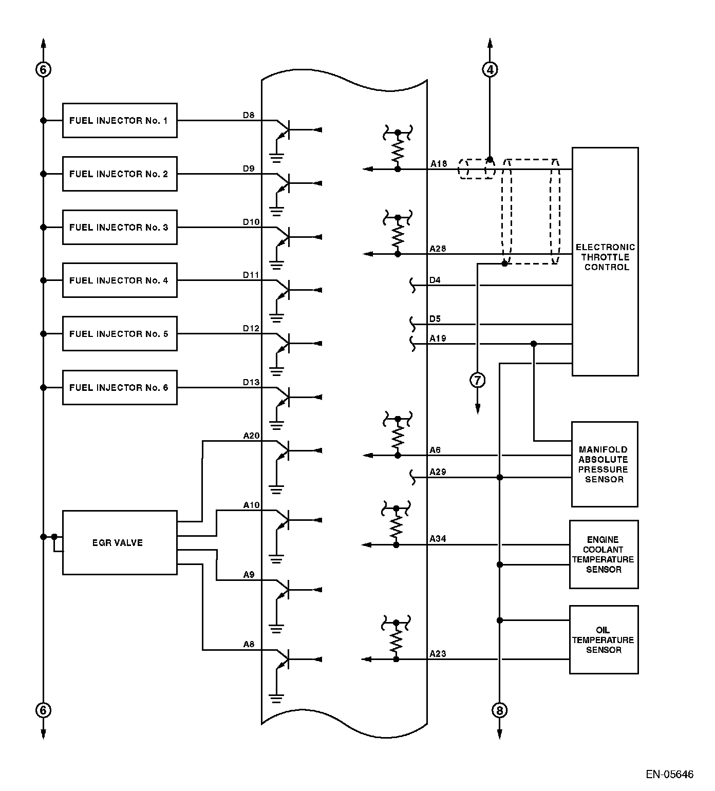
Engine Control Module: Testing and Inspection

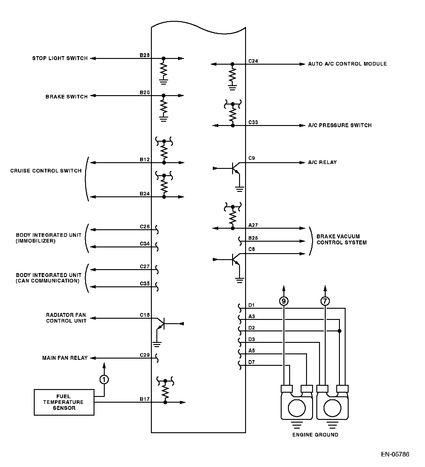
Engine Control Module (ECM) I/O Signal-Electrical Specification (Part 4):



Engine Control Module (ECM) I/O Signal-Electrical Specification (Part 5):



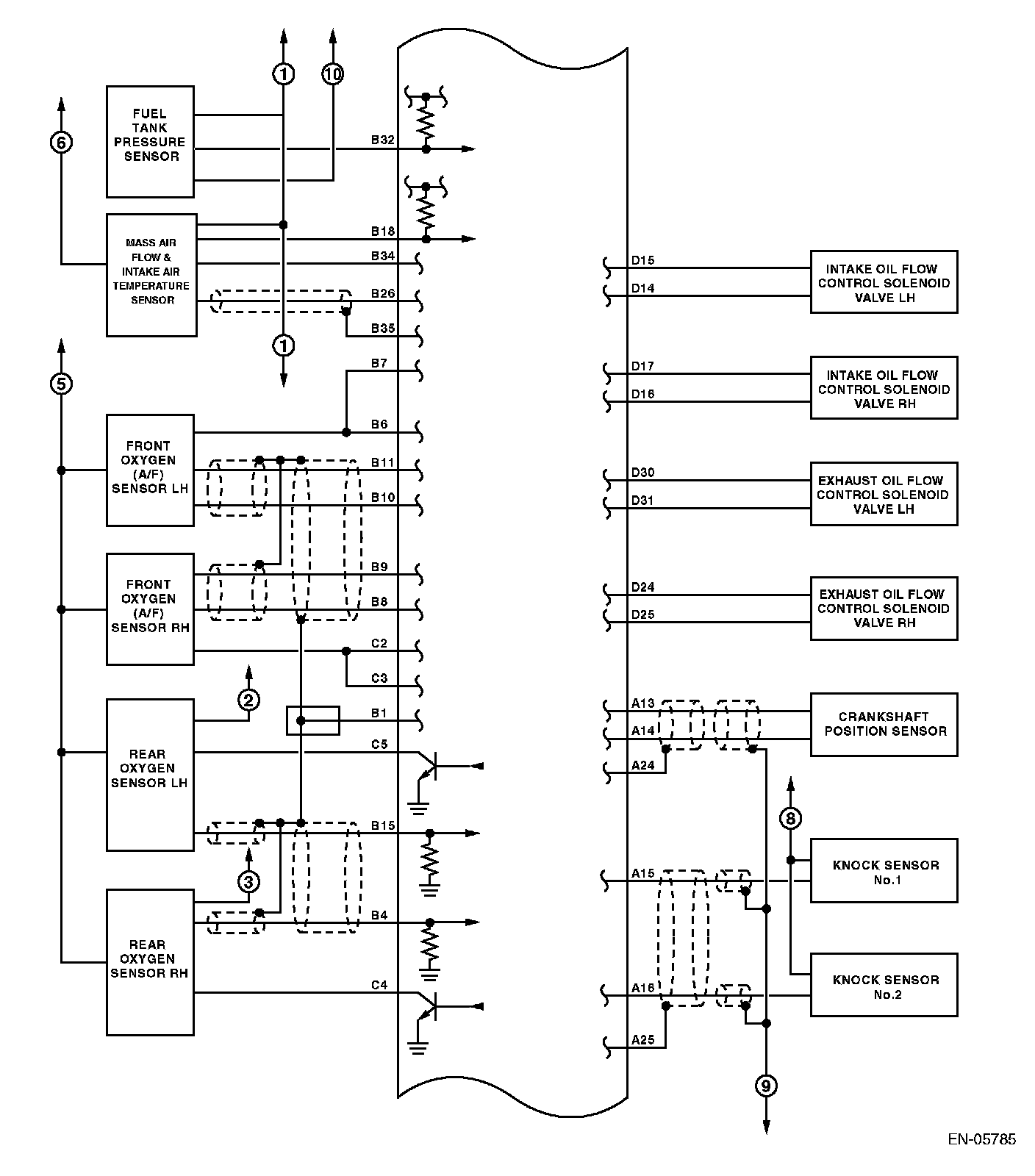
Engine Control Module (ECM) I/O Signal-Electrical Specification (Part 6):













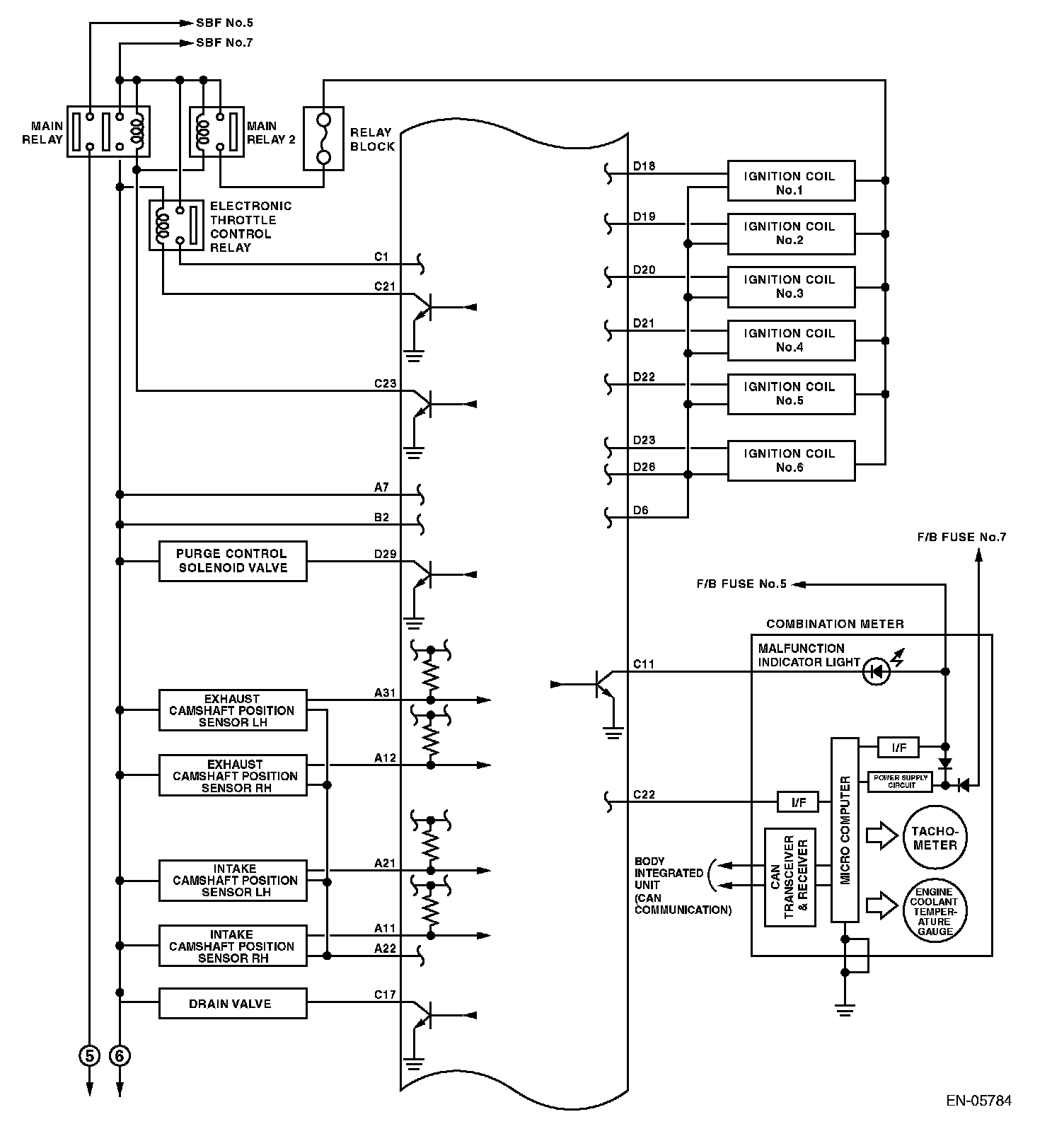
Electrical Specification:



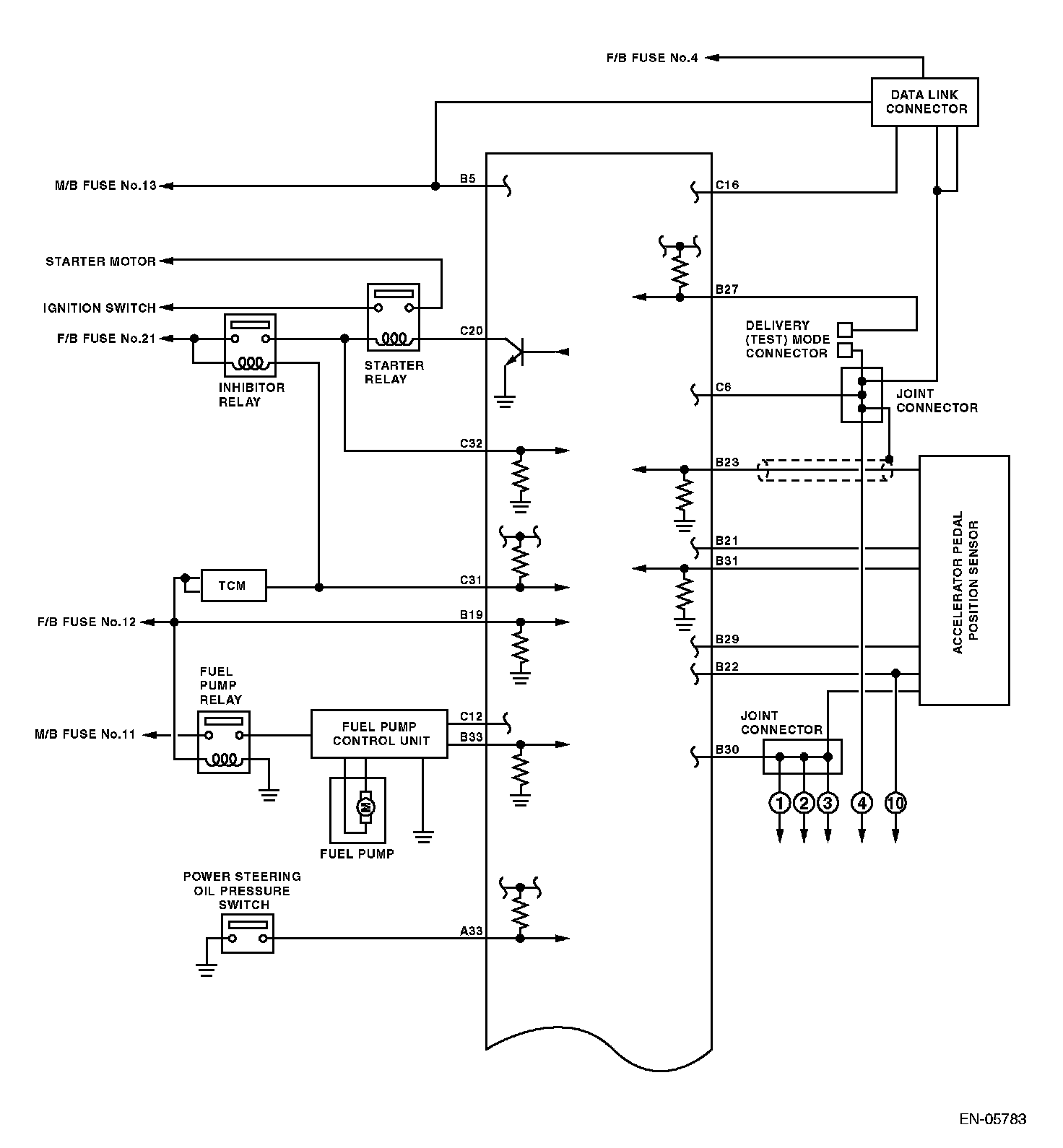
Engine Control Module (ECM) I/O Signal (Part 1):