lemon-mirror:
Home >> Subaru >> 2009 >> Outback Sport F4-2.5L SOHC >> Repair and Diagnosis >> Powertrain Management >> Computers and Control Systems >> Relays and Modules - Computers and Control Systems >> Engine Control Module >> Testing and Inspection

Engine Control Module: Testing and Inspection

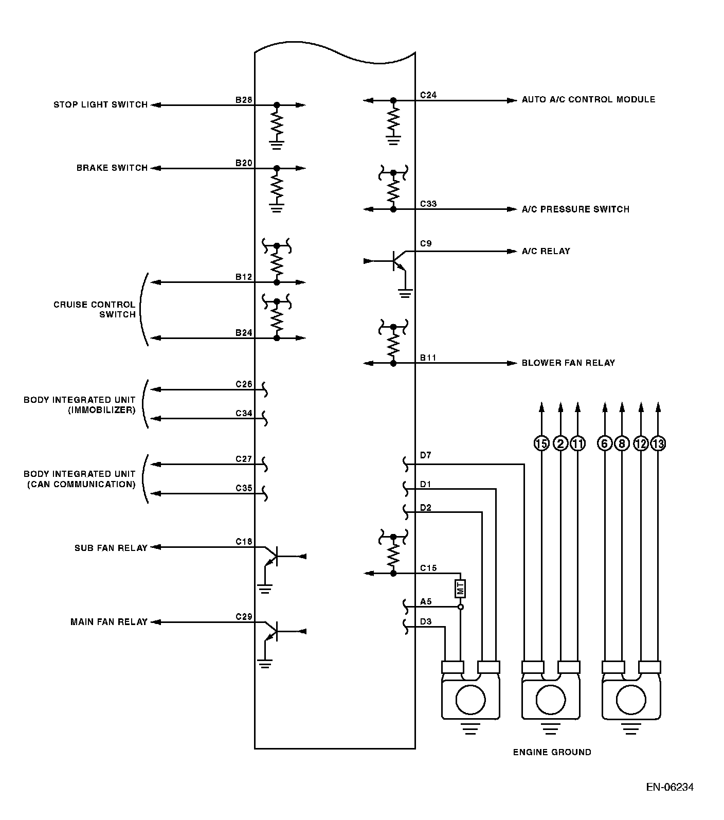
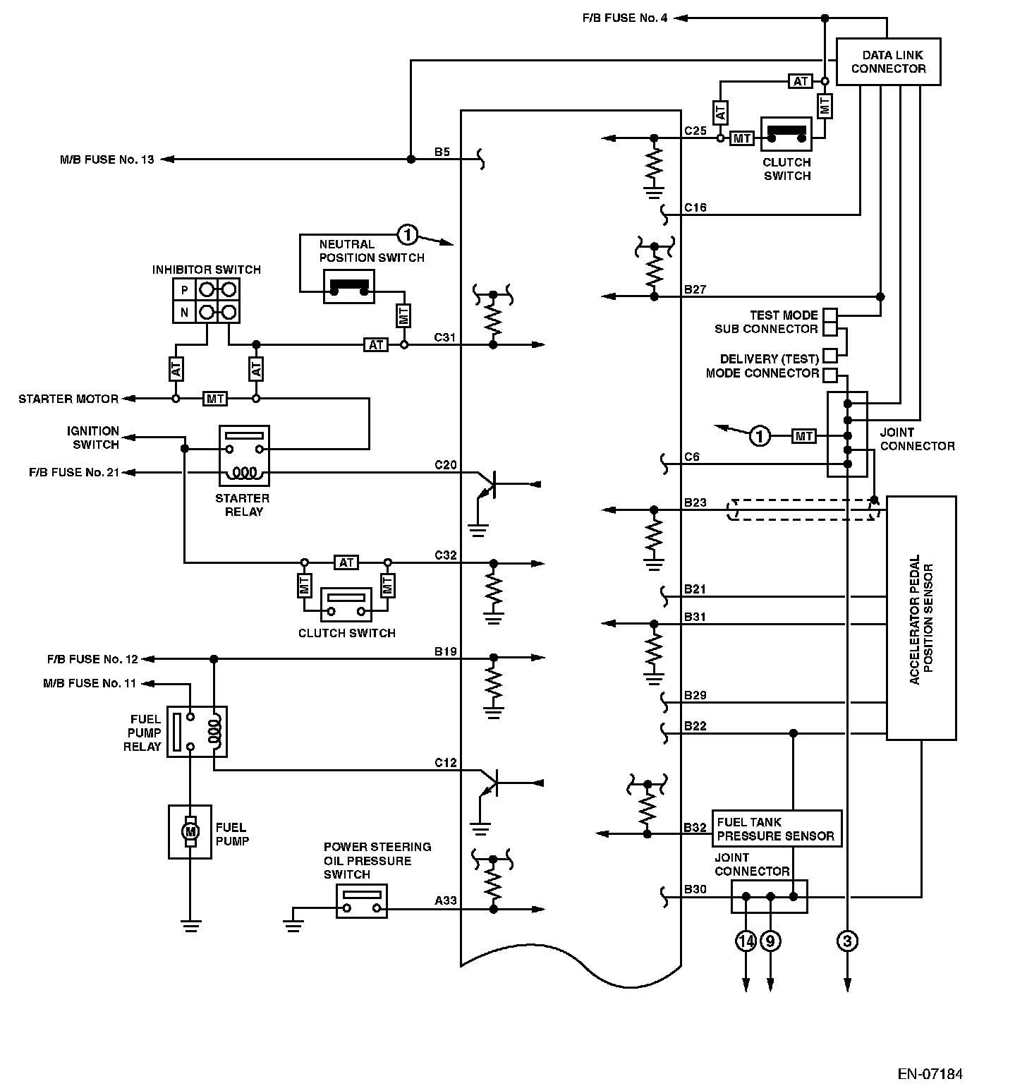
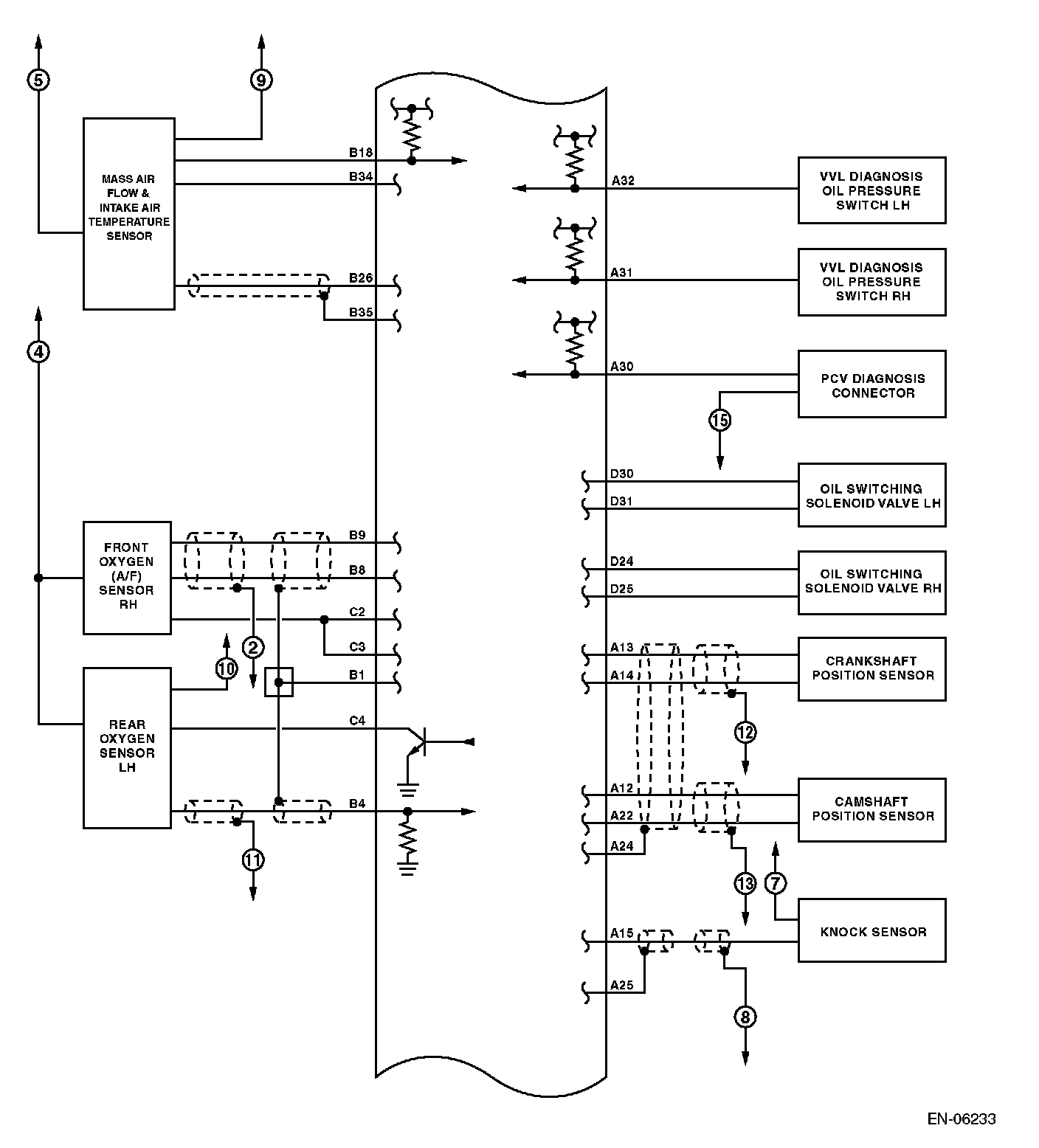
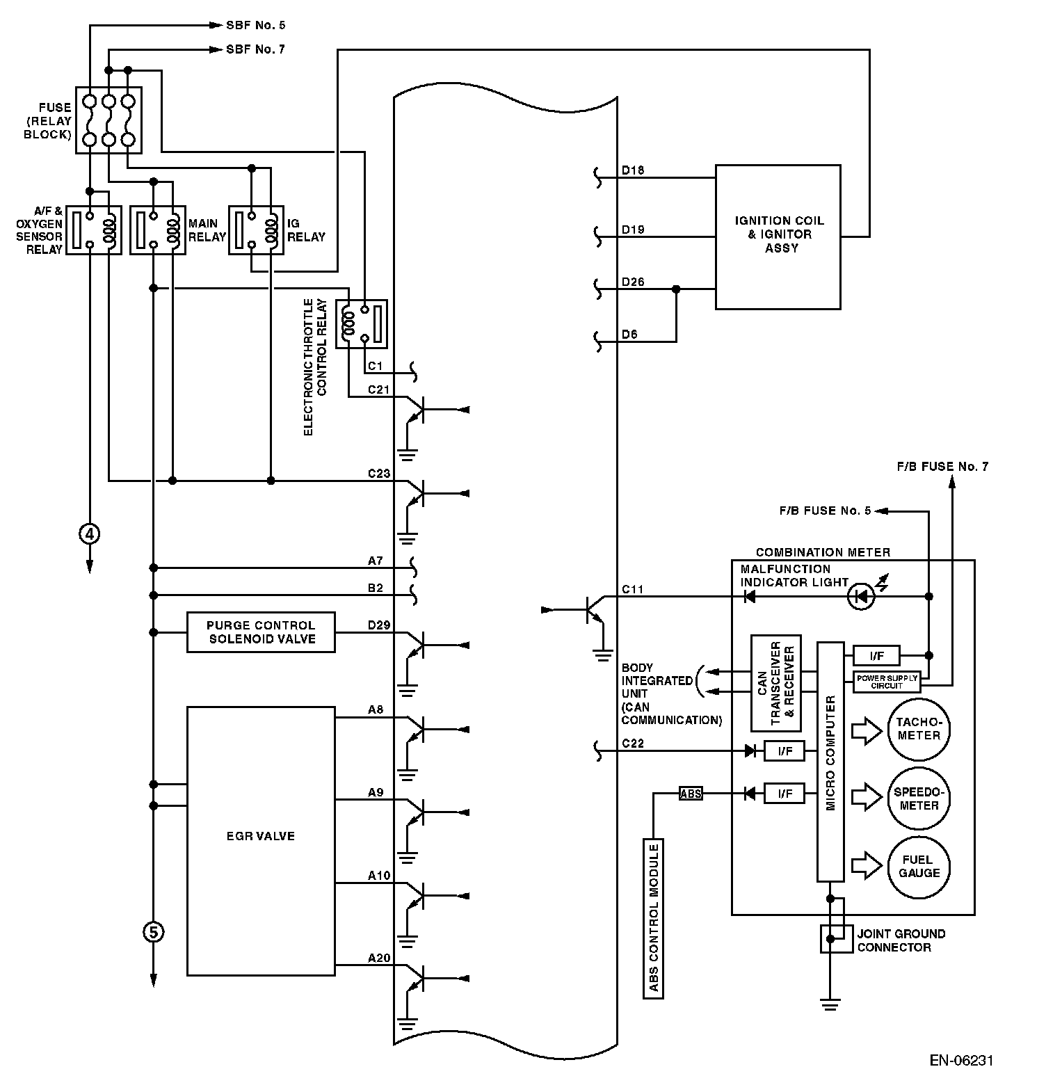
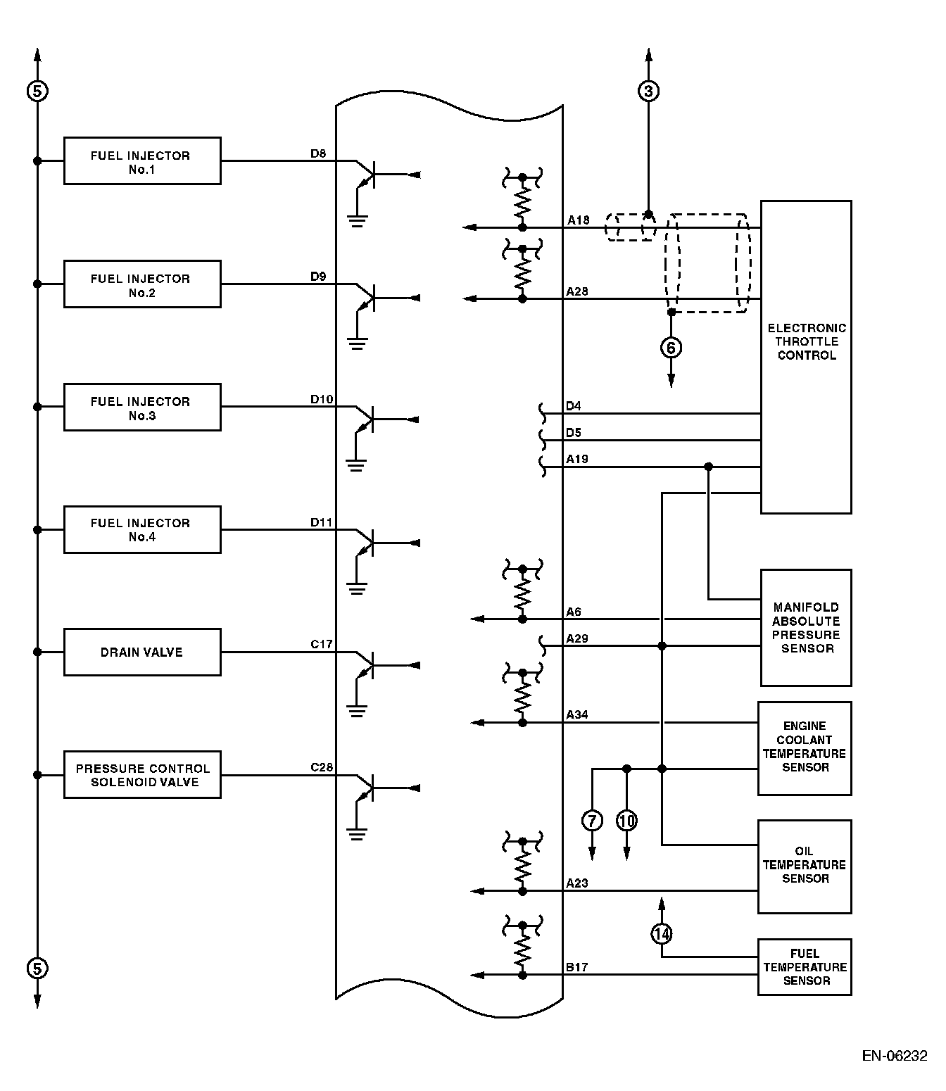
Engine Control Module (ECM) I/O Signal (Part 1):



Engine Control Module (ECM) I/O Signal (Part 2):



Engine Control Module (ECM) I/O Signal (Part 3):



Engine Control Module (ECM) I/O Signal (Part 4):



Engine Control Module (ECM) I/O Signal (Part 5):



Engine Control Module (ECM) I/O Signal (Part 6):



Engine Control Module (ECM) I/O Signal (Part 7):



Engine Control Module (ECM) I/O Signal (Part 8):



Engine Control Module (ECM) I/O Signal (Part 9):



Engine Control Module (ECM) I/O Signal (Part 10):