lemon-mirror:
Home >> Subaru >> 2009 >> Outback Sport F4-2.5L SOHC >> Repair and Diagnosis >> Diagrams >> Exploded Views >> Engine >> System Diagram >> Cylinder Block

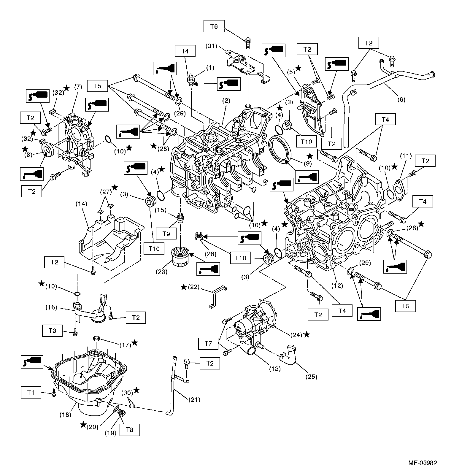
Cylinder Block