lemon-mirror:
Home >> Subaru >> 2009 >> Outback F6-3.0L DOHC >> Repair and Diagnosis >> Powertrain Management >> Computers and Control Systems >> Main Relay (Computer/Fuel System) >> Locations

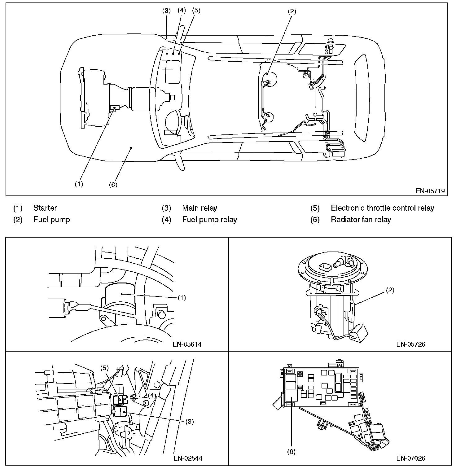
Main Relay (Computer/Fuel System): Locations

Solenoid Valve, Actuator, Emission Control System Parts And Ignition System Parts (Part 4):