lemon-mirror:
Home >> Subaru >> 2009 >> Outback F6-3.0L DOHC >> Repair and Diagnosis >> Diagrams >> Exploded Views >> Engine >> System Diagram >> Cylinder Block

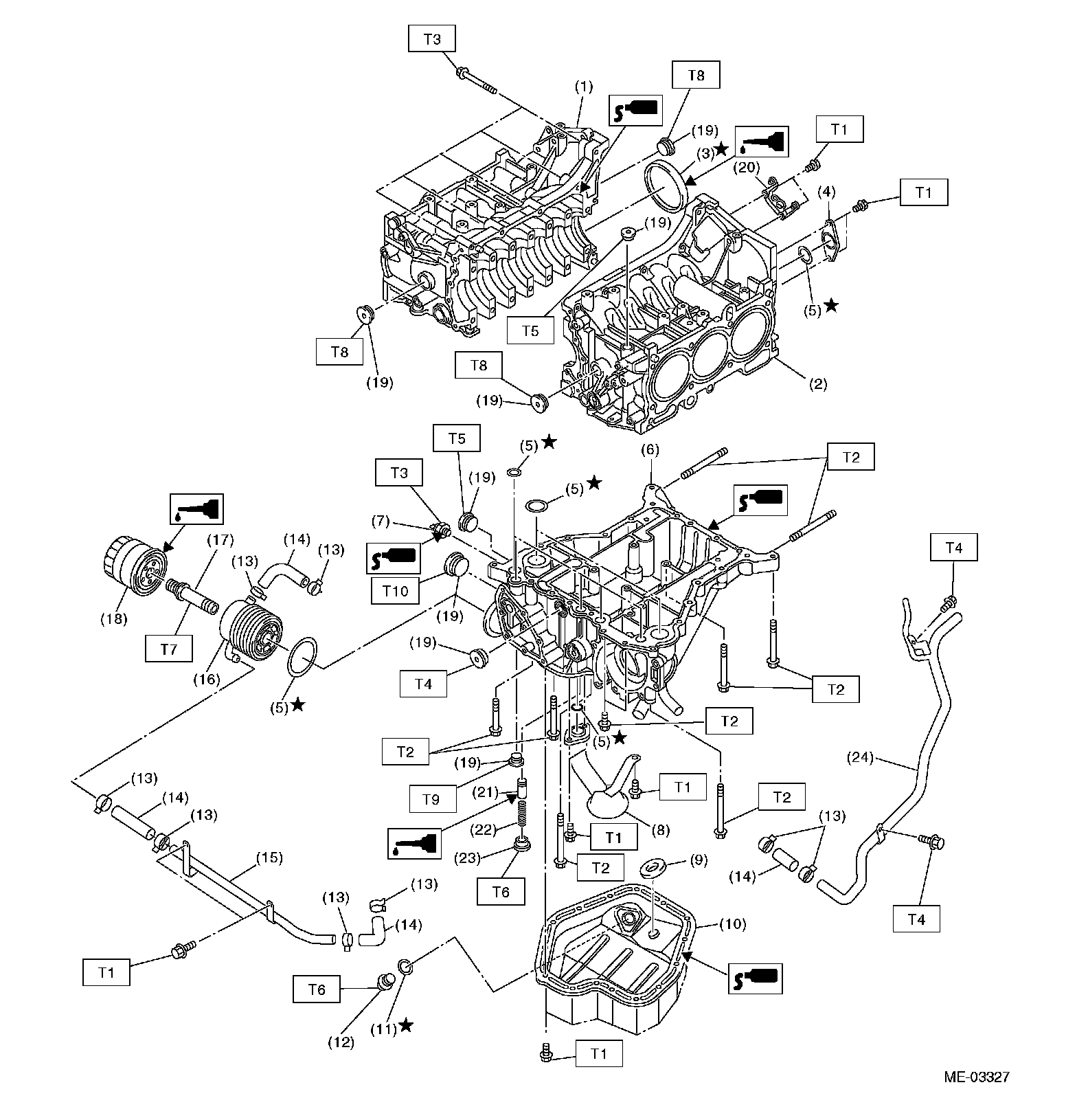
Cylinder Block