lemon-mirror:
Home >> Subaru >> 2009 >> Outback F4-2.5L SOHC >> Repair and Diagnosis >> Diagrams >> Exploded Views >> Engine >> System Diagram >> Valve Rocker Assembly

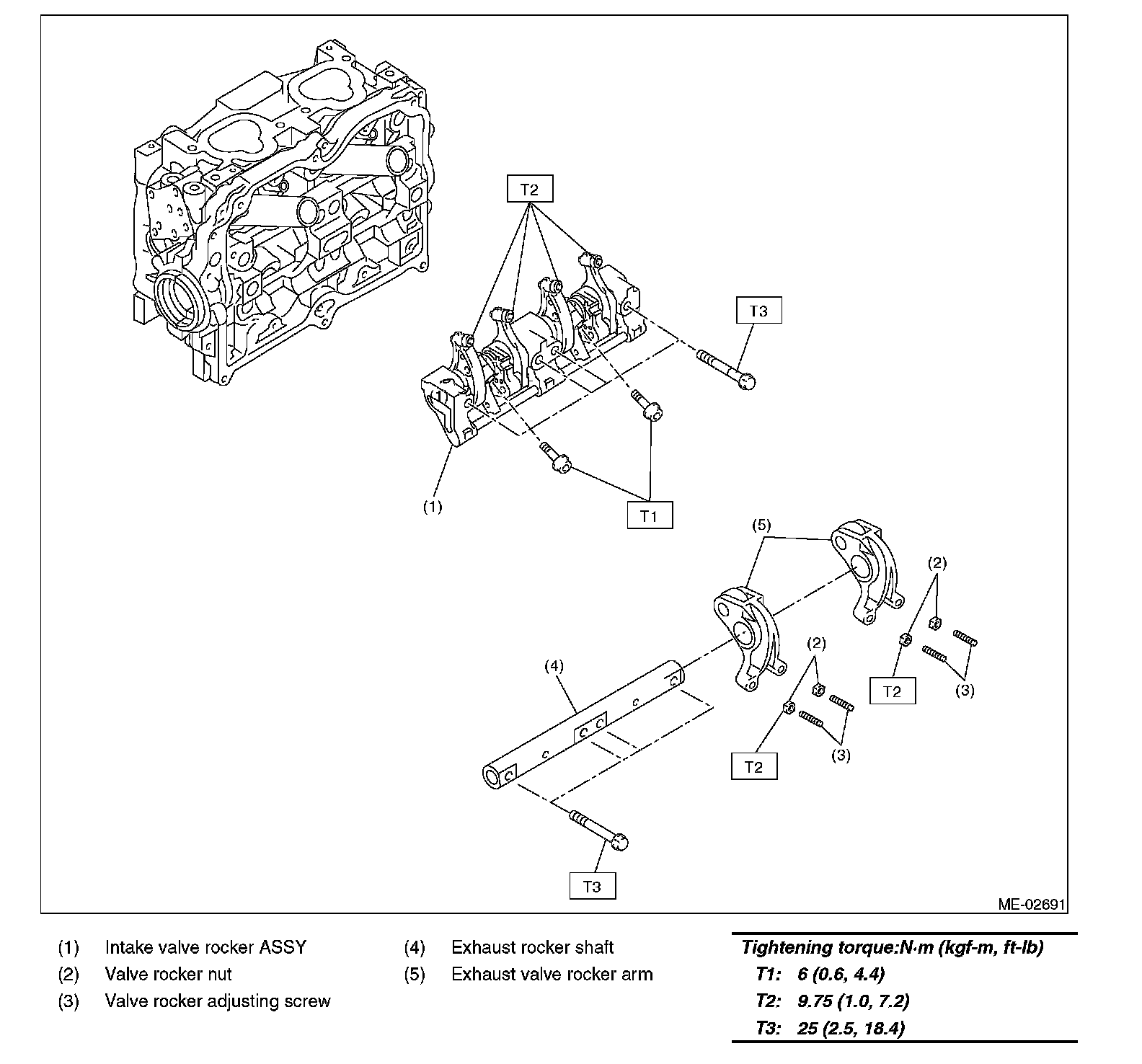
Valve Rocker Assembly