lemon-mirror:
Home >> Subaru >> 2009 >> Forester F4-2.5L SOHC >> Repair and Diagnosis >> Powertrain Management >> Ignition System >> Testing and Inspection

Ignition System: Testing and Inspection

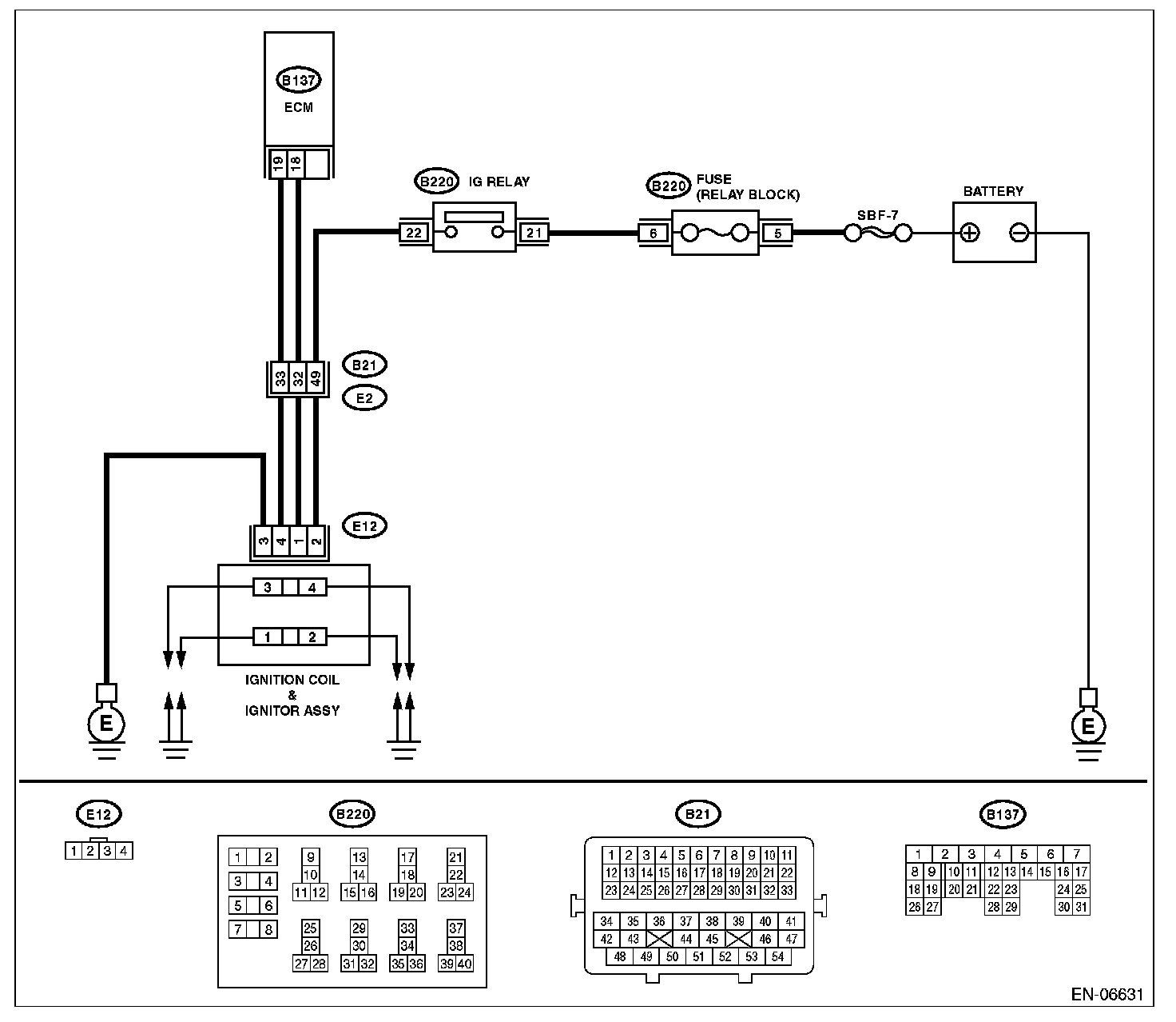
IGNITION CONTROL SYSTEM

CAUTION: After repair or replacement of faulty parts, perform Clear Memory Mode. Clear Memory Mode and Inspection Mode. Preparation For the Inspection Mode

WIRING DIAGRAM:

Wiring Diagram:






Step 1-5: