lemon-mirror:
Home >> Subaru >> 2009 >> Forester F4-2.5L SOHC >> Repair and Diagnosis >> Powertrain Management >> Computers and Control Systems >> Engine Control Module >> Testing and Inspection

Engine Control Module: Testing and Inspection

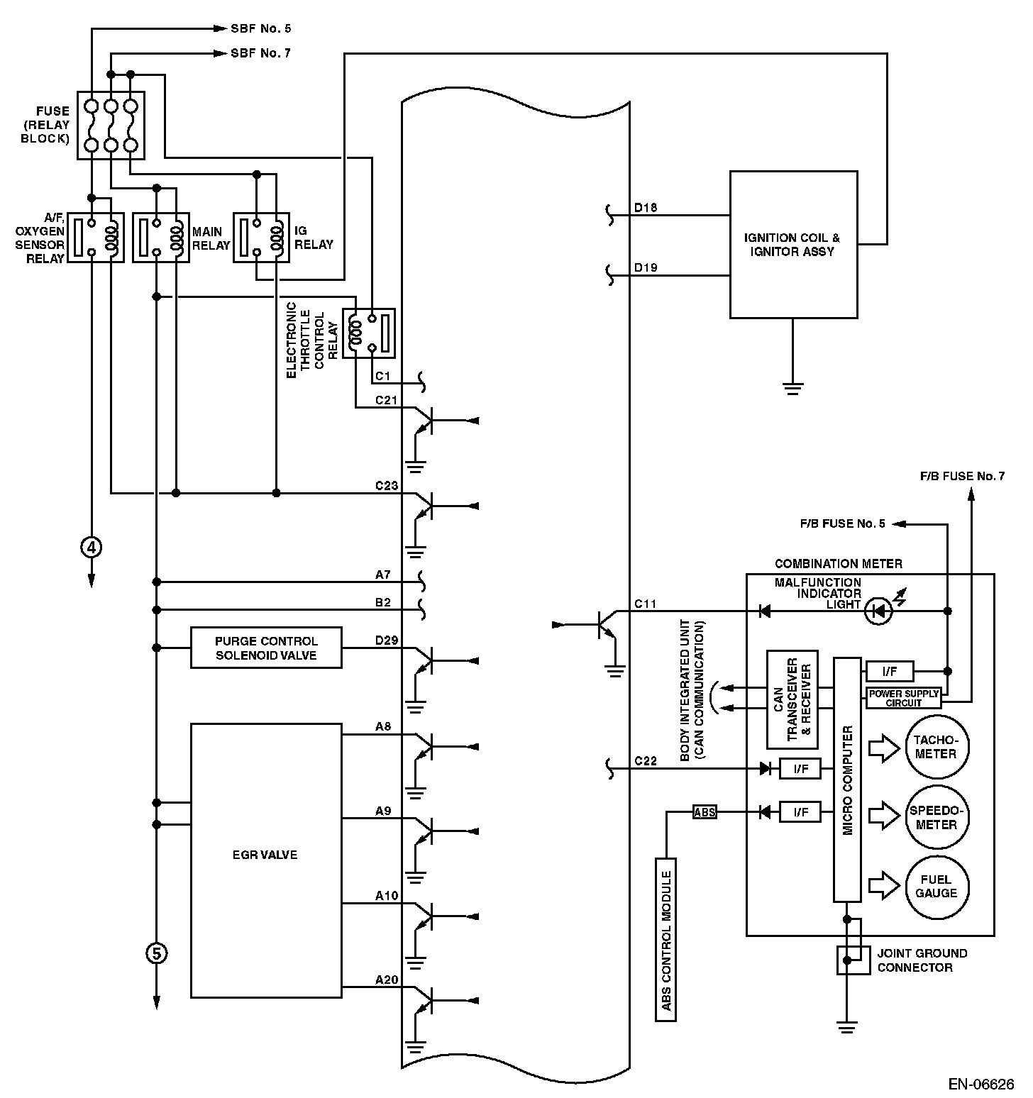
Engine Control Module (ECM) I/O Signal - Electrical Specification (Part 1):



Engine Control Module (ECM) I/O Signal - Electrical Specification (Part 2):



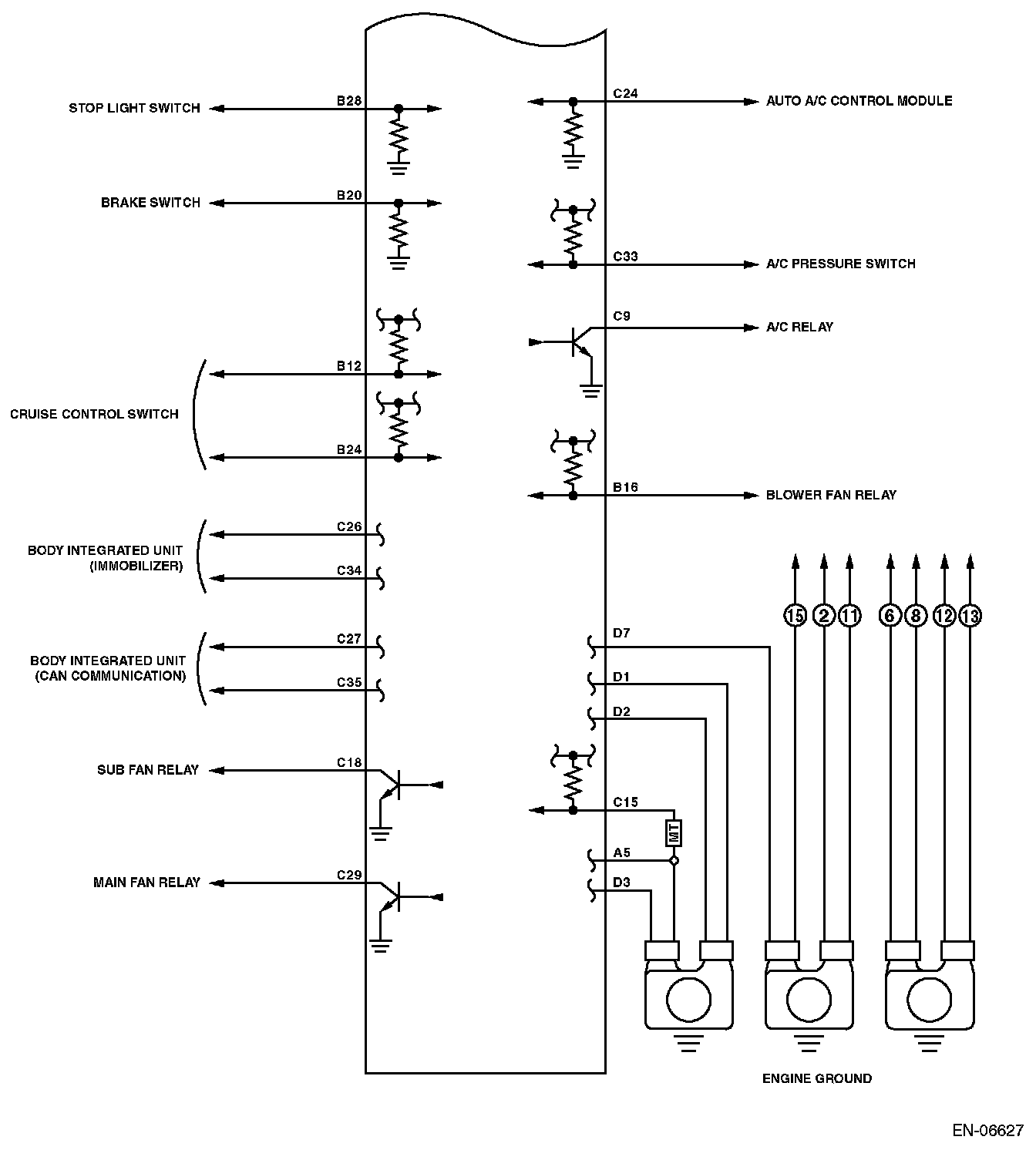
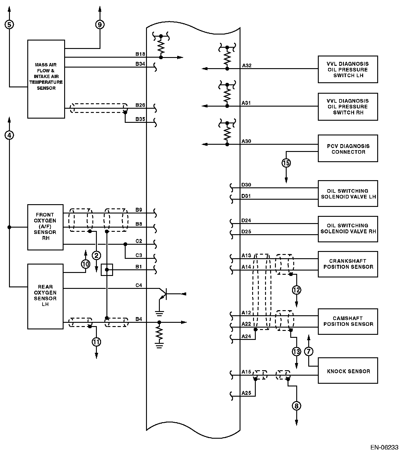
Engine Control Module (ECM) I/O Signal - Electrical Specification (Part 3):



Engine Control Module (ECM) I/O Signal - Electrical Specification (Part 4):



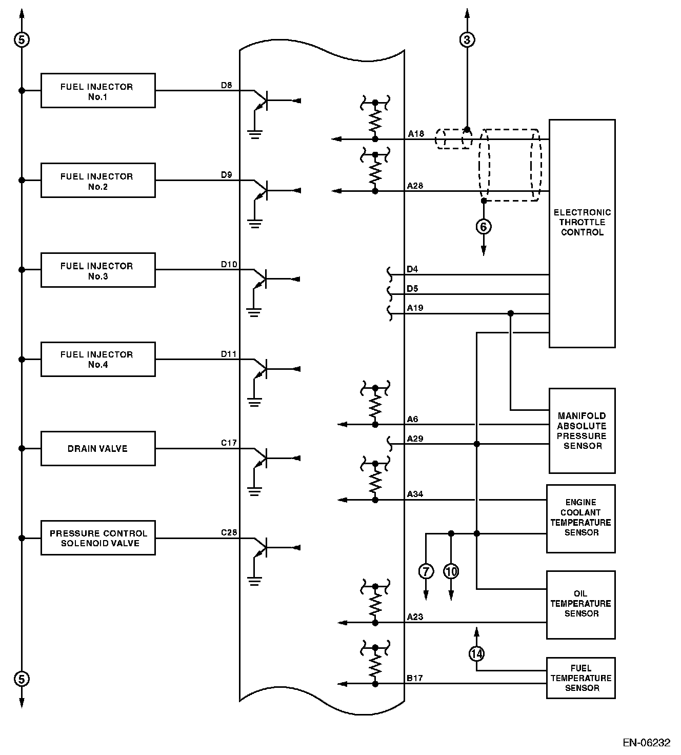
Engine Control Module (ECM) I/O Signal - Electrical Specification (Part 5):



Engine Control Module (ECM) I/O Signal - Electrical Specification (Part 6):



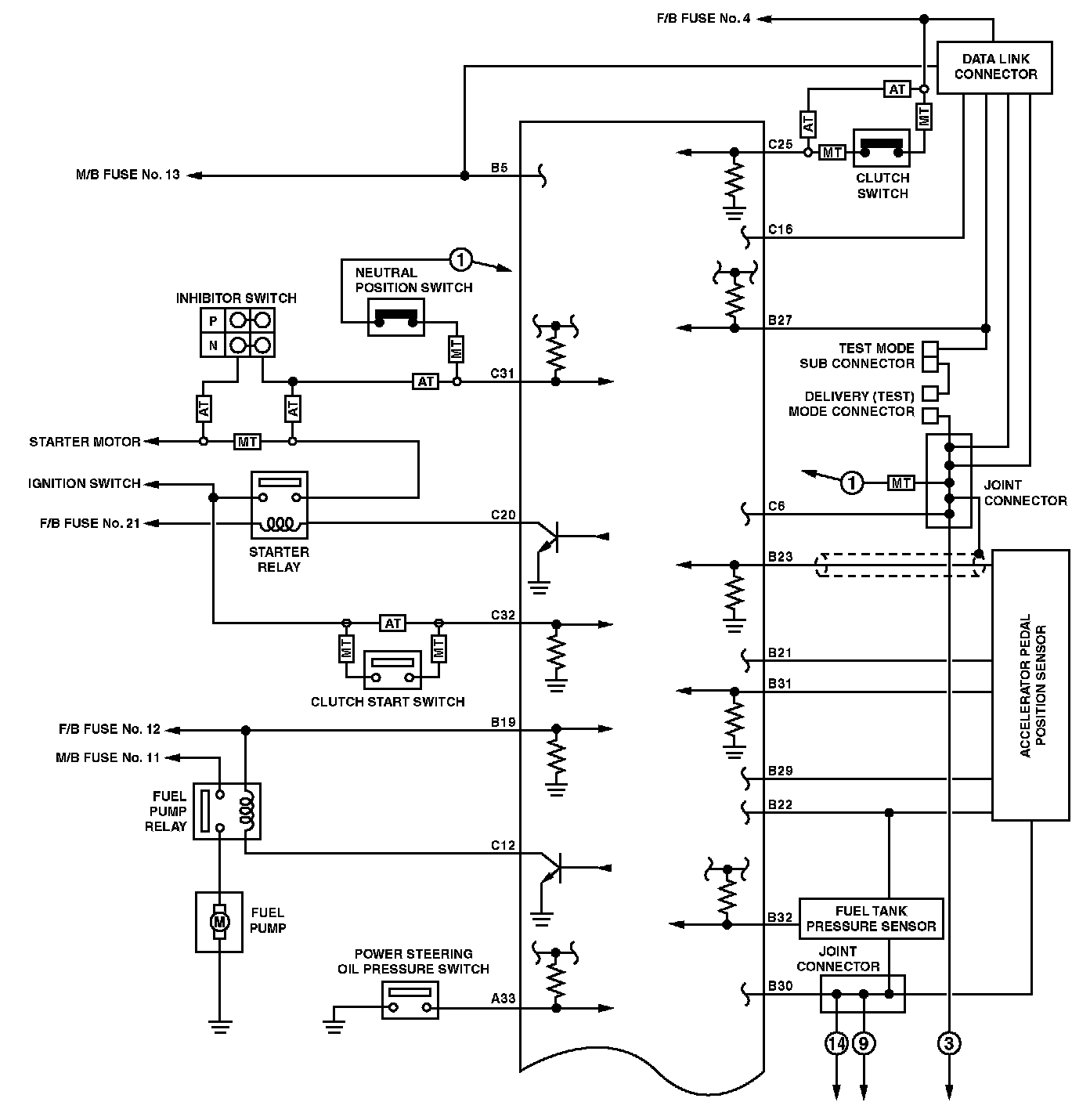
Engine Control Module (ECM) I/O Signal - Electrical Specification (Part 7):



Engine Control Module (ECM) I/O Signal - Electrical Specification (Part 8):



Engine Control Module (ECM) I/O Signal - Electrical Specification (Part 9):



Engine Control Module (ECM) I/O Signal - Electrical Specification (Part 10):