lemon-mirror:
Home >> Subaru >> 2008 >> Tribeca F6-3.6L DOHC >> Repair and Diagnosis >> Powertrain Management >> Computers and Control Systems >> Main Relay (Computer/Fuel System) >> Locations

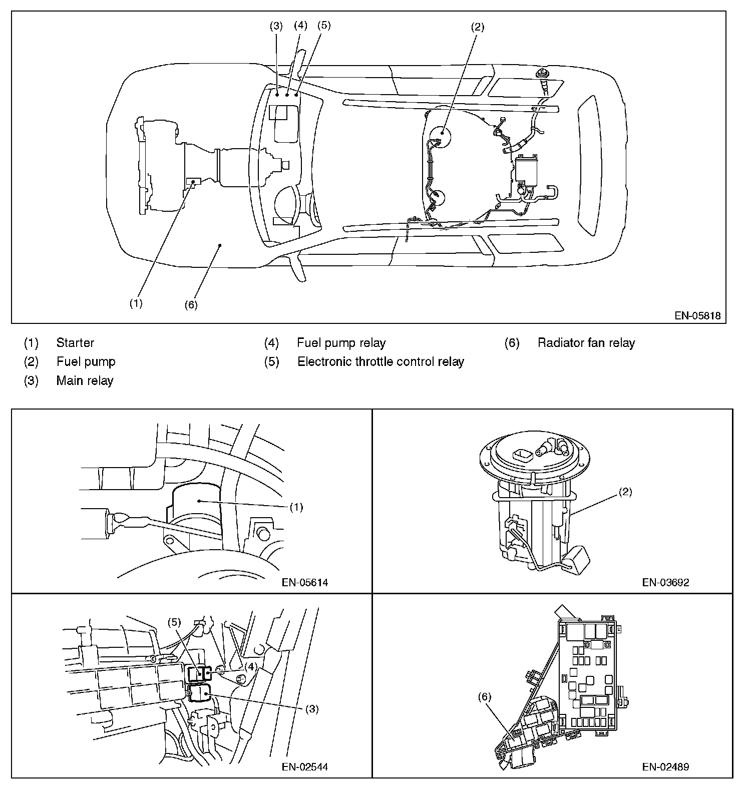
Main Relay (Computer/Fuel System): Locations