lemon-mirror:
Home >> Subaru >> 2008 >> Tribeca F6-3.6L DOHC >> Repair and Diagnosis >> Powertrain Management >> Computers and Control Systems >> Engine Control Module >> Testing and Inspection

Engine Control Module: Testing and Inspection

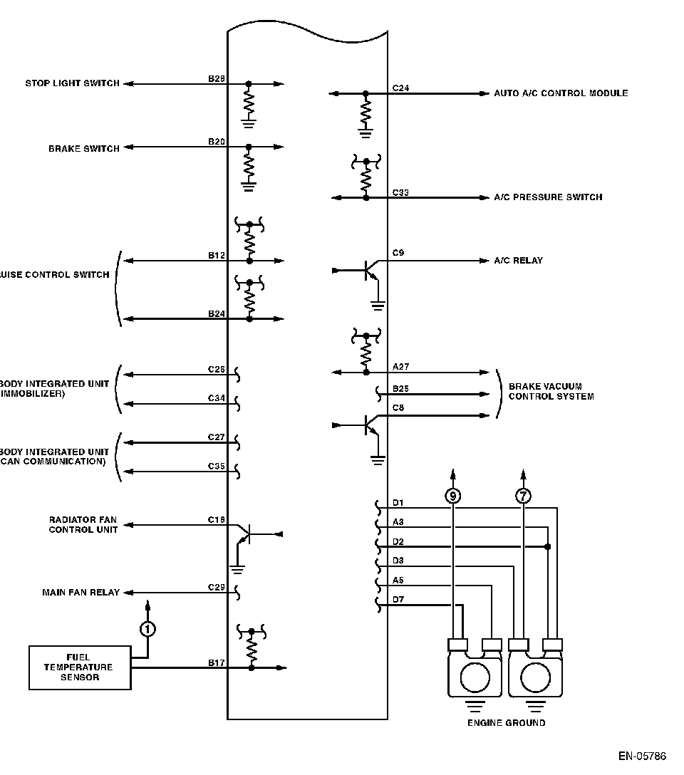
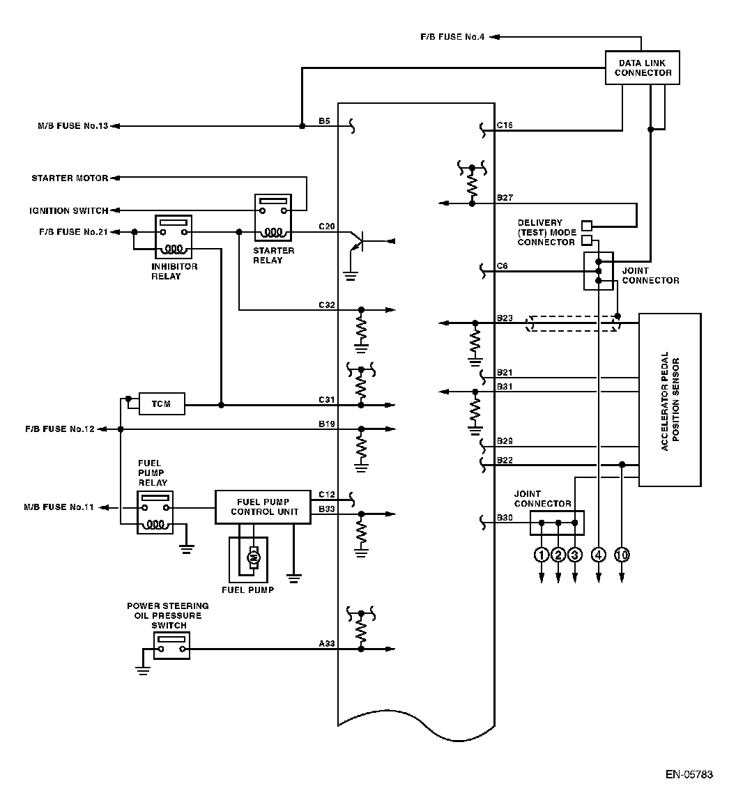
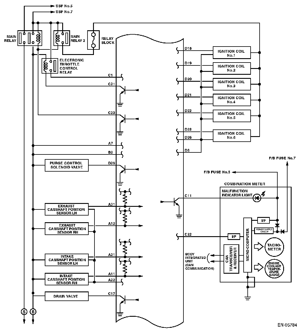
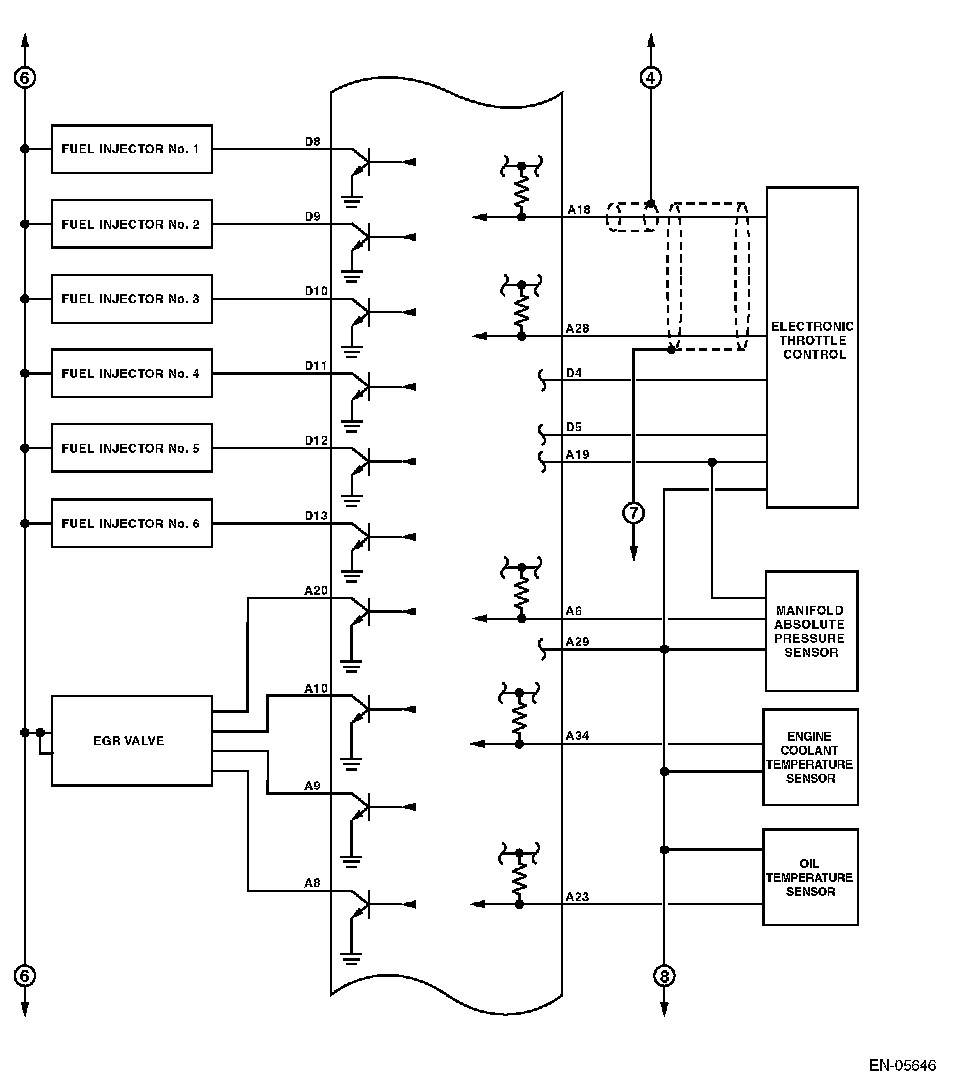
Engine Control Module (ECM) I/O Signal

ELECTRICAL SPECIFICATION

Engine Control Module (ECM) I/O Signal - Electrical Specification (Part 1):




Engine Control Module (ECM) I/O Signal - Electrical Specification (Part 2):




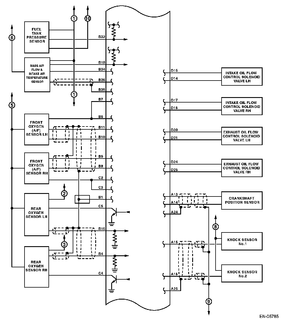
Engine Control Module (ECM) I/O Signal - Electrical Specification (Part 3):




Engine Control Module (ECM) I/O Signal - Electrical Specification (Part 4):




Engine Control Module (ECM) I/O Signal - Electrical Specification (Part 5):




Engine Control Module (ECM) I/O Signal - Electrical Specification (Part 6):




Engine Control Module (ECM) I/O Signal - Electrical Specification (Part 7):




Engine Control Module (ECM) I/O Signal - Electrical Specification (Part 8):




Engine Control Module (ECM) I/O Signal - Electrical Specification (Part 9):




Engine Control Module (ECM) I/O Signal - Electrical Specification (Part 10):