lemon-mirror:
Home >> Subaru >> 2008 >> Tribeca F6-3.6L DOHC >> Repair and Diagnosis >> Diagrams >> Exploded Views >> Engine >> System Diagram >> Timing Chain

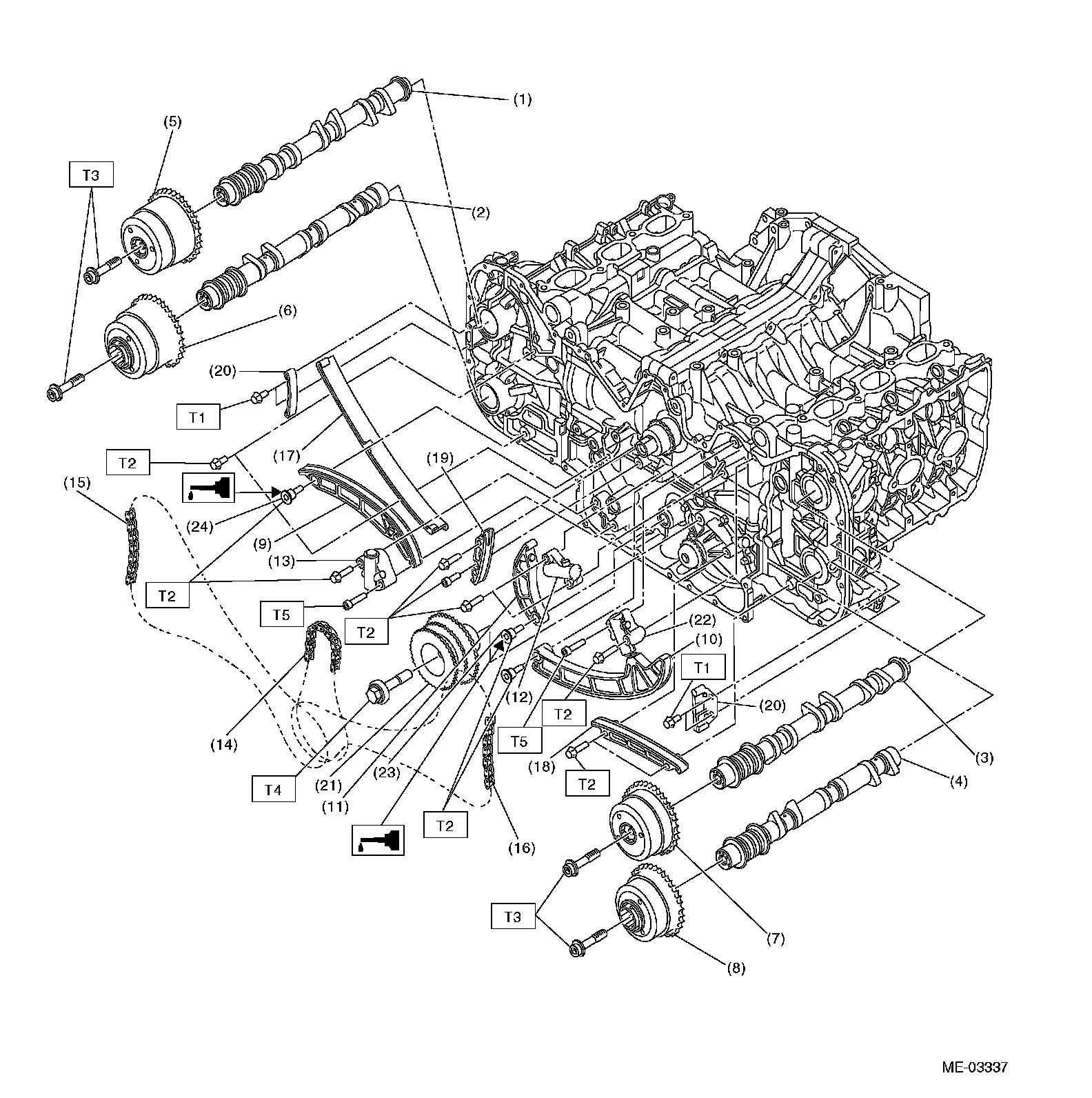
Timing Chain