lemon-mirror:
Home >> Subaru >> 2008 >> Outback Sport F4-2.5L SOHC >> Repair and Diagnosis >> Powertrain Management >> Computers and Control Systems >> Relays and Modules - Computers and Control Systems >> Engine Control Module >> Testing and Inspection

Engine Control Module: Testing and Inspection

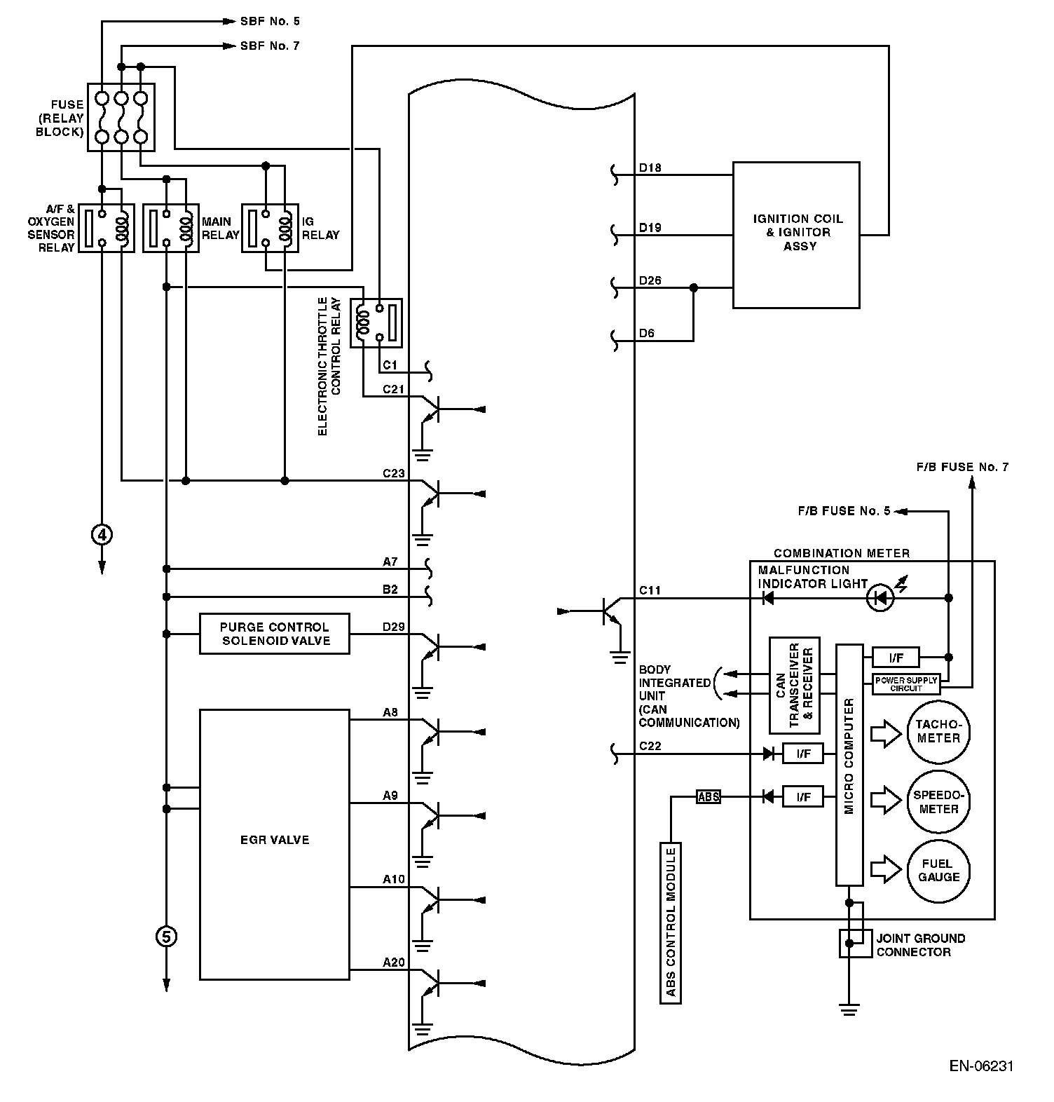
Engine Control Module (ECM) I/O Signal-Electrical Specification (Part 1):



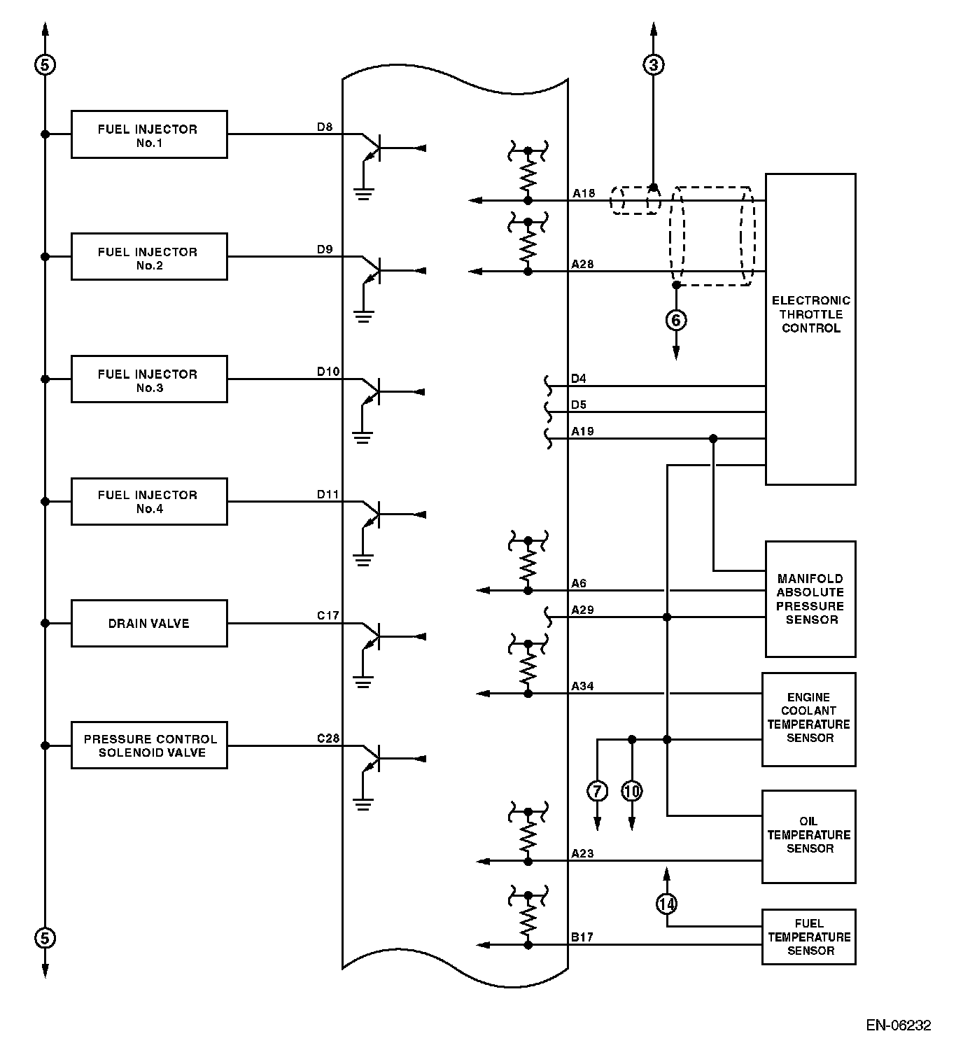
Engine Control Module (ECM) I/O Signal-Electrical Specification (Part 2):



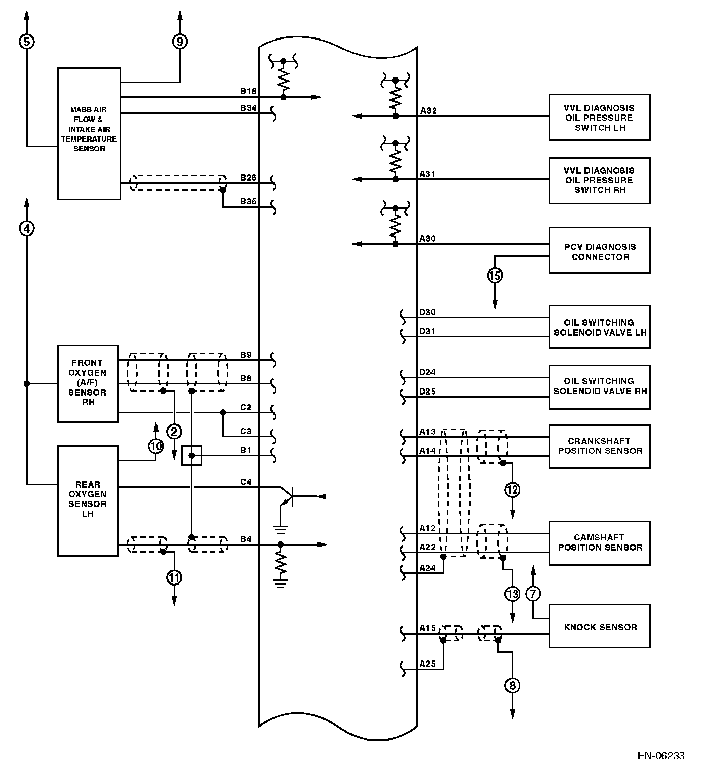
Engine Control Module (ECM) I/O Signal-Electrical Specification (Part 3):



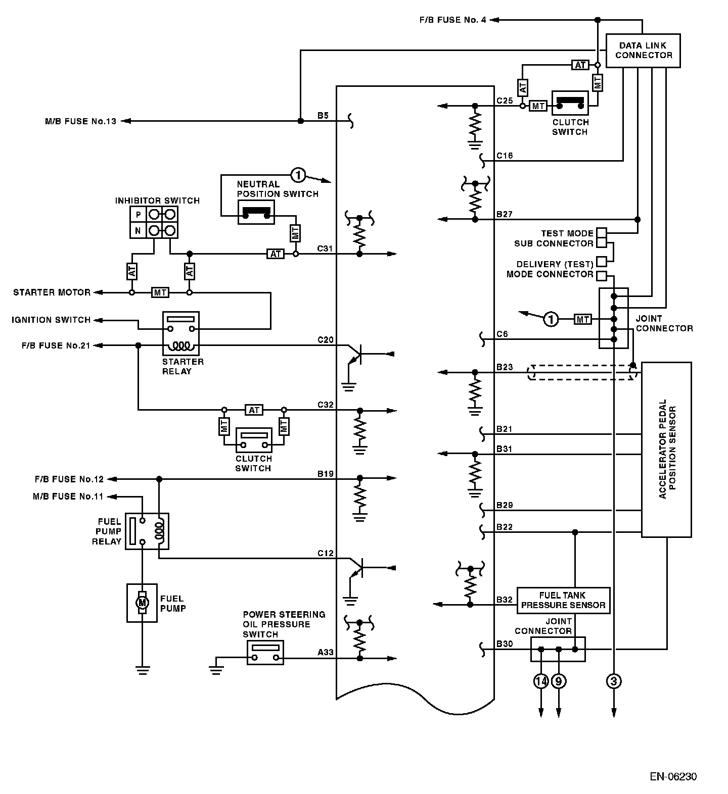
Engine Control Module (ECM) I/O Signal-Electrical Specification (Part 4):



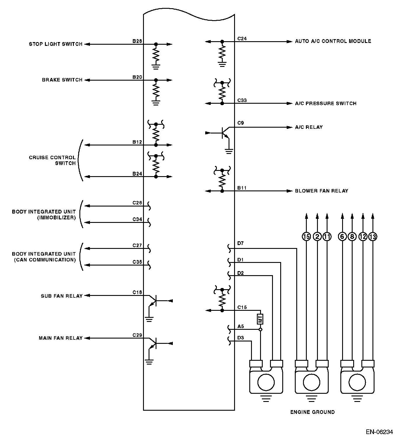
Engine Control Module (ECM) I/O Signal-Electrical Specification (Part 5):