lemon-mirror:
Home >> Subaru >> 2008 >> Outback F6-3.0L DOHC >> Repair and Diagnosis >> Diagrams >> Exploded Views >> Engine >> Drive Belt

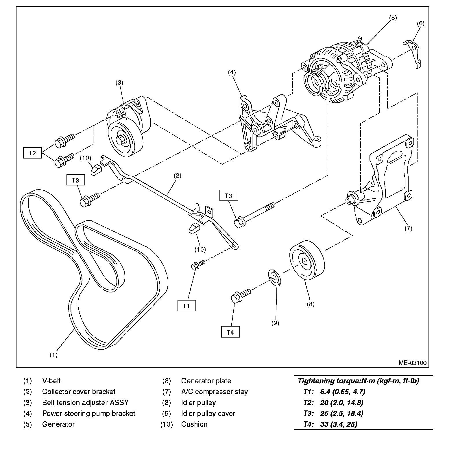
Drive Belt

V-BELT