lemon-mirror:
Home >> Subaru >> 2008 >> Outback F4-2.5L SOHC >> Repair and Diagnosis >> Powertrain Management >> Ignition System >> Testing and Inspection

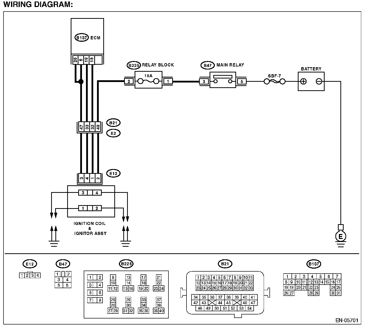
Ignition System: Testing and Inspection

IGNITION CONTROL SYSTEM

CAUTION: After repairing or replacing the defective part, perform the Clear Memory Mode Clear Memory Mode and Inspection Mode.

Wiring Diagram:






Step 1-5:




Step 6-8: