lemon-mirror:
Home >> Subaru >> 2008 >> Outback F4-2.5L SOHC >> Repair and Diagnosis >> Diagrams >> Exploded Views >> Steering Column

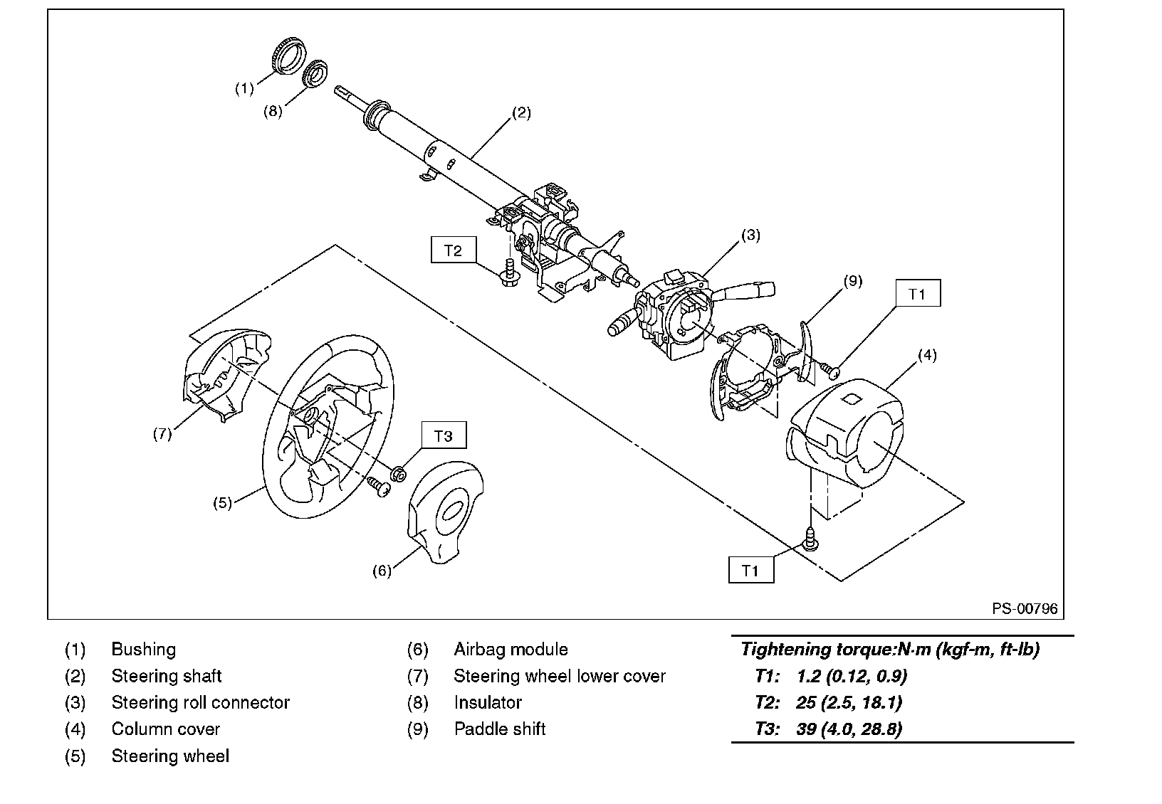
Steering Column

STEERING WHEEL AND COLUMN: